Suppr超能文献

用于检测温血动物和冷血动物的智能相机陷阱。

A Smart Camera Trap for Detection of Endotherms and Ectotherms.

机构信息

School of Engineering, Deakin University, Geelong, VIC 3216, Australia.

School of Life and Environmental Sciences, Deakin University, Burwood, VIC 3125, Australia.

出版信息

Sensors (Basel). 2022 May 28;22(11):4094. doi: 10.3390/s22114094.

Abstract

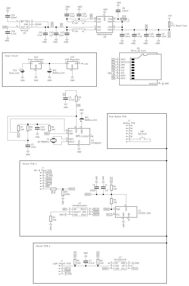
Current camera traps use passive infrared triggers; therefore, they only capture images when animals have a substantially different surface body temperature than the background. Endothermic animals, such as mammals and birds, provide adequate temperature contrast to trigger cameras, while ectothermic animals, such as amphibians, reptiles, and invertebrates, do not. Therefore, a camera trap that is capable of monitoring ectotherms can expand the capacity of ecological research on ectothermic animals. This study presents the design, development, and evaluation of a solar-powered and artificial-intelligence-assisted camera trap system with the ability to monitor both endothermic and ectothermic animals. The system is developed using a central processing unit, integrated graphics processing unit, camera, infrared light, flash drive, printed circuit board, solar panel, battery, microphone, GPS receiver, temperature/humidity sensor, light sensor, and other customized circuitry. It continuously monitors image frames using a motion detection algorithm and commences recording when a moving animal is detected during the day or night. Field trials demonstrate that this system successfully recorded a high number of animals. Lab testing using artificially generated motion demonstrated that the system successfully recorded within video frames at a high accuracy of 0.99, providing an optimized peak power consumption of 5.208 W. No water or dust entered the cases during field trials. A total of 27 cameras saved 85,870 video segments during field trials, of which 423 video segments successfully recorded ectothermic animals (reptiles, amphibians, and arthropods). This newly developed camera trap will benefit wildlife biologists, as it successfully monitors both endothermic and ectothermic animals.

摘要

目前的相机陷阱使用被动红外触发;因此,只有当动物的体表体温与背景有显著差异时,它们才会捕捉图像。温血动物,如哺乳动物和鸟类,提供了足够的温度对比来触发相机,而冷血动物,如两栖动物、爬行动物和无脊椎动物,则没有。因此,能够监测冷血动物的相机陷阱可以扩大对冷血动物生态研究的能力。本研究介绍了一种基于太阳能和人工智能辅助的相机陷阱系统的设计、开发和评估,该系统能够监测温血动物和冷血动物。该系统使用中央处理单元、集成图形处理单元、相机、红外光、闪存驱动器、印刷电路板、太阳能电池板、电池、麦克风、GPS 接收器、温度/湿度传感器、光传感器和其他定制电路进行开发。它使用运动检测算法连续监测图像帧,并在白天或晚上检测到移动的动物时开始录制。野外试验表明,该系统成功地记录了大量的动物。使用人工生成的运动进行的实验室测试表明,该系统在视频帧内成功记录的准确率高达 0.99,提供了优化的峰值功耗为 5.208W。在野外试验中,没有水或灰尘进入机箱。27 台相机在野外试验中总共保存了 85870 个视频片段,其中 423 个视频片段成功记录了冷血动物(爬行动物、两栖动物和节肢动物)。这种新开发的相机陷阱将使野生动物生物学家受益,因为它成功地监测了温血动物和冷血动物。

https://cdn.ncbi.nlm.nih.gov/pmc/blobs/433f/9185543/17c79430543d/sensors-22-04094-g0A1.jpg

文献AI研究员

20分钟写一篇综述,助力文献阅读效率提升50倍。

立即体验

用中文搜PubMed

大模型驱动的PubMed中文搜索引擎

马上搜索

文档翻译

学术文献翻译模型,支持多种主流文档格式。

立即体验