• 文献检索
  • 文档翻译
  • 深度研究
  • 学术资讯
  • Suppr Zotero 插件Zotero 插件
  • 邀请有礼
  • 套餐&价格
  • 历史记录
应用&插件
Suppr Zotero 插件Zotero 插件浏览器插件Mac 客户端Windows 客户端微信小程序
定价
高级版会员购买积分包购买API积分包
服务
文献检索文档翻译深度研究API 文档MCP 服务
关于我们
关于 Suppr公司介绍联系我们用户协议隐私条款
关注我们

Suppr 超能文献

核心技术专利:CN118964589B侵权必究
粤ICP备2023148730 号-1Suppr @ 2026

文献检索

告别复杂PubMed语法,用中文像聊天一样搜索,搜遍4000万医学文献。AI智能推荐,让科研检索更轻松。

立即免费搜索

文件翻译

保留排版,准确专业,支持PDF/Word/PPT等文件格式,支持 12+语言互译。

免费翻译文档

深度研究

AI帮你快速写综述,25分钟生成高质量综述,智能提取关键信息,辅助科研写作。

立即免费体验

农业废弃物燃烧排放物的颗粒物特征

Particulate matter characterization of the combustion emissions from agricultural waste products.

作者信息

Laaongnaun Sunthorn, Patumsawad Suthum

机构信息

Department of Mechanical & Aero-space Engineering, Faculty of Engineering, King Mongkut University of Technology North Bangkok, Bangkok 10800, Thailand.

出版信息

Heliyon. 2022 Aug 22;8(8):e10392. doi: 10.1016/j.heliyon.2022.e10392. eCollection 2022 Aug.

DOI:10.1016/j.heliyon.2022.e10392
PMID:36090211
原文链接:https://pmc.ncbi.nlm.nih.gov/articles/PMC9449565/
Abstract

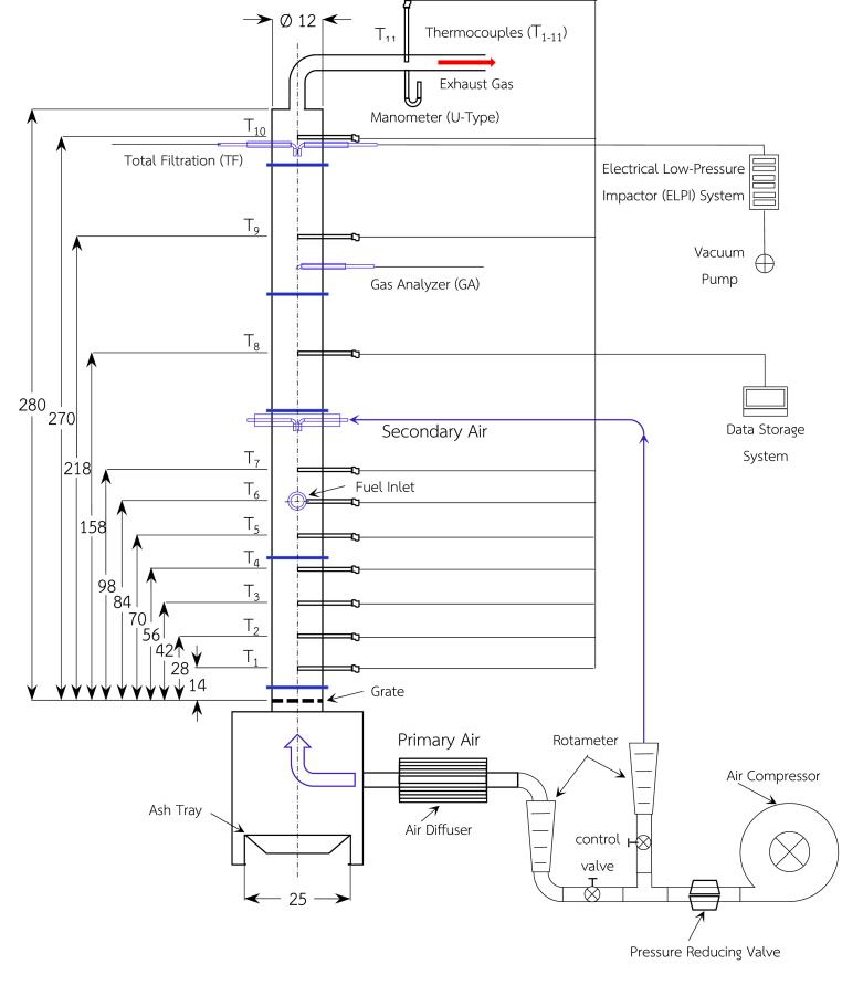
This research study examines the levels of particulate matter (PM) which result when two different unprocessed agricultural waste products were burned in a fixed bed combustor under varied air supply conditions. The properties of the PM emissions obtained are: 1) the overall number/mass concentration along with the emission factors (EFs), 2) the distribution of the number and mass size, and 3) the establishment of the morphology of the particles and the trace elements they contain. The findings indicated a total concentration of 3.1 ± 1.9×10 and 9.6 ± 4.5×10 particles/cm (or number EFs = 3.52×10-2.26×10 and 1.88-5.65×10 particles/kg), whereas the total particle mass was found to be in the range of 5.51-10.4 and 1.45-6.08 mg/m (or mass EFs = 1.58-3.26 g/kg and 0.53-3.37 g/kg) in the case of rice husk and bagasse combustion, respectively. The distribution of the particle sizes was shown to be bimodal for rice husk combustion, but had only a single mode for bagasse combustion. For both fuel types, the predominant particle size emerging during combustion was 0.07μm. From the gravimetric perspective, the dominant sizes were 3.07, 5.13, and 8.09 μm. PM emissions are also affected by the properties of the fuel involved in the combustion process, with ash content, homogeneity of the fuel, and the mineral content all known to be influential factors. It is also understood that the air staging can affect PM emissions during the combustion of rice husks, so a rise in the ratio of secondary air to total air might reduce nanoparticle formation (PM) through a shift to the accumulation mode (PM). The results of assessment of the particle shapes and the evaluation of trace elements showed that the particles formed by the combustion of rice husks were predominantly spherical, which can be explained by the dominance of carbon. In contrast, irregular shapes of particle were obtained in coarse-sized particles and the most dominant element is calcium (Ca) and silicon (Si).

摘要

本研究考察了两种不同的未加工农业废弃物在固定床燃烧器中于不同空气供应条件下燃烧时产生的颗粒物(PM)水平。所获得的PM排放特性包括:1)总体数量/质量浓度以及排放因子(EFs);2)数量和质量粒径分布;3)颗粒形态及其所含微量元素的确定。研究结果表明,稻壳和甘蔗渣燃烧时,颗粒物总浓度分别为3.1±1.9×10和9.6±4.5×10颗粒/cm³(或数量排放因子=3.52×10⁻².26×10和1.88⁻5.65×10颗粒/kg),而颗粒总质量分别在5.51⁻10.4和1.45⁻6.08mg/m³范围内(或质量排放因子=1.58⁻3.26g/kg和0.53⁻3.37g/kg)。稻壳燃烧时粒径分布呈双峰型,而甘蔗渣燃烧时只有一个峰型。对于两种燃料类型,燃烧过程中出现的主要粒径均为0.07μm。从重量分析角度看,主要粒径为3.07、5.13和8.09μm。PM排放还受燃烧过程中所涉及燃料的特性影响,灰分含量、燃料均匀性和矿物质含量均为已知影响因素。还了解到空气分级会影响稻壳燃烧过程中的PM排放,因此二次空气与总空气之比的增加可能会通过向积聚模式(PM)的转变减少纳米颗粒的形成(PM)。颗粒形状评估和微量元素评估结果表明,稻壳燃烧形成的颗粒主要为球形,这可以用碳的主导作用来解释。相比之下,粗颗粒中获得的颗粒形状不规则,最主要的元素是钙(Ca)和硅(Si)。

https://cdn.ncbi.nlm.nih.gov/pmc/blobs/37e7/9449565/a666fceb0dd6/gr4.jpg
https://cdn.ncbi.nlm.nih.gov/pmc/blobs/37e7/9449565/412a54cddda9/gr1.jpg
https://cdn.ncbi.nlm.nih.gov/pmc/blobs/37e7/9449565/fa6f4309e118/gr2.jpg
https://cdn.ncbi.nlm.nih.gov/pmc/blobs/37e7/9449565/131b7b3b0a0e/gr3.jpg
https://cdn.ncbi.nlm.nih.gov/pmc/blobs/37e7/9449565/a666fceb0dd6/gr4.jpg
https://cdn.ncbi.nlm.nih.gov/pmc/blobs/37e7/9449565/412a54cddda9/gr1.jpg
https://cdn.ncbi.nlm.nih.gov/pmc/blobs/37e7/9449565/fa6f4309e118/gr2.jpg
https://cdn.ncbi.nlm.nih.gov/pmc/blobs/37e7/9449565/131b7b3b0a0e/gr3.jpg
https://cdn.ncbi.nlm.nih.gov/pmc/blobs/37e7/9449565/a666fceb0dd6/gr4.jpg

相似文献

1
Particulate matter characterization of the combustion emissions from agricultural waste products.农业废弃物燃烧排放物的颗粒物特征
Heliyon. 2022 Aug 22;8(8):e10392. doi: 10.1016/j.heliyon.2022.e10392. eCollection 2022 Aug.
2
Characterisation of particulate matter emitted from cofiring of lignite and agricultural residues in a fixed-bed combustor.褐煤与农业残余物在固定床燃烧器中混烧排放颗粒物的特性研究
ScientificWorldJournal. 2012;2012:702451. doi: 10.1100/2012/702451. Epub 2012 May 2.
3
Emission factors of particulate matter and elemental carbon for crop residues and coals burned in typical household stoves in China.中国典型户用炉灶燃烧农作物秸秆和煤炭的颗粒物及元素碳排放因子。
Environ Sci Technol. 2010 Sep 15;44(18):7157-62. doi: 10.1021/es101313y.
4
Environmental impact of co-combustion of polyethylene wastes in a rice husks fueled plant: Evaluation of organic micropollutants and PM emissions.聚乙烯废物与稻壳共燃烧对环境的影响:有机微量污染物和 PM 排放的评估。
Sci Total Environ. 2020 May 10;716:135354. doi: 10.1016/j.scitotenv.2019.135354. Epub 2019 Nov 26.
5
Significant ultrafine particle emissions from residential solid fuel combustion.住宅固体燃料燃烧产生大量超细颗粒物排放。
Sci Total Environ. 2020 May 1;715:136992. doi: 10.1016/j.scitotenv.2020.136992. Epub 2020 Jan 28.
6
Effects of fuel types and fuel sulfur content on the characteristics of particulate emissions in marine low-speed diesel engine.燃料类型和燃料含硫量对船用低速柴油机颗粒排放特性的影响。
Environ Sci Pollut Res Int. 2020 Oct;27(30):37229-37236. doi: 10.1007/s11356-019-07168-6. Epub 2019 Dec 31.
7
Emission factors of ultrafine particulate matter (PM<0.1 μm) and particle-bound polycyclic aromatic hydrocarbons from biomass combustion for source apportionment.用于源解析的生物质燃烧产生的超细颗粒物(PM<0.1μm)和颗粒结合多环芳烃的排放因子。
Chemosphere. 2021 Jan;262:127846. doi: 10.1016/j.chemosphere.2020.127846. Epub 2020 Aug 1.
8
Reductions in emissions of carbonaceous particulate matter and polycyclic aromatic hydrocarbons from combustion of biomass pellets in comparison with raw fuel burning.与燃烧原生燃料相比,燃烧生物质颗粒减少了碳质颗粒物和多环芳烃的排放。
Environ Sci Technol. 2012 Jun 5;46(11):6409-16. doi: 10.1021/es300369d. Epub 2012 May 17.
9
National Particle Component Toxicity (NPACT) Initiative: integrated epidemiologic and toxicologic studies of the health effects of particulate matter components.国家颗粒物成分毒性(NPACT)计划:颗粒物成分对健康影响的综合流行病学和毒理学研究。
Res Rep Health Eff Inst. 2013 Oct(177):5-13.
10
Comparison of particle size distributions and elemental partitioning from the combustion of pulverized coal and residual fuel oil.煤粉和渣油燃烧产生的颗粒尺寸分布及元素分配的比较
J Air Waste Manag Assoc. 2000 Aug;50(8):1532-44. doi: 10.1080/10473289.2000.10464171.

本文引用的文献

1
Multi-objective atom search optimization of biodiesel production from palm empty fruit bunch pyrolysis.基于棕榈空果串热解制备生物柴油的多目标原子搜索优化
Heliyon. 2022 Apr 14;8(4):e09280. doi: 10.1016/j.heliyon.2022.e09280. eCollection 2022 Apr.
2
Characterisation of particulate matter emitted from cofiring of lignite and agricultural residues in a fixed-bed combustor.褐煤与农业残余物在固定床燃烧器中混烧排放颗粒物的特性研究
ScientificWorldJournal. 2012;2012:702451. doi: 10.1100/2012/702451. Epub 2012 May 2.
3
Investigation on emission factors of particulate matter and gaseous pollutants from crop residue burning.
作物秸秆焚烧产生的颗粒物和气态污染物排放因子研究。
J Environ Sci (China). 2008;20(1):50-5. doi: 10.1016/s1001-0742(08)60007-8.