Suppr超能文献

从模拟米根霉发酵液中选择性提取二元羧酸。

Selective pertraction of dicarboxylic acids from simulated Rhizopus oryzae fermentation broths.

机构信息

Department of Organic, Biochemical, and Food Engineering, "Cristofor Simionescu" Faculty of Chemical Engineering and Environmental Protection, "Gheorghe Asachi" Technical University of Iasi, Iasi, Romania.

Department of Biomedical Sciences, Faculty of Medical Bioengineering, "Grigore T. Popa" University of Medicine and Pharmacy of Iasi, Iasi, Romania.

出版信息

Sci Rep. 2023 May 3;13(1):7170. doi: 10.1038/s41598-023-34100-3.

Abstract

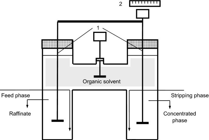
Fumaric, malic and succinic acids have been selectively separated by facilitated pertraction with Amberlite LA-2, using n-heptane as liquid membrane. The feed phase consisted on viscous aqueous solution with similar mixture of carboxylic acids and viscosity as those of Rhizopus oryzae fermentation broth. Due to the differences between the acidities and molecule size of these acids, it is possible to selectively recover fumaric acid from the initial solution. The pH-gradient between the feed and stripping phases, as well as carrier concentration in the liquid membrane represent the main process parameters influencing the pertraction selectivity. Among them, Amberlite LA-2 concentration exhibits the most important control on the selectivity factor S, the maximum value of S being reached for carrier concentration of 30 g/l. The increase of feed phase viscosity amplified the magnitude of these influences on pertraction selectivity, due to the hindrance of acids diffusion towards the region where their reaction with Amberlite LA-2 occurs, effect more important for malic acid. Therefore, by modifying the viscosity from 1 to 24 cP, the maximum value of selectivity factor was increased from 12 to 18.8.

摘要

富马酸、苹果酸和琥珀酸已通过用 Amberlite LA-2 进行促进提取而被选择性地分离,其中使用的是正庚烷作为液膜。进料相由粘性水溶液组成,其中含有与米根霉发酵液相似的羧酸混合物和粘性。由于这些酸的酸度和分子大小存在差异,因此可以从初始溶液中选择性地回收富马酸。在进料相与萃取相之间的 pH 梯度以及液膜中的载体浓度是影响萃取选择性的主要过程参数。其中,Amberlite LA-2 浓度对选择性因子 S 的控制最为重要,当载体浓度达到 30 g/l 时,S 的最大值达到。由于酸向与 Amberlite LA-2 发生反应的区域扩散受到阻碍,进料相的粘度增加放大了这些对萃取选择性的影响,对于苹果酸,这种影响更为重要。因此,通过将粘度从 1 增加到 24 cP,可以将选择性因子的最大值从 12 增加到 18.8。

https://cdn.ncbi.nlm.nih.gov/pmc/blobs/a7d5/10156872/fb9199880540/41598_2023_34100_Fig1_HTML.jpg

文献AI研究员

20分钟写一篇综述,助力文献阅读效率提升50倍。

立即体验

用中文搜PubMed

大模型驱动的PubMed中文搜索引擎

马上搜索

文档翻译

学术文献翻译模型,支持多种主流文档格式。

立即体验