• 文献检索
  • 文档翻译
  • 深度研究
  • 学术资讯
  • Suppr Zotero 插件Zotero 插件
  • 邀请有礼
  • 套餐&价格
  • 历史记录
应用&插件
Suppr Zotero 插件Zotero 插件浏览器插件Mac 客户端Windows 客户端微信小程序
定价
高级版会员购买积分包购买API积分包
服务
文献检索文档翻译深度研究API 文档MCP 服务
关于我们
关于 Suppr公司介绍联系我们用户协议隐私条款
关注我们

Suppr 超能文献

核心技术专利:CN118964589B侵权必究
粤ICP备2023148730 号-1Suppr @ 2026

文献检索

告别复杂PubMed语法,用中文像聊天一样搜索,搜遍4000万医学文献。AI智能推荐,让科研检索更轻松。

立即免费搜索

文件翻译

保留排版,准确专业,支持PDF/Word/PPT等文件格式,支持 12+语言互译。

免费翻译文档

深度研究

AI帮你快速写综述,25分钟生成高质量综述,智能提取关键信息,辅助科研写作。

立即免费体验

细支气管炎与结缔组织疾病的关联。

Association of bronchiolitis with connective tissue disorders.

作者信息

Hakala M, Pääkkö P, Sutinen S, Huhti E, Koivisto O, Tarkka M

出版信息

Ann Rheum Dis. 1986 Aug;45(8):656-62. doi: 10.1136/ard.45.8.656.

DOI:10.1136/ard.45.8.656
PMID:3740995
原文链接:https://pmc.ncbi.nlm.nih.gov/articles/PMC1001963/
Abstract

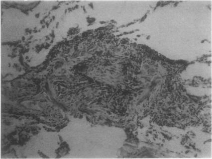
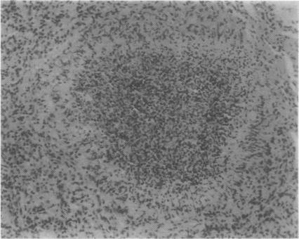
Among 173 consecutive open lung biopsies, nine gave a histopathological diagnosis of bronchiolitis. Seven of these patients had some connective tissue disorder (CTD), six of whom are presented in this report; two had classical and one possible rheumatoid arthritis (RA), one ankylosing spondylitis, one scleroderma, and one developed classical RA four years after biopsy. Four of the patients were smokers, most suffered from breathlessness and cough. In terms of lung function three patients had obstruction, one both restriction and obstruction and three a decreased diffusion capacity. For control purposes peripheral lung tissue was studied histologically from 24 consecutive smoking patients without CTD who underwent a lobectomy for cancer. Intraluminal plugs and mucosal lymphoplasmocytic infiltration of the bronchiolar walls were more prevalent and abundant in the CTD patients than in the controls (p less than 0.02 and p less than 0.001 respectively). Two CTD patients also showed some obliterative bronchiolitis. Corticosteroids were effective in one out of four patients treated. One patient improved and the others did not show any progression during the follow up. The results suggest that smoking alone does not explain the lesions of the small airways found in CTD patients, and that bronchiolitis may be specifically associated with the basic disorder in such cases.

摘要

在173例连续的开胸肺活检中,9例组织病理学诊断为细支气管炎。其中7例患者患有某种结缔组织病(CTD),本报告介绍了其中6例;2例患有典型类风湿关节炎(RA),1例可能患有RA,1例强直性脊柱炎,1例硬皮病,1例在活检后四年发展为典型RA。4例患者吸烟,多数有气促和咳嗽症状。肺功能方面,3例有阻塞性病变,1例有阻塞性和限制性病变,3例弥散功能降低。为作对照,对24例连续的因癌症接受肺叶切除术、无CTD的吸烟患者的外周肺组织进行了组织学研究。与对照组相比,CTD患者的细支气管腔内栓子和支气管壁黏膜淋巴细胞浸润更为普遍且更明显(分别为p<0.02和p<0.001)。2例CTD患者也显示有闭塞性细支气管炎。4例接受治疗的患者中1例对皮质类固醇有效。1例患者病情改善,其他患者在随访期间无病情进展。结果表明,单纯吸烟不能解释CTD患者中发现的小气道病变,在这些病例中细支气管炎可能与基础疾病有特定关联。

https://cdn.ncbi.nlm.nih.gov/pmc/blobs/ecf1/1001963/d5c2d9636e5f/annrheumd00275-0044-d.jpg
https://cdn.ncbi.nlm.nih.gov/pmc/blobs/ecf1/1001963/bffc61757cf7/annrheumd00275-0043-a.jpg
https://cdn.ncbi.nlm.nih.gov/pmc/blobs/ecf1/1001963/d408755629ef/annrheumd00275-0044-a.jpg
https://cdn.ncbi.nlm.nih.gov/pmc/blobs/ecf1/1001963/99f97e585cf5/annrheumd00275-0044-b.jpg
https://cdn.ncbi.nlm.nih.gov/pmc/blobs/ecf1/1001963/5a868b010c8b/annrheumd00275-0044-c.jpg
https://cdn.ncbi.nlm.nih.gov/pmc/blobs/ecf1/1001963/d5c2d9636e5f/annrheumd00275-0044-d.jpg
https://cdn.ncbi.nlm.nih.gov/pmc/blobs/ecf1/1001963/bffc61757cf7/annrheumd00275-0043-a.jpg
https://cdn.ncbi.nlm.nih.gov/pmc/blobs/ecf1/1001963/d408755629ef/annrheumd00275-0044-a.jpg
https://cdn.ncbi.nlm.nih.gov/pmc/blobs/ecf1/1001963/99f97e585cf5/annrheumd00275-0044-b.jpg
https://cdn.ncbi.nlm.nih.gov/pmc/blobs/ecf1/1001963/5a868b010c8b/annrheumd00275-0044-c.jpg
https://cdn.ncbi.nlm.nih.gov/pmc/blobs/ecf1/1001963/d5c2d9636e5f/annrheumd00275-0044-d.jpg

相似文献

1
Association of bronchiolitis with connective tissue disorders.细支气管炎与结缔组织疾病的关联。
Ann Rheum Dis. 1986 Aug;45(8):656-62. doi: 10.1136/ard.45.8.656.
2
FEV1 over time in patients with connective tissue disease-related bronchiolitis.结缔组织病相关细支气管炎患者的 FEV1 随时间的变化。
Respir Med. 2013 Jun;107(6):883-9. doi: 10.1016/j.rmed.2013.02.019. Epub 2013 Apr 10.
3
Combined pulmonary fibrosis and emphysema syndrome in connective tissue disease.结缔组织病合并肺纤维化和肺气肿综合征
Arthritis Rheum. 2011 Jan;63(1):295-304. doi: 10.1002/art.30077.
4
Constrictive (Obliterative) Bronchiolitis as Presenting Manifestation of Connective Tissue Diseases.以缩窄性(闭塞性)细支气管炎为表现的结缔组织病。
J Clin Rheumatol. 2020 Aug;26(5):176-180. doi: 10.1097/RHU.0000000000001387.
5
Follicular bronchiolitis in association with connective tissue diseases.
Lung. 1985;163(5):305-14. doi: 10.1007/BF02713828.
6
Role of High-Resolution CT Thorax in Diagnosing Interstitial Lung Disease and Its Association With Smoking and Connective Tissue Disorder.高分辨率胸部CT在诊断间质性肺疾病中的作用及其与吸烟和结缔组织病的关联
Cureus. 2022 Nov 4;14(11):e31107. doi: 10.7759/cureus.31107. eCollection 2022 Nov.
7
Bronchiolitis in rheumatoid arthritis.类风湿关节炎中的细支气管炎
Chest. 1984 May;85(5):705-8. doi: 10.1378/chest.85.5.705.
8
Cyclophosphamide for connective tissue disease-associated interstitial lung disease.环磷酰胺用于治疗结缔组织病相关的间质性肺疾病。
Cochrane Database Syst Rev. 2018 Jan 3;1(1):CD010908. doi: 10.1002/14651858.CD010908.pub2.
9
Bronchiolitis in association with connective tissue disorders.细支气管炎与结缔组织疾病相关
Clin Chest Med. 1993 Dec;14(4):655-66.
10
Association of serum KL-6 levels with interstitial lung disease in patients with connective tissue disease: a cross-sectional study.结缔组织病患者血清KL-6水平与间质性肺疾病的关联:一项横断面研究。
Clin Rheumatol. 2016 Mar;35(3):663-6. doi: 10.1007/s10067-015-3167-8. Epub 2016 Jan 13.

引用本文的文献

1
Two in one: Overlapping CT findings of COVID-19 and underlying lung diseases.两病重叠:COVID-19 与基础肺部疾病的 CT 表现重叠。
Clin Imaging. 2023 Jan;93:60-69. doi: 10.1016/j.clinimag.2022.11.005. Epub 2022 Nov 12.
2
State-of-the-Art Imaging of the Lung for Connective Tissue Disease (CTD).结缔组织病(CTD)肺部的最新成像技术
Curr Rheumatol Rep. 2015 Dec;17(12):69. doi: 10.1007/s11926-015-0546-8.
3
FEV1 over time in patients with connective tissue disease-related bronchiolitis.结缔组织病相关细支气管炎患者的 FEV1 随时间的变化。

本文引用的文献

1
THE EPIDEMIOLOGY OF RHEUMATIC DISEASES.风湿性疾病的流行病学
Ann Rheum Dis. 1964 Mar;23(2):109-22. doi: 10.1136/ard.23.2.109.
2
1958 Revision of diagnostic criteria for rheumatoid arthritis.1958年类风湿关节炎诊断标准修订版。
Bull Rheum Dis. 1958 Dec;9(4):175-6.
3
Preliminary criteria for the classification of systemic sclerosis (scleroderma). Subcommittee for scleroderma criteria of the American Rheumatism Association Diagnostic and Therapeutic Criteria Committee.系统性硬化症(硬皮病)分类的初步标准。美国风湿病协会诊断与治疗标准委员会硬皮病标准小组委员会。
Respir Med. 2013 Jun;107(6):883-9. doi: 10.1016/j.rmed.2013.02.019. Epub 2013 Apr 10.
4
Small airway obstruction in patients with rheumatoid arthritis.类风湿关节炎患者的小气道阻塞。
Mod Rheumatol. 2011 Apr;21(2):164-73. doi: 10.1007/s10165-010-0376-5. Epub 2010 Dec 7.
5
Challenges in pulmonary fibrosis. 2: Bronchiolocentric fibrosis.肺纤维化的挑战。2:细支气管周围纤维化。
Thorax. 2007 Jul;62(7):638-49. doi: 10.1136/thx.2004.031005.
6
Organising pneumonia.机化性肺炎
Thorax. 2000 Apr;55(4):318-28. doi: 10.1136/thorax.55.4.318.
7
Open lung biopsy of patients with rheumatoid arthritis.类风湿关节炎患者的开胸肺活检
Clin Rheumatol. 1990 Dec;9(4):452-60. doi: 10.1007/BF02030506.
8
Chronic transmural bronchiolitis: a non-specific lesion of small airways.慢性透壁性细支气管炎:小气道的一种非特异性病变。
J Clin Pathol. 1992 Nov;45(11):993-8. doi: 10.1136/jcp.45.11.993.
Arthritis Rheum. 1980 May;23(5):581-90. doi: 10.1002/art.1780230510.
4
Bronchiolitis and rheumatoid arthritis.细支气管炎与类风湿性关节炎。
Am Rev Respir Dis. 1981 Nov;124(5):636-9. doi: 10.1164/arrd.1981.124.5.636.
5
Obliterative bronchiolitis in two rheumatoid arthritis patients treated with penicillamine.两名接受青霉胺治疗的类风湿关节炎患者发生闭塞性细支气管炎。
Arthritis Rheum. 1981 Mar;24(3):557-60. doi: 10.1002/art.1780240318.
6
Bronchiolitis in systemic lupus erythematosus.系统性红斑狼疮中的细支气管炎
Chest. 1982 Nov;82(5):646-9. doi: 10.1378/chest.82.5.646.
7
Obliterative bronchiolitis in rheumatoid arthritis.类风湿关节炎中的闭塞性细支气管炎
Ann Rheum Dis. 1982 Oct;41(5):469-72. doi: 10.1136/ard.41.5.469.
8
Case records of the Massachusetts General Hospital. Weekly clinicopathological exercises. Case 3-1982. An elderly woman with mild rheumatoid arthritis and progressive pulmonary fibrosis.
N Engl J Med. 1982 Jan 21;306(3):157-65. doi: 10.1056/NEJM198201213060307.
9
Progressive obliterative bronchiolitis in a patient with rheumatoid arthritis.一名类风湿关节炎患者的进行性闭塞性细支气管炎
Eur J Respir Dis Suppl. 1982;121:43-52.
10
Airway disease in a subset of nonsmoking rheumatoid patients. Characterization of the disease and evidence for an autoimmune pathogenesis.一部分非吸烟类风湿患者的气道疾病。疾病特征及自身免疫发病机制的证据。
Am J Med. 1982 May;72(5):743-50. doi: 10.1016/0002-9343(82)90539-3.