Department of Chemical Engineering & Chemistry and Institute for Complex Molecular Systems, Eindhoven University of Technology, P.O. Box 513, 5600 MB Eindhoven, The Netherlands.
Biomacromolecules. 2024 Jul 8;25(7):4203-4214. doi: 10.1021/acs.biomac.4c00292. Epub 2024 Jun 11.
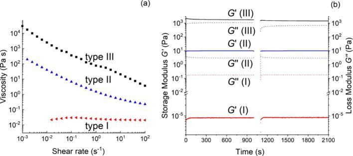
Water-borne coatings were prepared from poly(methyl methacrylate--butyl acrylate) latexes using different methacrylic acid containing macromonomers as stabilizers, and their physical properties were determined. The amphiphilic methacrylic acid macromonomers containing methyl, butyl, or lauryl methacrylate as hydrophobic comonomers were synthesized via catalytic chain transfer polymerization to give stabilizers with varying architecture, composition, and molar mass. A range of latexes of virtually the same composition was prepared by keeping the content of methacrylic acid groups during the emulsion polymerization constant and by only varying the microstructure of the macromonomers. These latexes displayed a range of rheological behaviors: from highly viscous and shear thinning to low viscous and Newtonian. The contact angles of the resulting coatings ranged from very hydrophilic (<10°) to almost hydrophobic (88°), and differences in hardness, roughness, and water vapor sorption and permeability were found.
用水性涂料由聚(甲基丙烯酸甲酯-丙烯酸丁酯)胶乳使用不同的含甲基丙烯酸大分子单体作为稳定剂,并确定其物理性能。两亲性甲基丙烯酸大分子单体含有甲基、丁基或月桂基甲基丙烯酸酯作为疏水性共聚单体通过催化链转移聚合得到不同结构、组成和分子量的稳定剂。通过保持乳液聚合过程中含甲基丙烯酸基团的含量不变,只改变大分子单体的微观结构,制备了一系列组成基本相同的胶乳。这些乳胶表现出一系列流变行为:从高粘性和剪切变稀到低粘性和牛顿型。所得涂层的接触角范围从非常亲水(<10°)到几乎疏水(88°),硬度、粗糙度、水蒸气吸附和渗透率也存在差异。