• 文献检索
  • 文档翻译
  • 深度研究
  • 学术资讯
  • Suppr Zotero 插件Zotero 插件
  • 邀请有礼
  • 套餐&价格
  • 历史记录
应用&插件
Suppr Zotero 插件Zotero 插件浏览器插件Mac 客户端Windows 客户端微信小程序
定价
高级版会员购买积分包购买API积分包
服务
文献检索文档翻译深度研究API 文档MCP 服务
关于我们
关于 Suppr公司介绍联系我们用户协议隐私条款
关注我们

Suppr 超能文献

核心技术专利:CN118964589B侵权必究
粤ICP备2023148730 号-1Suppr @ 2026

文献检索

告别复杂PubMed语法,用中文像聊天一样搜索,搜遍4000万医学文献。AI智能推荐,让科研检索更轻松。

立即免费搜索

文件翻译

保留排版,准确专业,支持PDF/Word/PPT等文件格式,支持 12+语言互译。

免费翻译文档

深度研究

AI帮你快速写综述,25分钟生成高质量综述,智能提取关键信息,辅助科研写作。

立即免费体验

在计算感应式电流互感器的电流误差和相位移值时磁芯磁化特性的非线性

Nonlinearity of the magnetization characteristic of the magnetic core in calculation of current error and phase displacement values of inductive CTs.

作者信息

Kaczmarek Michał

机构信息

Institute of Mechatronics and Information Systems, Lodz University of Technology, Łódź, Poland.

出版信息

Sci Rep. 2025 Mar 23;15(1):10011. doi: 10.1038/s41598-025-94803-7.

DOI:10.1038/s41598-025-94803-7
PMID:40122912
原文链接:https://pmc.ncbi.nlm.nih.gov/articles/PMC11930955/
Abstract

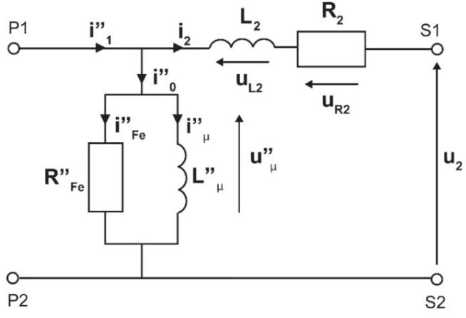
This paper explores the implications of employing a load exhibiting a power factor of 1 to test the transformation accuracy of an inductive current transformer with an apparent power below 5 VA. It offers an explanation of the change in current error and phase displacement correlates with the load power factor. The impact of the load power factor on the secondary winding on the accuracy of inductive CT is investigated in detail. The paper introduces a newly developed method that allows for the calculation of current error and phase displacement values for any power factor with consideration of the nonlinearity of the magnetization characteristic of the magnetic core. To ensure required accuracy of calculations of utmost significance is the potential RMS value modification of the magnetic core excitation voltage, which may further impact the transformation accuracy. Consequently, the operational conditions during the test are modified, and, owing to the nonlinearity of the magnetization characteristic of the magnetic core, the values of current error and phase displacement are also changed-not only due to a different load power factor connected to the secondary winding of the tested inductive current transformer. To maintain consistent operational conditions for a given secondary winding load power factor, the resistance connected to the secondary winding during the accuracy test with the power factor equal to 1 should be corrected. Moreover, the findings of this paper lead to the conclusion that evaluation of the transformation accuracy of inductive current transformer for both secondary winding load power factors is essential to ensure its reliable future operation in real conditions with the required accuracy class.

摘要

本文探讨了采用功率因数为1的负载来测试视在功率低于5VA的感应式电流互感器的变比精度的影响。文中解释了电流误差和相位移的变化与负载功率因数的关系。详细研究了负载功率因数对感应式电流互感器二次绕组精度的影响。本文介绍了一种新开发的方法,该方法考虑了磁芯磁化特性的非线性,能够计算任意功率因数下的电流误差和相位移值。为确保计算的准确性至关重要的是磁芯励磁电压的有效值可能会进一步影响变比精度。因此,测试期间的运行条件会发生变化,并且由于磁芯磁化特性的非线性,电流误差和相位移的值也会改变,这不仅是因为连接到被测感应式电流互感器二次绕组的负载功率因数不同。为了在给定的二次绕组负载功率因数下保持一致的运行条件,在功率因数等于1的精度测试期间连接到二次绕组的电阻应进行校正。此外,本文的研究结果得出结论,评估感应式电流互感器在两种二次绕组负载功率因数下的变比精度对于确保其在实际条件下以所需精度等级可靠运行至关重要。

https://cdn.ncbi.nlm.nih.gov/pmc/blobs/e570/11930955/5a9deb088cb2/41598_2025_94803_Fig3_HTML.jpg
https://cdn.ncbi.nlm.nih.gov/pmc/blobs/e570/11930955/290829b371b8/41598_2025_94803_Fig1_HTML.jpg
https://cdn.ncbi.nlm.nih.gov/pmc/blobs/e570/11930955/e9de5ea409db/41598_2025_94803_Fig2_HTML.jpg
https://cdn.ncbi.nlm.nih.gov/pmc/blobs/e570/11930955/5a9deb088cb2/41598_2025_94803_Fig3_HTML.jpg
https://cdn.ncbi.nlm.nih.gov/pmc/blobs/e570/11930955/290829b371b8/41598_2025_94803_Fig1_HTML.jpg
https://cdn.ncbi.nlm.nih.gov/pmc/blobs/e570/11930955/e9de5ea409db/41598_2025_94803_Fig2_HTML.jpg
https://cdn.ncbi.nlm.nih.gov/pmc/blobs/e570/11930955/5a9deb088cb2/41598_2025_94803_Fig3_HTML.jpg

相似文献

1
Nonlinearity of the magnetization characteristic of the magnetic core in calculation of current error and phase displacement values of inductive CTs.在计算感应式电流互感器的电流误差和相位移值时磁芯磁化特性的非线性
Sci Rep. 2025 Mar 23;15(1):10011. doi: 10.1038/s41598-025-94803-7.
2
Transformation of Transient Overvoltages by Inductive Voltage Transformers.感应式电压互感器对暂态过电压的变换
Sensors (Basel). 2021 Jun 17;21(12):4167. doi: 10.3390/s21124167.
3
Wideband Self-Calibration Method of Inductive CTs and Verification of Determined Values of Current and Phase Errors at Harmonics for Transformation of Distorted Current.感应式电流互感器的宽带自校准方法及畸变电流变换时谐波电流和相位误差定值的验证
Sensors (Basel). 2020 Apr 11;20(8):2167. doi: 10.3390/s20082167.
4
Development of Inductive Current Transformer 400/5/1 of Class 0.2S for Frequency Range 50 Hz-5 kHz.用于50Hz - 5kHz频率范围的0.2S级400/5/1感应式电流互感器的研制。
Sensors (Basel). 2024 Dec 15;24(24):8011. doi: 10.3390/s24248011.
5
Current Ratio and Stability Issues of Electronically Enhanced Current Transformer Stimulated by Stray Inter-Winding Capacitance and Secondary-Side Disturbance Voltage.由杂散绕组间电容和二次侧干扰电压激发的电子增强型电流互感器的电流比和稳定性问题
Sensors (Basel). 2022 Oct 6;22(19):7565. doi: 10.3390/s22197565.
6
On the Long-Period Accuracy Behavior of Inductive and Low-Power Instrument Transformers.关于感应式和低功率仪表变压器的长期精度特性
Sensors (Basel). 2020 Oct 14;20(20):5810. doi: 10.3390/s20205810.
7
Iron Loss and Temperature Rise Analysis of a Transformer Core Considering Vector Magnetic Hysteresis Characteristics under Direct Current Bias.考虑直流偏置下矢量磁滞特性的变压器铁芯铁损及温升分析
Materials (Basel). 2024 Jul 31;17(15):3767. doi: 10.3390/ma17153767.
8
Design and Performance Test of Transformer Winding Optical Fibre Composite Wire Based on Raman Scattering.基于拉曼散射的变压器绕组光纤复合线的设计与性能测试
Sensors (Basel). 2019 May 10;19(9):2171. doi: 10.3390/s19092171.
9
Distributed temperature detection of transformer windings with externally applied distributed optical fiber.采用外部敷设分布式光纤对变压器绕组进行分布式温度检测。
Appl Opt. 2019 Oct 10;58(29):7962-7969. doi: 10.1364/AO.58.007962.
10
Research on Coil Impedance of Self-Inductive Displacement Sensor Considering Core Eddy Current.考虑铁芯涡流的自感式位移传感器线圈阻抗研究
Sensors (Basel). 2021 Sep 20;21(18):6292. doi: 10.3390/s21186292.

引用本文的文献

1
Measurement System and Testing Procedure for Characterization of the Conversion Accuracy of Voltage-to-Voltage and Voltage-to-Current Integrating Circuits for Rogowski Coils.用于表征罗果夫斯基线圈电压 - 电压和电压 - 电流积分电路转换精度的测量系统及测试程序。
Sensors (Basel). 2025 Oct 14;25(20):6357. doi: 10.3390/s25206357.
2
Analytical Investigation of Primary Waveform Distortion Effect on Magnetic Flux Density in the Magnetic Core of Inductive Current Transformer and Its Transformation Accuracy.感应式电流互感器磁芯中一次波形畸变对磁通密度及其变换精度影响的分析研究
Sensors (Basel). 2025 Aug 6;25(15):4837. doi: 10.3390/s25154837.

本文引用的文献

1
Characterization of Instrument Transformers under Realistic Conditions: Impact of Single and Combined Influence Quantities on Their Wideband Behavior.实际条件下互感器的特性:单一及组合影响量对其宽带特性的影响
Sensors (Basel). 2023 Sep 12;23(18):7833. doi: 10.3390/s23187833.
2
On the Long-Period Accuracy Behavior of Inductive and Low-Power Instrument Transformers.关于感应式和低功率仪表变压器的长期精度特性
Sensors (Basel). 2020 Oct 14;20(20):5810. doi: 10.3390/s20205810.