Suppr超能文献

基于四质量热模型的轧机电机温度观测器

Motor Temperature Observer for Four-Mass Thermal Model Based Rolling Mills.

作者信息

Loginov Boris M, Voronin Stanislav S, Lisovskiy Roman A, Khramshin Vadim R, Radionova Liudmila V

机构信息

Department of Automation and Control, Moscow Polytechnic University, 38, Bolshaya Semyonovskaya Str., 107023 Moscow, Russia.

Power Engineering and Automated Systems Institute, Nosov Magnitogorsk State Technical University, 455000 Magnitogorsk, Russia.

出版信息

Sensors (Basel). 2025 Jul 17;25(14):4458. doi: 10.3390/s25144458.

Abstract

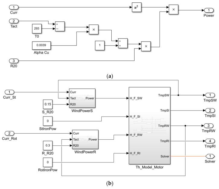
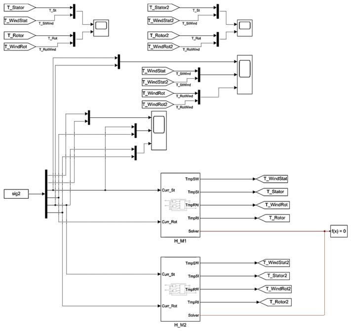
Thermal control in rolling mills motors is gaining importance as more and more hard-to-deform steel grades are rolled. The capabilities of diagnostics monitoring also expand as digital IIoT-based technologies are adopted. Electrical drives in modern rolling mills are based on synchronous motors with frequency regulation. Such motors are expensive, while their reliability impacts the metallurgical plant output. Hence, developing the on-line temperature monitoring systems for such motors is extremely urgent. This paper presents a solution applying to synchronous motors of the upper and lower rolls in the horizontal roll stand of plate mill 5000. The installed capacity of each motor is 12 MW. According to the digitalization tendency, on-line monitoring systems should be based on digital shadows (coordinate observers) that are similar to digital twins, widely introduced at metallurgical plants. Modern reliability requirements set the continuous temperature monitoring for stator and rotor windings and iron core. This article is the first to describe a method for calculating thermal loads based on the data sets created during rolling. The authors have developed a thermal state observer based on four-mass model of motor heating built using the Simscape Thermal Models library domains that is part of the MATLAB Simulink. Virtual adjustment of the observer and of the thermal model was performed using hardware-in-the-loop (HIL) simulation. The authors have validated the results by comparing the observer's values with the actual values measured at control points. The discrete masses heating was studied during the rolling cycle. The stator and rotor winding temperature was analysed at different periods. The authors have concluded that the motors of the upper and lower rolls are in a satisfactory condition. The results of the study conducted generally develop the idea of using object-oriented digital shadows for the industrial electrical equipment. The authors have introduced technologies that improve the reliability of the rolling mills electrical drives which accounts for the innovative development in metallurgy. The authors have also provided recommendations on expanded industrial applications of the research results.

摘要

随着越来越多难以变形的钢种被轧制,轧机电机的热控制变得愈发重要。随着基于数字工业物联网的技术被采用,诊断监测的能力也得到了扩展。现代轧机中的电气驱动基于带有频率调节的同步电机。此类电机价格昂贵,而其可靠性会影响冶金厂的产量。因此,为这类电机开发在线温度监测系统极为迫切。本文提出了一种适用于5000中板轧机水平轧机机架上下轧辊同步电机的解决方案。每台电机的装机容量为12兆瓦。根据数字化趋势,在线监测系统应基于类似于数字孪生的数字影子(坐标观测器),这种数字影子在冶金厂中被广泛引入。现代可靠性要求对定子、转子绕组和铁芯进行连续温度监测。本文首次描述了一种基于轧制过程中创建的数据集来计算热负荷的方法。作者基于MATLAB Simulink的一部分Simscape Thermal Models库域构建的电机发热四质量模型开发了一种热状态观测器。使用硬件在环(HIL)仿真对观测器和热模型进行了虚拟调整。作者通过将观测器的值与控制点处测量的实际值进行比较来验证结果。研究了轧制周期内离散质量的发热情况。分析了不同时期定子和转子绕组的温度。作者得出结论,上下轧辊的电机状况良好。该研究结果总体上拓展了将面向对象的数字影子用于工业电气设备的理念。作者引入了提高轧机电气驱动可靠性的技术,这构成了冶金领域的创新发展。作者还就研究结果的扩大工业应用提供了建议。

https://cdn.ncbi.nlm.nih.gov/pmc/blobs/57b1/12300649/09a47adaca6b/sensors-25-04458-g001.jpg

文献检索

告别复杂PubMed语法,用中文像聊天一样搜索,搜遍4000万医学文献。AI智能推荐,让科研检索更轻松。

立即免费搜索

文件翻译

保留排版,准确专业,支持PDF/Word/PPT等文件格式,支持 12+语言互译。

免费翻译文档

深度研究

AI帮你快速写综述,25分钟生成高质量综述,智能提取关键信息,辅助科研写作。

立即免费体验