Suppr超能文献

使用宽带功率分析仪对50Hz至150kHz电流互感器进行校准的测量系统。

Measurement System for Current Transformer Calibration from 50 Hz to 150 kHz Using a Wideband Power Analyzer.

作者信息

Rom Mano, van den Brom Helko E, Houtzager Ernest, van Leeuwen Ronald, van der Born Dennis, Rietveld Gert, Muñoz Fabio

机构信息

VSL B.V. (VSL), 2629 JA Delft, The Netherlands.

Electrical Sustainable Energy Department, Delft University of Technology (TU Delft), 2628 CD Delft, The Netherlands.

出版信息

Sensors (Basel). 2025 Sep 2;25(17):5429. doi: 10.3390/s25175429.

Abstract

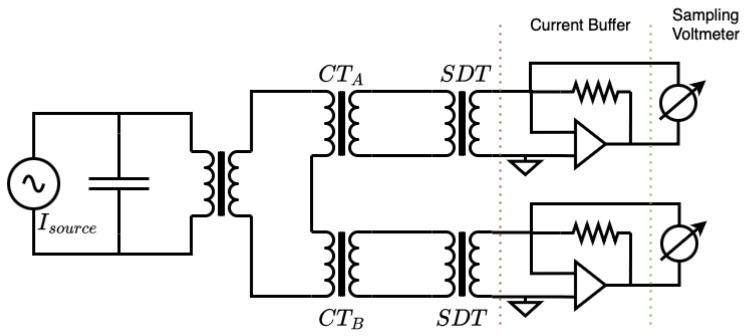
Accurate and reliable characterization of current transformer (CT) performance is essential for maintaining grid stability and power quality in modern electrical networks. CT measurements are key to effective monitoring of harmonic distortions, supporting regulatory compliance and ensuring the safe operation of the grid. This paper addresses a method for the characterization of CTs across an extended frequency range from 50 Hz up to 150 kHz, driven by increasing power quality issues introduced by renewable energy installations and non-linear loads. Traditional CT calibration approaches involve measurement setups that offer ppm-level uncertainty but are complex to operate and limited in practical frequency range. To simplify and expand calibration capabilities, a calibration system employing a sampling ammeter (power analyzer) was developed, enabling the direct measurement of CT secondary currents of an unknown CT and a reference CT without any further auxiliary equipment. The resulting expanded magnitude ratio uncertainties for the wideband CT calibration system are 10 ppm (k=2) up to 10 kHz and less than 120 ppm from 10 kHz to 150 kHz; these uncertainties do not include the uncertainty of the reference CT. Additionally, the operational conditions and setup design choices, such as instrument warm-up duration, grounding methods, measurement shunt selection, and cable type, were evaluated for their impact on measurement uncertainty and repeatability. The results highlight the significance of minimizing parasitic impedances at higher frequencies and maintaining consistent testing conditions. The developed calibration setup provides a robust foundation for future standardization efforts and practical guidance to characterize CT performance in the increasingly important supraharmonic frequency range.

摘要

准确可靠地表征电流互感器(CT)的性能对于维持现代电网的稳定性和电能质量至关重要。CT测量是有效监测谐波失真、支持合规监管以及确保电网安全运行的关键。本文介绍了一种在从50Hz到150kHz的扩展频率范围内表征CT的方法,这是由可再生能源装置和非线性负载带来的日益严重的电能质量问题所驱动的。传统的CT校准方法涉及的测量设置可提供ppm级的不确定性,但操作复杂且实际频率范围有限。为了简化和扩展校准能力,开发了一种采用采样电流表(功率分析仪)的校准系统,无需任何额外辅助设备即可直接测量未知CT和参考CT的二次电流。宽带CT校准系统由此产生的扩展幅值比不确定度在10kHz以下为10ppm(k=2),在10kHz至150kHz之间小于120ppm;这些不确定度不包括参考CT的不确定度。此外,还评估了诸如仪器预热时间、接地方法、测量分流器选择和电缆类型等操作条件和设置设计选择对测量不确定度和重复性的影响。结果突出了在较高频率下最小化寄生阻抗以及保持一致测试条件的重要性。所开发的校准设置为未来的标准化工作提供了坚实基础,并为在日益重要的超谐波频率范围内表征CT性能提供了实用指导。

https://cdn.ncbi.nlm.nih.gov/pmc/blobs/eca9/12431043/e1dc48952425/sensors-25-05429-g001.jpg

文献AI研究员

20分钟写一篇综述,助力文献阅读效率提升50倍。

立即体验

用中文搜PubMed

大模型驱动的PubMed中文搜索引擎

马上搜索

文档翻译

学术文献翻译模型,支持多种主流文档格式。

立即体验