• 文献检索
  • 文档翻译
  • 深度研究
  • 学术资讯
  • Suppr Zotero 插件Zotero 插件
  • 邀请有礼
  • 套餐&价格
  • 历史记录
应用&插件
Suppr Zotero 插件Zotero 插件浏览器插件Mac 客户端Windows 客户端微信小程序
定价
高级版会员购买积分包购买API积分包
服务
文献检索文档翻译深度研究API 文档MCP 服务
关于我们
关于 Suppr公司介绍联系我们用户协议隐私条款
关注我们

Suppr 超能文献

核心技术专利:CN118964589B侵权必究
粤ICP备2023148730 号-1Suppr @ 2026

文献检索

告别复杂PubMed语法,用中文像聊天一样搜索,搜遍4000万医学文献。AI智能推荐,让科研检索更轻松。

立即免费搜索

文件翻译

保留排版,准确专业,支持PDF/Word/PPT等文件格式,支持 12+语言互译。

免费翻译文档

深度研究

AI帮你快速写综述,25分钟生成高质量综述,智能提取关键信息,辅助科研写作。

立即免费体验

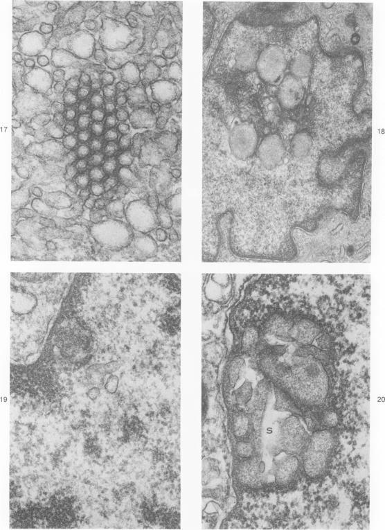
纤维化肺部疾病患者肺泡上皮中的核内包涵体。

Nuclear inclusions in alveolar epithelium of patients with fibrotic lung disorders.

作者信息

Kawanami O, Ferrans V J, Fulmer J D, Crystal R G

出版信息

Am J Pathol. 1979 Feb;94(2):301-22.

PMID:426030
原文链接:https://pmc.ncbi.nlm.nih.gov/articles/PMC2042251/
Abstract

Ultrastructural study of pulmonary biopsy specimens from patients with fibrotic lung disease disclosed the presence of nuclear inclusions in 1% or less of cuboidal alveolar epithelial cells in 9 of 19 patients, including 6 of 12 patients with idiopathic pulmonary fibrosis, 2 of 3 patients with collagen-vascular disease, and 1 of 3 patients with sarcoidosis. Nuclear inclusions were not observed by ultrastructural study in 5 control patients. The inclusions consisted of masses or aggregates of tubules which probably were derived from the inner nuclear membranes. These tubules were smooth-walled, showed branchings and bifurcations, were composed of single trilaminar membranes, usually had a clear content, and ranged from 500 to 1000 A in diameter. They resembled nuclear tubules which occur in other cell types under conditions of rapid growth or specific hormonal stimulation. Statistically significant differences between the groups of patients with and without nuclear inclusions in cuboidal alveolar epithelial cells were not found with respect to smoking history, degree of fibrosis in the lung biopsy specimen, or the degree of pulmonary physiologic impairment. However, the average age of the patients having nuclear inclusions was significantly greater than that of patients not having nuclear inclusions. In addition, the frequency of indentations in the nuclei of cuboidal alveolar epithelial cells was greater in patients with nuclear inclusions than in patients without nuclear inclusions. Highly significant correlations were observed between the presence of nuclear inclusions and the presence of a) anchoring fibrils and hemidesmosomes along the basal surfaces of alveolar epithelial cells and b) multilayering of the alveolar epithelium.

摘要

对肺纤维化疾病患者的肺活检标本进行超微结构研究发现,19例患者中有9例(包括12例特发性肺纤维化患者中的6例、3例胶原血管病患者中的2例以及3例结节病患者中的1例),1%或更少的立方肺泡上皮细胞中存在核内包涵体。5例对照患者经超微结构研究未观察到核内包涵体。这些包涵体由可能源自内核膜的小管团块或聚集体组成。这些小管壁光滑,有分支和分叉,由单层三层膜组成,通常内容物清晰,直径在500至1000埃之间。它们类似于在其他细胞类型快速生长或特定激素刺激条件下出现的核小管。在有和没有立方肺泡上皮细胞核内包涵体的患者组之间,在吸烟史、肺活检标本中的纤维化程度或肺生理损害程度方面未发现统计学上的显著差异。然而,有核内包涵体的患者的平均年龄显著高于没有核内包涵体的患者。此外,有核内包涵体的患者立方肺泡上皮细胞核内凹陷的频率高于没有核内包涵体的患者。在核内包涵体的存在与以下情况之间观察到高度显著的相关性:a)沿肺泡上皮细胞基底表面的锚定原纤维和半桥粒;b)肺泡上皮的多层化。

https://cdn.ncbi.nlm.nih.gov/pmc/blobs/d506/2042251/33c6c7d24111/amjpathol00246-0126-a.jpg
https://cdn.ncbi.nlm.nih.gov/pmc/blobs/d506/2042251/520cc85d213a/amjpathol00246-0117-a.jpg
https://cdn.ncbi.nlm.nih.gov/pmc/blobs/d506/2042251/d91b356d0e6a/amjpathol00246-0117-b.jpg
https://cdn.ncbi.nlm.nih.gov/pmc/blobs/d506/2042251/8a0b224e9752/amjpathol00246-0124-a.jpg
https://cdn.ncbi.nlm.nih.gov/pmc/blobs/d506/2042251/654b2bd18cd7/amjpathol00246-0124-b.jpg
https://cdn.ncbi.nlm.nih.gov/pmc/blobs/d506/2042251/0086036c7efd/amjpathol00246-0122-a.jpg
https://cdn.ncbi.nlm.nih.gov/pmc/blobs/d506/2042251/ee5f67a8beca/amjpathol00246-0121-a.jpg
https://cdn.ncbi.nlm.nih.gov/pmc/blobs/d506/2042251/f221a15a6957/amjpathol00246-0121-b.jpg
https://cdn.ncbi.nlm.nih.gov/pmc/blobs/d506/2042251/638eee15c369/amjpathol00246-0119-a.jpg
https://cdn.ncbi.nlm.nih.gov/pmc/blobs/d506/2042251/b336c7190927/amjpathol00246-0119-b.jpg
https://cdn.ncbi.nlm.nih.gov/pmc/blobs/d506/2042251/5dcbfea698ac/amjpathol00246-0119-c.jpg
https://cdn.ncbi.nlm.nih.gov/pmc/blobs/d506/2042251/55676a399a96/amjpathol00246-0123-a.jpg
https://cdn.ncbi.nlm.nih.gov/pmc/blobs/d506/2042251/759f241509ca/amjpathol00246-0125-a.jpg
https://cdn.ncbi.nlm.nih.gov/pmc/blobs/d506/2042251/692b0f970556/amjpathol00246-0125-b.jpg
https://cdn.ncbi.nlm.nih.gov/pmc/blobs/d506/2042251/dd244a8008d0/amjpathol00246-0120-a.jpg
https://cdn.ncbi.nlm.nih.gov/pmc/blobs/d506/2042251/33c6c7d24111/amjpathol00246-0126-a.jpg
https://cdn.ncbi.nlm.nih.gov/pmc/blobs/d506/2042251/520cc85d213a/amjpathol00246-0117-a.jpg
https://cdn.ncbi.nlm.nih.gov/pmc/blobs/d506/2042251/d91b356d0e6a/amjpathol00246-0117-b.jpg
https://cdn.ncbi.nlm.nih.gov/pmc/blobs/d506/2042251/8a0b224e9752/amjpathol00246-0124-a.jpg
https://cdn.ncbi.nlm.nih.gov/pmc/blobs/d506/2042251/654b2bd18cd7/amjpathol00246-0124-b.jpg
https://cdn.ncbi.nlm.nih.gov/pmc/blobs/d506/2042251/0086036c7efd/amjpathol00246-0122-a.jpg
https://cdn.ncbi.nlm.nih.gov/pmc/blobs/d506/2042251/ee5f67a8beca/amjpathol00246-0121-a.jpg
https://cdn.ncbi.nlm.nih.gov/pmc/blobs/d506/2042251/f221a15a6957/amjpathol00246-0121-b.jpg
https://cdn.ncbi.nlm.nih.gov/pmc/blobs/d506/2042251/638eee15c369/amjpathol00246-0119-a.jpg
https://cdn.ncbi.nlm.nih.gov/pmc/blobs/d506/2042251/b336c7190927/amjpathol00246-0119-b.jpg
https://cdn.ncbi.nlm.nih.gov/pmc/blobs/d506/2042251/5dcbfea698ac/amjpathol00246-0119-c.jpg
https://cdn.ncbi.nlm.nih.gov/pmc/blobs/d506/2042251/55676a399a96/amjpathol00246-0123-a.jpg
https://cdn.ncbi.nlm.nih.gov/pmc/blobs/d506/2042251/759f241509ca/amjpathol00246-0125-a.jpg
https://cdn.ncbi.nlm.nih.gov/pmc/blobs/d506/2042251/692b0f970556/amjpathol00246-0125-b.jpg
https://cdn.ncbi.nlm.nih.gov/pmc/blobs/d506/2042251/dd244a8008d0/amjpathol00246-0120-a.jpg
https://cdn.ncbi.nlm.nih.gov/pmc/blobs/d506/2042251/33c6c7d24111/amjpathol00246-0126-a.jpg

相似文献

1
Nuclear inclusions in alveolar epithelium of patients with fibrotic lung disorders.纤维化肺部疾病患者肺泡上皮中的核内包涵体。
Am J Pathol. 1979 Feb;94(2):301-22.
2
Structure of alveolar epithelial cells in patients with fibrotic lung disorders.纤维化肺部疾病患者肺泡上皮细胞的结构
Lab Invest. 1982 Jan;46(1):39-53.
3
Anchoring fibrils. A new connective tissue structure in fibrotic lung disease.锚定原纤维。纤维化肺病中的一种新的结缔组织结构。
Am J Pathol. 1978 Aug;92(2):389-410.
4
Ultrastructure of pulmonary mast cells in patients with fibrotic lung disorders.肺纤维化疾病患者肺肥大细胞的超微结构
Lab Invest. 1979 Jun;40(6):717-34.
5
NTP Toxicology and Carcinogenesis Studies of Ozone (CAS No. 10028-15-6) and Ozone/NNK (CAS No. 10028-15-6/ 64091-91-4) in F344/N Rats and B6C3F1 Mice (Inhalation Studies).F344/N大鼠和B6C3F1小鼠中臭氧(CAS编号:10028-15-6)及臭氧/NNK(CAS编号:10028-15-6/64091-91-4)的NTP毒理学与致癌性研究(吸入研究)
Natl Toxicol Program Tech Rep Ser. 1994 Oct;440:1-314.
6
Pulmonary Langerhans' cells in patients with fibrotic lung disorders.肺纤维化疾病患者的肺朗格汉斯细胞。
Lab Invest. 1981 Mar;44(3):227-33.
7
NTP Toxicology and Carcinogenesis Studies of Talc (CAS No. 14807-96-6)(Non-Asbestiform) in F344/N Rats and B6C3F1 Mice (Inhalation Studies).滑石(CAS编号:14807-96-6)(非石棉状)在F344/N大鼠和B6C3F1小鼠中的NTP毒理学和致癌性研究(吸入研究)
Natl Toxicol Program Tech Rep Ser. 1993 Sep;421:1-287.
8
Patterns of pulmonary structural remodeling after experimental paraquat toxicity. The morphogenesis of intraalveolar fibrosis.实验性百草枯中毒后肺结构重塑模式。肺泡内纤维化的形态发生。
Am J Pathol. 1985 Mar;118(3):452-75.
9
Peribronchiolar fibrosis in lungs of cats chronically exposed to diesel exhaust.
Lab Invest. 1985 Feb;52(2):195-206.
10
NTP Toxicology and Carcinogenesis Studies of Nickel Subsulfide (CAS No. 12035-72-2) in F344 Rats and B6C3F1 Mice (Inhalation Studies).硫化镍(CAS编号:12035-72-2)对F344大鼠和B6C3F1小鼠的NTP毒理学和致癌性研究(吸入研究)
Natl Toxicol Program Tech Rep Ser. 1996 Jul;453:1-365.

引用本文的文献

1
Efficacy of Touch Imprint Cytology in Intraoperative Diagnosis of Invasive Mucinous Adenocarcinoma of the Lung: A Case Report and Literature Review.触摸印片细胞学在肺浸润性黏液腺癌术中诊断中的应用效果:1例病例报告及文献复习
Clin Pract. 2024 Jan 29;14(1):242-249. doi: 10.3390/clinpract14010019.
2
Expression of DNAJB12 or DNAJB14 causes coordinate invasion of the nucleus by membranes associated with a novel nuclear pore structure.DNAJB12或DNAJB14的表达会导致与一种新型核孔结构相关的膜对细胞核的协同侵入。
PLoS One. 2014 Apr 14;9(4):e94322. doi: 10.1371/journal.pone.0094322. eCollection 2014.
3
Ultrastructural study of nuclear inclusions immunohistochemically positive for surfactant protein A in pulmonary adenocarcinoma with special reference to their morphogenesis.

本文引用的文献

1
The deep invagination of the inner nuclear membrane into the nucleoplasm in the ascites hepatoma cells.
Exp Cell Res. 1961 Sep;24:606-9. doi: 10.1016/0014-4827(61)90465-7.
2
DESQUAMATIVE INTERSTITIAL PNEUMONIA.脱屑性间质性肺炎
Am J Med. 1965 Sep;39:369-404. doi: 10.1016/0002-9343(65)90206-8.
3
STRUCTURAL CHANGES IN THE NUCLEAR BODY IN THE ADRENAL ZONA FASCICULATA OF THE CALF FOLLOWING THE ADMINISTRATION OF ACTH.促肾上腺皮质激素给药后犊牛肾上腺束状带核体的结构变化
肺腺癌中表面活性蛋白A免疫组化阳性核内包涵体的超微结构研究及其形态发生的特别参考
Med Mol Morphol. 2006 Dec;39(4):214-20. doi: 10.1007/s00795-006-0337-4. Epub 2006 Dec 21.
4
Carcinoma of type II pneumocytes: immunodiagnosis of a subtype of "bronchioloalveolar carcinomas".II型肺泡上皮细胞癌:“细支气管肺泡癌”一种亚型的免疫诊断
Am J Pathol. 1981 Feb;102(2):195-208.
J Ultrastruct Res. 1964 Dec;11:564-76. doi: 10.1016/s0022-5320(64)80082-4.
4
[UTERINE ULTRASTRUCTURAL CYTOPLASM AND NUCLEAR CHANGES DURING THE FOLLICO-LUTEINIC STATE WITH MASSIVE GLYCOGEN CONTENT. (MITOCHONDRIA; GLYCOGEN; NUCLEOLONEMA; SEX CHROMATIN; NUCLEAR TUBULAR FORMATIONS)].
Gynecol Obstet (Paris). 1964 Apr-May;63:203-20.
5
A new structure observed in the nucleolus of the human endometrial epithelial cell.在人子宫内膜上皮细胞核仁中观察到一种新结构。
Am J Obstet Gynecol. 1963 Jun 15;86:430-2. doi: 10.1016/0002-9378(63)90166-2.
6
[The ultra-structure of the corpus endometrium during the cycle].
Arch Gynakol. 1961;196:180-99. doi: 10.1007/BF00669449.
7
A transplantable rat liver tumor induced by 4-dimethylaminoazobenzene.由4-二甲基氨基偶氮苯诱发的可移植性大鼠肝癌。
Cancer Res. 1957 Nov;17(10):1010-27.
8
Desquamative interstitial pneumonia.脱屑性间质性肺炎
N Engl J Med. 1966 Jan 20;274(3):113-28. doi: 10.1056/NEJM196601202740301.
9
The nucleolar channel system of human endometrium.人类子宫内膜的核仁通道系统。
J Cell Biol. 1965 Nov;27(2):293-304. doi: 10.1083/jcb.27.2.293.
10
Intranuclear tubules in trophoblast 3 of rat and mouse chorioallantoic placenta.
J Ultrastruct Res. 1969 Jul;28(1):150-60. doi: 10.1016/s0022-5320(69)90013-6.