• 文献检索
  • 文档翻译
  • 深度研究
  • 学术资讯
  • Suppr Zotero 插件Zotero 插件
  • 邀请有礼
  • 套餐&价格
  • 历史记录
应用&插件
Suppr Zotero 插件Zotero 插件浏览器插件Mac 客户端Windows 客户端微信小程序
定价
高级版会员购买积分包购买API积分包
服务
文献检索文档翻译深度研究API 文档MCP 服务
关于我们
关于 Suppr公司介绍联系我们用户协议隐私条款
关注我们

Suppr 超能文献

核心技术专利:CN118964589B侵权必究
粤ICP备2023148730 号-1Suppr @ 2026

文献检索

告别复杂PubMed语法,用中文像聊天一样搜索,搜遍4000万医学文献。AI智能推荐,让科研检索更轻松。

立即免费搜索

文件翻译

保留排版,准确专业,支持PDF/Word/PPT等文件格式,支持 12+语言互译。

免费翻译文档

深度研究

AI帮你快速写综述,25分钟生成高质量综述,智能提取关键信息,辅助科研写作。

立即免费体验

层粘连蛋白和纤连蛋白在直肠腺癌中的作用:与肿瘤分级、分期及转移的关系

Laminin and fibronectin in rectal adenocarcinoma: relationship to tumour grade, stage and metastasis.

作者信息

Forster S J, Talbot I C, Critchley D R

出版信息

Br J Cancer. 1984 Jul;50(1):51-61. doi: 10.1038/bjc.1984.139.

DOI:10.1038/bjc.1984.139
PMID:6378237
原文链接:https://pmc.ncbi.nlm.nih.gov/articles/PMC1976915/
Abstract

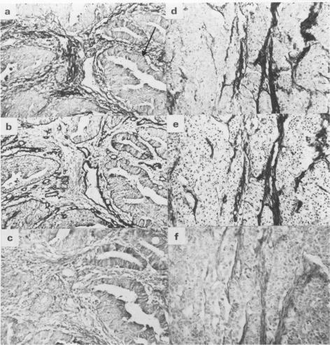
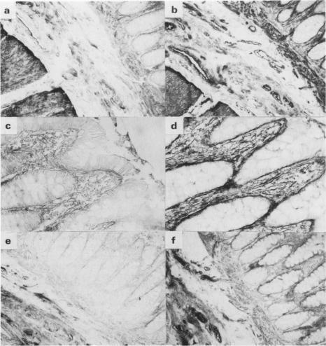
Using an immunoperoxidase procedure, we have examined the distribution of laminin and fibronectin in normal human large intestinal mucosa and in 50 cases of rectal adenocarcinoma for which extensive clinical follow up was available. In normal tissue, laminin staining was largely restricted to basement membranes, including that underlying the epithelial cells, whereas fibronectin was found in both basement membranes and surrounding connective tissue. In rectal carcinomas, basement membrane-like staining for laminin associated with tumour cells was found in only 27 out of the 50 cases studied. Statistical analysis showed that the presence of laminin-containing basement membranes was correlated with low histological grade (well-differentiated tumours), but not with stage (progression through the bowel wall and the development of lymph node metastases) and, in a highly significant way, with a reduced incidence of distant metastases and increased patient survival. Although fibronectin was found in tumour cell basement membranes where these were present, it was also found in the stroma of all 50 tumours. There was no apparent correlation between the presence of stromal fibronectin and grade, stage or development of metastases. Finally, attention is drawn to some of the technical difficulties in detecting basement membrane antigens in formalin-fixed tissue, the material most frequently available for retrospective study.

摘要

我们采用免疫过氧化物酶法,研究了层粘连蛋白和纤连蛋白在正常人大肠黏膜以及50例有广泛临床随访资料的直肠腺癌中的分布情况。在正常组织中,层粘连蛋白染色主要局限于基底膜,包括上皮细胞下方的基底膜,而纤连蛋白则在基底膜和周围结缔组织中均有发现。在直肠癌中,在所研究的50例病例中,仅有27例发现与肿瘤细胞相关的层粘连蛋白呈基底膜样染色。统计分析表明,含层粘连蛋白的基底膜的存在与低组织学分级(高分化肿瘤)相关,但与分期(肿瘤穿透肠壁及发生淋巴结转移)无关,且与远处转移发生率降低及患者生存率提高高度相关。尽管在存在肿瘤细胞基底膜的地方发现了纤连蛋白,但在所有50例肿瘤的基质中也都发现了纤连蛋白。基质纤连蛋白的存在与分级、分期或转移的发生之间没有明显关联。最后,需要注意在福尔马林固定组织(这是回顾性研究最常用的材料)中检测基底膜抗原存在一些技术难题。

https://cdn.ncbi.nlm.nih.gov/pmc/blobs/4618/1976915/3f7b81ad3cf0/brjcancer00105-0058-a.jpg
https://cdn.ncbi.nlm.nih.gov/pmc/blobs/4618/1976915/e995dd3990fc/brjcancer00105-0055-a.jpg
https://cdn.ncbi.nlm.nih.gov/pmc/blobs/4618/1976915/819f2fa9c8ef/brjcancer00105-0056-a.jpg
https://cdn.ncbi.nlm.nih.gov/pmc/blobs/4618/1976915/7470855d968d/brjcancer00105-0057-a.jpg
https://cdn.ncbi.nlm.nih.gov/pmc/blobs/4618/1976915/3f7b81ad3cf0/brjcancer00105-0058-a.jpg
https://cdn.ncbi.nlm.nih.gov/pmc/blobs/4618/1976915/e995dd3990fc/brjcancer00105-0055-a.jpg
https://cdn.ncbi.nlm.nih.gov/pmc/blobs/4618/1976915/819f2fa9c8ef/brjcancer00105-0056-a.jpg
https://cdn.ncbi.nlm.nih.gov/pmc/blobs/4618/1976915/7470855d968d/brjcancer00105-0057-a.jpg
https://cdn.ncbi.nlm.nih.gov/pmc/blobs/4618/1976915/3f7b81ad3cf0/brjcancer00105-0058-a.jpg

相似文献

1
Laminin and fibronectin in rectal adenocarcinoma: relationship to tumour grade, stage and metastasis.层粘连蛋白和纤连蛋白在直肠腺癌中的作用:与肿瘤分级、分期及转移的关系
Br J Cancer. 1984 Jul;50(1):51-61. doi: 10.1038/bjc.1984.139.
2
Lack of correlation between metastasis of human rectal carcinoma and the absence of stromal fibronectin.人直肠癌转移与基质纤连蛋白缺失之间缺乏相关性。
Br J Cancer. 1982 Apr;45(4):500-5. doi: 10.1038/bjc.1982.85.
3
Immunohistochemical localization of macromolecules of the basement membrane and the peritumoral stroma in human laryngeal carcinomas.人喉癌中基底膜和肿瘤周围基质大分子的免疫组织化学定位
J Pathol. 1984 Sep;144(1):35-44. doi: 10.1002/path.1711440105.
4
Alterations in expression of basement membrane proteins during tumour progression in oral mucosa.口腔黏膜肿瘤进展过程中基底膜蛋白表达的变化
Histopathology. 1994 Jun;24(6):531-7. doi: 10.1111/j.1365-2559.1994.tb00571.x.
5
Tumour basement membrane laminin in adenocarcinoma of rectum: an immunohistochemical study of biological and clinical significance.直肠腺癌中肿瘤基底膜层粘连蛋白:生物学及临床意义的免疫组织化学研究
Int J Cancer. 1986 Jun 15;37(6):813-7. doi: 10.1002/ijc.2910370603.
6
Behaviour of basement membrane antigens in gastric and colorectal cancer. Immunohistochemical study.
Acta Pathol Jpn. 1986 Feb;36(2):173-84. doi: 10.1111/j.1440-1827.1986.tb01471.x.
7
Immunohistochemical study of basement membrane antigens in bronchioloalveolar carcinoma.细支气管肺泡癌中基底膜抗原的免疫组织化学研究
Am J Pathol. 1987 Aug;128(2):217-24.
8
Immunofluorescence study of the antigens of the basement membrane and the peritumoral stroma in human colonic adenocarcinomas.人结肠腺癌中基底膜和肿瘤周围基质抗原的免疫荧光研究。
Ann N Y Acad Sci. 1983;420:229-36. doi: 10.1111/j.1749-6632.1983.tb22208.x.
9
[Immunohistochemical study of the extracellular matrix in non-small cell lung cancer: relation to lymph node metastasis and prognosis].非小细胞肺癌细胞外基质的免疫组织化学研究:与淋巴结转移及预后的关系
Hokkaido Igaku Zasshi. 1991 May;66(3):356-68.
10
[Correlation between laminin and fibronectin on the basement membrane and tumor progression in early gastric cancer: an immunohistochemical study].[层粘连蛋白和纤连蛋白在早期胃癌基底膜上的表达与肿瘤进展的相关性:一项免疫组织化学研究]
Hokkaido Igaku Zasshi. 2000 Jan;75(1):25-34.

引用本文的文献

1
Tumour basement membrane laminin expression predicts outcome following curative resection of pancreatic head cancer.肿瘤基底膜层粘连蛋白表达可预测胰头癌根治性切除术后的结局。
Br J Cancer. 2012 Sep 25;107(7):1153-8. doi: 10.1038/bjc.2012.373. Epub 2012 Aug 28.
2
The microscopic anatomy of experimental rat CC531 colon tumour metastases: consequences for immunotherapy?实验大鼠CC531结肠肿瘤转移的微观解剖学:对免疫治疗有何影响?
Clin Exp Metastasis. 2000;18(2):189-96. doi: 10.1023/a:1006774602360.
3
Altered expression of extracellular matrix molecules and their receptors in chronic pancreatitis and pancreatic adenocarcinoma in comparison with normal pancreas.

本文引用的文献

1
Role of laminin in the attachment of PAM 212 (epithelial) cells to basement membrane collagen.层粘连蛋白在PAM 212(上皮)细胞与基底膜胶原蛋白附着中的作用。
Cell. 1980 Dec;22(3):719-26. doi: 10.1016/0092-8674(80)90548-6.
2
The clinical significance of invasion of veins by rectal cancer.直肠癌侵犯静脉的临床意义。
Br J Surg. 1980 Jun;67(6):439-42. doi: 10.1002/bjs.1800670619.
3
Studies on the biosynthesis of laminin by murine parietal endoderm cells.小鼠壁内胚层细胞层粘连蛋白生物合成的研究。
与正常胰腺相比,慢性胰腺炎和胰腺腺癌中细胞外基质分子及其受体的表达改变。
Int J Pancreatol. 1995 Dec;18(3):227-34. doi: 10.1007/BF02784946.
4
The expression of invasive behavior of differentiated squamous carcinoma cell line evaluated by an in vitro invasion model.通过体外侵袭模型评估分化型鳞状癌细胞系侵袭行为的表达。
Jpn J Cancer Res. 1993 Apr;84(4):409-18. doi: 10.1111/j.1349-7006.1993.tb00151.x.
5
Cathepsin B and other proteases in human colorectal carcinoma.人结直肠癌中的组织蛋白酶B及其他蛋白酶
Am J Pathol. 1994 Aug;145(2):253-62.
6
Differential expression of extracellular matrix molecules and the alpha 6-integrins in the normal and neoplastic prostate.细胞外基质分子和α6整合素在正常及肿瘤性前列腺组织中的差异表达
Am J Pathol. 1994 Jul;145(1):167-74.
7
Immunohistochemical distributions of cathepsin B and basement membrane antigens in human lung adenocarcinoma: association with invasion and metastasis.组织蛋白酶B和基底膜抗原在人肺腺癌中的免疫组化分布:与侵袭和转移的关系
Virchows Arch. 1994;424(1):33-8. doi: 10.1007/BF00197390.
8
Basement membrane and tumor invasion: ultrastructural observations in the basement membrane of rat bladder with invasive transitional cell carcinoma induced by N-butyl-N-(4-hydroxybutyl)nitrosamine.基底膜与肿瘤侵袭:对N-丁基-N-(4-羟丁基)亚硝胺诱导的大鼠浸润性移行细胞癌膀胱基底膜的超微结构观察
Urol Res. 1994;22(5):317-21. doi: 10.1007/BF00297202.
9
Biology of human colon cancer metastasis.人类结肠癌转移生物学
World J Surg. 1995 Mar-Apr;19(2):226-34. doi: 10.1007/BF00308631.
10
Pathologic prognostic factors for gastrointestinal cancer.胃肠道癌的病理预后因素。
World J Surg. 1995 Mar-Apr;19(2):178-83. doi: 10.1007/BF00308623.
Eur J Biochem. 1981 Sep;119(1):189-97. doi: 10.1111/j.1432-1033.1981.tb05593.x.
4
Invasion of veins by carcinoma of rectum: method of detection, histological features and significance.直肠癌的静脉侵犯:检测方法、组织学特征及意义
Histopathology. 1981 Mar;5(2):141-63. doi: 10.1111/j.1365-2559.1981.tb01774.x.
5
Synthesis of type IV collagen and laminin in cultures of skeletal muscle cells and their assembly on the surface of myotubes.骨骼肌细胞培养物中IV型胶原蛋白和层粘连蛋白的合成及其在肌管表面的组装。
Dev Biol. 1982 Oct;93(2):344-54. doi: 10.1016/0012-1606(82)90122-1.
6
Tumor extracellular matrix.
Lab Invest. 1982 Aug;47(2):112-3.
7
Fibronectin in experimental granulation tissue.实验性肉芽组织中的纤连蛋白
Acta Pathol Microbiol Immunol Scand A. 1982 May;90(3):159-65. doi: 10.1111/j.1699-0463.1982.tb00077_90a.x.
8
Lack of correlation between metastasis of human rectal carcinoma and the absence of stromal fibronectin.人直肠癌转移与基质纤连蛋白缺失之间缺乏相关性。
Br J Cancer. 1982 Apr;45(4):500-5. doi: 10.1038/bjc.1982.85.
9
The molecular organization of basement membranes.基底膜的分子结构
Int Rev Connect Tissue Res. 1981;9:191-264. doi: 10.1016/b978-0-12-363709-3.50011-5.
10
Basement membrane changes in breast cancer detected by immunohistochemical staining for laminin.通过层粘连蛋白免疫组织化学染色检测乳腺癌中的基底膜变化。
Cancer Res. 1981 Dec;41(12 Pt 1):5076-81.