• 文献检索
  • 文档翻译
  • 深度研究
  • 学术资讯
  • Suppr Zotero 插件Zotero 插件
  • 邀请有礼
  • 套餐&价格
  • 历史记录
应用&插件
Suppr Zotero 插件Zotero 插件浏览器插件Mac 客户端Windows 客户端微信小程序
定价
高级版会员购买积分包购买API积分包
服务
文献检索文档翻译深度研究API 文档MCP 服务
关于我们
关于 Suppr公司介绍联系我们用户协议隐私条款
关注我们

Suppr 超能文献

核心技术专利:CN118964589B侵权必究
粤ICP备2023148730 号-1Suppr @ 2026

文献检索

告别复杂PubMed语法,用中文像聊天一样搜索,搜遍4000万医学文献。AI智能推荐,让科研检索更轻松。

立即免费搜索

文件翻译

保留排版,准确专业,支持PDF/Word/PPT等文件格式,支持 12+语言互译。

免费翻译文档

深度研究

AI帮你快速写综述,25分钟生成高质量综述,智能提取关键信息,辅助科研写作。

立即免费体验

采用流动注射系统和未修饰的丝网印刷电极检测绿茶和红茶中的总酚含量。

Detection of total phenol in green and black teas by flow injection system and unmodified screen printed electrode.

作者信息

de Mattos Ivanildo Luiz, Zagal José Heraclito

机构信息

Departamento de Química de Los Materiales, Facultad de Química y Biología, Universidad de Santiago de Chile, Casilla 40, Sucursal Matucana, Santiago 9170022, Chile.

出版信息

Int J Anal Chem. 2010;2010:143714. doi: 10.1155/2010/143714. Epub 2011 Mar 3.

DOI:10.1155/2010/143714
PMID:21461407
原文链接:https://pmc.ncbi.nlm.nih.gov/articles/PMC3065041/
Abstract

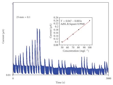
A flow injection system using an unmodified gold screen-printed electrode was employed for total phenol determination in black and green teas. In order to avoid passivation of the electrode surface due to the redox reaction, preoxidation of the sample was realized by hexacyanoferrate(III) followed by addition of an EDTA solution. The complex formed in the presence of EDTA minimizes or avoids polymerization of the oxidized phenols. The previously filtered tea sample and hexacyanoferrate(III) reagent were introduced simultaneously into two-carrier streams producing two reproducible zones. At confluence point, the pre-oxidation of the phenolic compounds occurs while this zone flows through the coiled reactor and receives the EDTA solution before phenol detection. The consumption of ferricyanide was monitorized at 360 mV versus Ag/AgCl and reflected the total amount of phenolic compounds present in the sample. Results were reported as gallic acid equivalents (GAEs). The proposed system is robust, versatile, environmentally-friendly (since the reactive is used only in the presence of the sample), and allows the analysis of about 35-40 samples per hour with detection limit = 1 mg/L without the necessity for surface cleaning after each measurement. Precise results are in agreement with those obtained by the Folin-Ciocalteu method.

摘要

采用未修饰的金丝网印刷电极的流动注射系统用于测定红茶和绿茶中的总酚含量。为避免因氧化还原反应导致电极表面钝化,样品通过铁氰化钾(III)进行预氧化,随后加入乙二胺四乙酸(EDTA)溶液。在EDTA存在下形成的络合物可使氧化酚的聚合最小化或避免其聚合。将预先过滤的茶样品和铁氰化钾(III)试剂同时引入两个载流中,产生两个可重现的区域。在汇合点,酚类化合物在该区域流经盘管式反应器并在检测酚之前接收EDTA溶液时发生预氧化。以银/氯化银为参比电极,在360 mV处监测铁氰化物的消耗,其反映了样品中酚类化合物的总量。结果以没食子酸当量(GAEs)表示。所提出的系统稳健、通用、环保(因为仅在有样品时才使用试剂),并且每小时可分析约35 - 40个样品,检测限为1 mg/L,每次测量后无需进行表面清洁。精确结果与福林 - 西奥尔特法所得结果一致。

https://cdn.ncbi.nlm.nih.gov/pmc/blobs/bd06/3065041/0fba5761304d/IJAC2010-143714.006.jpg
https://cdn.ncbi.nlm.nih.gov/pmc/blobs/bd06/3065041/cf2943ce0784/IJAC2010-143714.001.jpg
https://cdn.ncbi.nlm.nih.gov/pmc/blobs/bd06/3065041/42cd0e87547c/IJAC2010-143714.002.jpg
https://cdn.ncbi.nlm.nih.gov/pmc/blobs/bd06/3065041/6245eb54cc12/IJAC2010-143714.003.jpg
https://cdn.ncbi.nlm.nih.gov/pmc/blobs/bd06/3065041/849c92a6794b/IJAC2010-143714.004.jpg
https://cdn.ncbi.nlm.nih.gov/pmc/blobs/bd06/3065041/a3f160df80f8/IJAC2010-143714.005.jpg
https://cdn.ncbi.nlm.nih.gov/pmc/blobs/bd06/3065041/0fba5761304d/IJAC2010-143714.006.jpg
https://cdn.ncbi.nlm.nih.gov/pmc/blobs/bd06/3065041/cf2943ce0784/IJAC2010-143714.001.jpg
https://cdn.ncbi.nlm.nih.gov/pmc/blobs/bd06/3065041/42cd0e87547c/IJAC2010-143714.002.jpg
https://cdn.ncbi.nlm.nih.gov/pmc/blobs/bd06/3065041/6245eb54cc12/IJAC2010-143714.003.jpg
https://cdn.ncbi.nlm.nih.gov/pmc/blobs/bd06/3065041/849c92a6794b/IJAC2010-143714.004.jpg
https://cdn.ncbi.nlm.nih.gov/pmc/blobs/bd06/3065041/a3f160df80f8/IJAC2010-143714.005.jpg
https://cdn.ncbi.nlm.nih.gov/pmc/blobs/bd06/3065041/0fba5761304d/IJAC2010-143714.006.jpg

相似文献

1
Detection of total phenol in green and black teas by flow injection system and unmodified screen printed electrode.采用流动注射系统和未修饰的丝网印刷电极检测绿茶和红茶中的总酚含量。
Int J Anal Chem. 2010;2010:143714. doi: 10.1155/2010/143714. Epub 2011 Mar 3.
2
Determination of in vitro antidiabetic effects, antioxidant activities and phenol contents of some herbal teas.几种草本茶的体外抗糖尿病作用、抗氧化活性及酚类含量的测定
Plant Foods Hum Nutr. 2008 Mar;63(1):27-33. doi: 10.1007/s11130-007-0065-5. Epub 2008 Jan 9.
3
Automatic method for the determination of Folin-Ciocalteu reducing capacity in food products.食品中福林-西奥尔特试剂还原能力的自动测定方法。
J Agric Food Chem. 2006 Jul 26;54(15):5241-6. doi: 10.1021/jf060324s.
4
Method development for the determination of arsenic by sequential injection/anodic stripping voltammetry using long-lasting gold-modified screen-printed carbon electrode.采用长效金修饰丝网印刷碳电极的顺序注射/阳极溶出伏安法测定砷的方法开发。
Talanta. 2013 Nov 15;116:1018-25. doi: 10.1016/j.talanta.2013.08.030. Epub 2013 Aug 23.
5
Hexacyanoferrate(III) as a mediator in the determination of total iron in potable waters as iron(II)-1,10-phenanthroline at a single-use screen-printed carbon sensor device.在一次性丝网印刷碳传感器装置上,以六氰合铁(III)作为媒介物,通过铁(II)-1,10-菲啰啉测定饮用水中的总铁含量。
Talanta. 2007 Jan 15;71(1):202-7. doi: 10.1016/j.talanta.2006.03.051. Epub 2006 May 12.
6
Sensitive and selective determination of gallic acid in green tea samples based on an electrochemical platform of poly(melamine) film.基于三聚氰胺薄膜电化学平台灵敏选择性测定绿茶样品中的没食子酸
Anal Chim Acta. 2015 Dec 11;901:41-50. doi: 10.1016/j.aca.2015.10.026. Epub 2015 Oct 31.
7
Synergic effect of silver nanoparticles and carbon nanotubes on the simultaneous voltammetric determination of hydroquinone, catechol, bisphenol A and phenol.银纳米粒子和碳纳米管协同作用对氢醌、儿茶酚、双酚 A 和苯酚的同时伏安测定
Mikrochim Acta. 2017 Dec 5;185(1):12. doi: 10.1007/s00604-017-2540-5.
8
Comparison between Folin-Ciocalteu and Prussian Blue Assays to Estimate The Total Phenolic Content of Juices and Teas Using 96-Well Microplates.使用96孔微孔板通过福林-西奥尔特法和普鲁士蓝法测定果汁和茶中总酚含量的比较
J Food Sci. 2015 Nov;80(11):C2397-403. doi: 10.1111/1750-3841.13077. Epub 2015 Oct 8.
9
A novel flow injection amperometric sensor based on carbon black and graphene oxide modified screen-printed carbon electrode for highly sensitive determination of uric acid.基于炭黑和氧化石墨烯修饰丝网印刷碳电极的新型流动注射安培传感器用于尿酸的高灵敏测定。
Talanta. 2021 Sep 1;232:122493. doi: 10.1016/j.talanta.2021.122493. Epub 2021 May 4.
10
Flow injection potentiometric determination of total antioxidant activity of plant extracts.
Anal Chim Acta. 2006 Jul 28;573-574:419-26. doi: 10.1016/j.aca.2006.03.094. Epub 2006 Apr 4.

本文引用的文献

1
Biosensors as a tool for the antioxidant status evaluation.生物传感器作为评估抗氧化状态的工具。
Talanta. 2007 Apr 30;72(2):335-48. doi: 10.1016/j.talanta.2006.11.041. Epub 2007 Jan 4.
2
Simultaneous determination of catechins, caffeine and gallic acids in green, Oolong, black and pu-erh teas using HPLC with a photodiode array detector.使用配有光电二极管阵列检测器的高效液相色谱法同时测定绿茶、乌龙茶、红茶和普洱茶中的儿茶素、咖啡因和没食子酸。
Talanta. 2002 May 16;57(2):307-16. doi: 10.1016/s0039-9140(02)00030-9.
3
Free radical processes in green tea polyphenols (GTP) investigated by electron paramagnetic resonance (EPR) spectroscopy.
通过电子顺磁共振(EPR)光谱研究绿茶多酚(GTP)中的自由基过程。
Biotechnol Annu Rev. 2008;14:349-401. doi: 10.1016/S1387-2656(08)00013-6.
4
An amperometric biosensor for polyphenolic compounds in red wine.用于检测红酒中多酚类化合物的电流型生物传感器。
Biosens Bioelectron. 2004 Dec 15;20(6):1211-6. doi: 10.1016/j.bios.2004.05.013.
5
Sensor and biosensor based on Prussian Blue modified gold and platinum screen printed electrodes.基于普鲁士蓝修饰的金和铂丝网印刷电极的传感器和生物传感器。
Biosens Bioelectron. 2003 Mar;18(2-3):193-200. doi: 10.1016/s0956-5663(02)00185-9.
6
Gas chromatographic-mass spectrometric analysis of acids and phenols in distilled alcohol beverages. Application of anion-exchange disk extraction combined with in-vial elution and silylation.蒸馏酒精饮料中酸和酚的气相色谱-质谱分析。阴离子交换盘萃取结合瓶内洗脱和硅烷化的应用。
J Chromatogr A. 2000 Mar 17;873(1):29-38. doi: 10.1016/s0021-9673(99)01100-0.
7
Antioxidative and antimutagenic effects of theaflavins from black tea.红茶中茶黄素的抗氧化和抗诱变作用。
Mutat Res. 1994 Jan-Feb;323(1-2):29-34. doi: 10.1016/0165-7992(94)90041-8.
8
Naturally occurring food toxicants: phenolic substances of plant origin common in foods.天然存在的食品毒物:食品中常见的植物源酚类物质。
Adv Food Res. 1981;27:149-242. doi: 10.1016/s0065-2628(08)60299-2.
9
Naturally occurring phenolics as antimutagenic and anticarcinogenic agents.
Adv Exp Med Biol. 1984;177:1-29. doi: 10.1007/978-1-4684-4790-3_1.