Suppr超能文献

氧雄龙的神经再生作用:一例报告

Neuroregenerative Effect of Oxandrolone: A Case Report.

作者信息

Bianchi Vittorio, Marbini Adriana

机构信息

Laboratory of Physiology of Exercise and Human Performance, Stella Maris Clinical Center, Falciano, San Marino.

Department of Neuroscience, University of Parma, Parma, Italy.

出版信息

Am J Case Rep. 2015 Oct 27;16:763-7. doi: 10.12659/ajcr.893901.

Abstract

BACKGROUND

Anabolic steroids have the clinical effect of increasing protein synthesis in muscle and other tissues. The brain and spinal cord neurons have gonadal steroid receptors and various studies have shown at structural and molecular levels that androgenic steroids have a significant trophic effect on the brain and spinal cord.

CASE REPORT

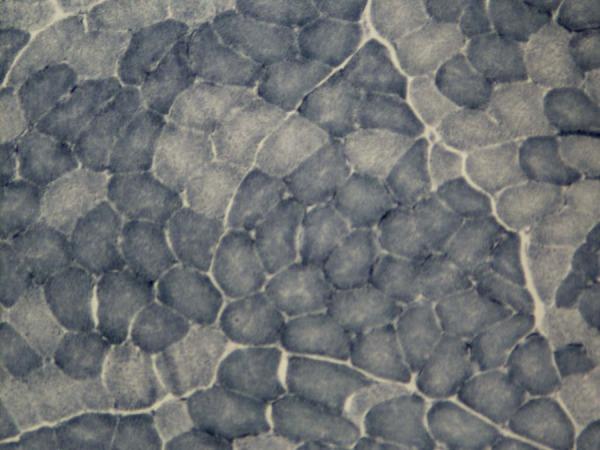
We evaluated the effect of Oxandrolone (an FDA-approved anabolic steroid) at the dose of 20 mg/day for 3 months added to concomitant exercise strength training 3 times a week in a patient affected by a demyelinating disease, Charcot-Marie-Toot 1 (CMT1). After the treatment, an increase in muscular strength and walking capacity was observed. Muscle biopsy revealed a significant increase of type grouping of muscle fibers, an expression of regeneration and reinnervation processes.

CONCLUSIONS

Data ensuing from this single case-report suggest that anabolic androgenic steroids have a potential neuroregenerative effect, with an inherent improvement in neuromuscular efficiency through an increased myelin synthesis at peripheral nervous system site.

摘要

背景

合成代谢类固醇具有增加肌肉和其他组织中蛋白质合成的临床效果。脑和脊髓神经元具有性腺类固醇受体,并且各种研究已在结构和分子水平上表明,雄激素类固醇对脑和脊髓具有显著的营养作用。

病例报告

我们评估了氧雄龙(一种经美国食品药品监督管理局批准的合成代谢类固醇)以20毫克/天的剂量添加到每周3次的伴随运动力量训练中,对一名患有脱髓鞘疾病——夏科-马里-图思病1型(CMT1)患者的影响。治疗后,观察到肌肉力量和行走能力有所增加。肌肉活检显示肌纤维类型分组显著增加,这是再生和再支配过程的一种表现。

结论

该单病例报告得出的数据表明,合成代谢雄激素类固醇具有潜在的神经再生作用,通过增加外周神经系统部位的髓鞘合成,固有地改善神经肌肉效率。

https://cdn.ncbi.nlm.nih.gov/pmc/blobs/1fd7/4629627/87eb5274de06/amjcaserep-16-763-g001.jpg

相似文献

1
Neuroregenerative Effect of Oxandrolone: A Case Report.
Am J Case Rep. 2015 Oct 27;16:763-7. doi: 10.12659/ajcr.893901.
3
Improved functional recovery with oxandrolone after spinal cord injury in rats.
Neuroreport. 2009 Jun 17;20(9):864-8. doi: 10.1097/WNR.0b013e32832c5cc2.
4
The effects of oxandrolone and exercise on muscle mass and function in children with severe burns.
Pediatrics. 2007 Jan;119(1):e109-16. doi: 10.1542/peds.2006-1548. Epub 2006 Nov 27.
5
Six-week improvements in muscle mass and strength during androgen therapy in older men.
J Gerontol A Biol Sci Med Sci. 2005 Dec;60(12):1586-92. doi: 10.1093/gerona/60.12.1586.
6
Resistance training exercise and creatine in patients with Charcot-Marie-Tooth disease.
Muscle Nerve. 2004 Jul;30(1):69-76. doi: 10.1002/mus.20078.
7
Anabolic effects of oxandrolone after severe burn.
Ann Surg. 2001 Apr;233(4):556-64. doi: 10.1097/00000658-200104000-00012.

引用本文的文献

1
Online information and availability of three doping substances (anabolic agents) in sports: role of pharmacies.
Front Pharmacol. 2023 Dec 4;14:1305080. doi: 10.3389/fphar.2023.1305080. eCollection 2023.
2
Androgen Therapy in Neurodegenerative Diseases.
J Endocr Soc. 2020 Aug 21;4(11):bvaa120. doi: 10.1210/jendso/bvaa120. eCollection 2020 Nov 1.
3
Neurotrophic and Neuroregenerative Effects of GH/IGF1.
Int J Mol Sci. 2017 Nov 17;18(11):2441. doi: 10.3390/ijms18112441.

本文引用的文献

2
Long-distance axonal growth from human induced pluripotent stem cells after spinal cord injury.
Neuron. 2014 Aug 20;83(4):789-96. doi: 10.1016/j.neuron.2014.07.014. Epub 2014 Aug 7.
4
Role of myelin-associated inhibitors in axonal repair after spinal cord injury.
Exp Neurol. 2012 May;235(1):33-42. doi: 10.1016/j.expneurol.2011.05.001. Epub 2011 May 7.
5
Type grouping in rat skeletal muscle after crush injury.
J Neurosurg. 2011 May;114(5):1449-56. doi: 10.3171/2010.9.JNS091656. Epub 2010 Nov 26.
6
Androgen regulation of axon growth and neurite extension in motoneurons.
Horm Behav. 2008 May;53(5):716-28. doi: 10.1016/j.yhbeh.2008.01.014. Epub 2008 Feb 15.
7
Treatment for Charcot-Marie-Tooth disease.
Cochrane Database Syst Rev. 2008 Jan 23;2008(1):CD006052. doi: 10.1002/14651858.CD006052.pub2.
9
Type grouping in skeletal muscles after experimental reinnervation: another explanation.
Eur J Neurosci. 2005 Mar;21(5):1249-56. doi: 10.1111/j.1460-9568.2005.03954.x.
10
Clinical disease severity and axonal dysfunction in hereditary motor and sensory neuropathy Ia.
J Neurol. 2004 Dec;251(12):1491-7. doi: 10.1007/s00415-004-0578-x.

文献AI研究员

20分钟写一篇综述,助力文献阅读效率提升50倍。

立即体验

用中文搜PubMed

大模型驱动的PubMed中文搜索引擎

马上搜索

文档翻译

学术文献翻译模型,支持多种主流文档格式。

立即体验