Vick Silas H W, Greenfield Paul, Pinetown Kaydy L, Sherwood Neil, Gong Se, Tetu Sasha G, Midgley David J, Paulsen Ian T
Department of Molecular Sciences, Macquarie University, North Ryde, NSW, 2109, Australia; Energy Business Unit, Commonwealth Scientific and Industrial Research Organisation (CSIRO), North Ryde, NSW, 2113, Australia.
Energy Business Unit, Commonwealth Scientific and Industrial Research Organisation (CSIRO), North Ryde, NSW, 2113, Australia.
iScience. 2019 Feb 22;12:152-167. doi: 10.1016/j.isci.2019.01.011. Epub 2019 Jan 11.
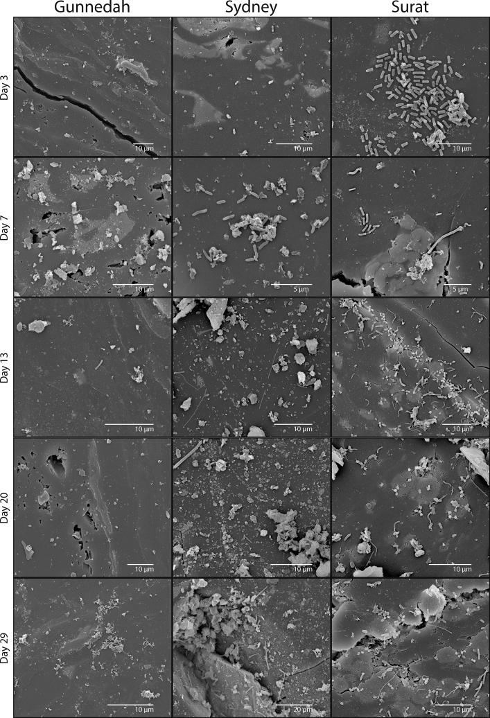
The subsurface represents a largely unexplored frontier in microbiology. Here, coal seams present something of an oasis for microbial life, providing moisture, warmth, and abundant fossilized organic material. Microbes in coal seams are thought to syntrophically mobilize fossilized carbon from the geosphere to the biosphere. Despite the environmental and economic importance of this process, little is known about the microbial ecology of coal seams. In the current study, ecological succession and spatial niche partitioning are explored in three coal seam microbial communities. Scanning electron microscopic visualization and 16S rRNA sequencing track changes in microbial communities over time, revealing distinct attached and planktonic communities displaying patterns of ecological succession. Attachment to the coal surface is biofilm mediated on Surat coal, whereas microbes on Sydney and Gunnedah coal show different attachment processes. This study demonstrates that coal seam microbial communities undergo spatial niche partitioning during periods of succession as microbes colonize coal environments.
地下层是微生物学中一个很大程度上未被探索的领域。在这里,煤层为微生物生命提供了一片类似绿洲的环境,提供了水分、温暖以及丰富的化石有机物质。煤层中的微生物被认为通过协同作用将地质圈中的化石碳转移到生物圈中。尽管这一过程具有环境和经济重要性,但人们对煤层的微生物生态学知之甚少。在当前的研究中,对三个煤层微生物群落中的生态演替和空间生态位划分进行了探索。扫描电子显微镜可视化和16S rRNA测序追踪了微生物群落随时间的变化,揭示了附着和浮游群落的不同模式,并呈现出生态演替。在苏拉特煤上,对煤表面的附着是由生物膜介导的,而悉尼煤和贡达赫煤上的微生物显示出不同的附着过程。这项研究表明,随着微生物在煤炭环境中定殖,煤层微生物群落在演替期间会经历空间生态位划分。