• 文献检索
  • 文档翻译
  • 深度研究
  • 学术资讯
  • Suppr Zotero 插件Zotero 插件
  • 邀请有礼
  • 套餐&价格
  • 历史记录
应用&插件
Suppr Zotero 插件Zotero 插件浏览器插件Mac 客户端Windows 客户端微信小程序
定价
高级版会员购买积分包购买API积分包
服务
文献检索文档翻译深度研究API 文档MCP 服务
关于我们
关于 Suppr公司介绍联系我们用户协议隐私条款
关注我们

Suppr 超能文献

核心技术专利:CN118964589B侵权必究
粤ICP备2023148730 号-1Suppr @ 2026

文献检索

告别复杂PubMed语法,用中文像聊天一样搜索,搜遍4000万医学文献。AI智能推荐,让科研检索更轻松。

立即免费搜索

文件翻译

保留排版,准确专业,支持PDF/Word/PPT等文件格式,支持 12+语言互译。

免费翻译文档

深度研究

AI帮你快速写综述,25分钟生成高质量综述,智能提取关键信息,辅助科研写作。

立即免费体验

一款用于-60至+40°C测量范围的具有非线性特性表征与校准功能的0.0014毫米150纳瓦CMOS温度传感器。

A 0.0014 mm 150 nW CMOS Temperature Sensor with Nonlinearity Characterization and Calibration for the -60 to +40 °C Measurement Range.

作者信息

Yang Wendi, Jiang Hanjun, Wang Zhihua

机构信息

Institute of Microelectronics, Tsinghua University, Beijing 100084, China.

出版信息

Sensors (Basel). 2019 Apr 13;19(8):1777. doi: 10.3390/s19081777.

DOI:10.3390/s19081777
PMID:31013907
原文链接:https://pmc.ncbi.nlm.nih.gov/articles/PMC6515268/
Abstract

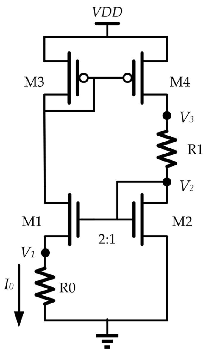
This work presents a complementary metal-oxide-semiconductor (CMOS) ultra-low power temperature sensor chip for cold chain applications with temperatures down to -60 °C. The sensor chip is composed of a temperature-to-current converter to generate a current proportional to the absolute temperature (PTAT), a current controlled oscillator to convert the current to a frequency signal, and a counter as the frequency-to-digital converter. Unlike the conventional linear error calibration method, the nonlinear error of the PTAT current under the low temperature range is fully characterized based on the device model files provided by the foundry. Simulation has been performed, which clearly shows the nonlinear model is much more accurate than the linear model. A nonlinear error calibration method, which requires only two-point calibration, is then proposed. The temperature sensor chip has been designed and fabricated in a 0.13 μm CMOS process, with a total active die area of 0.0014 mm. The sensor only draws a 140 nA current from a 1.1 V supply, with the key transistors working in the deep subthreshold region. Measurement results show that the proposed nonlinear calibration can decrease the measurement error from -0.9 to +1.1 °C for the measurement range of -60 to +40 °C, in comparison with the error of -1.8 to +5.3 °C using the conventional linear error calibration.

摘要

本文介绍了一种用于冷链应用的互补金属氧化物半导体(CMOS)超低功耗温度传感器芯片,其温度范围可达-60°C。该传感器芯片由一个温度-电流转换器组成,用于产生与绝对温度(PTAT)成比例的电流;一个电流控制振荡器,用于将电流转换为频率信号;以及一个计数器作为频率-数字转换器。与传统的线性误差校准方法不同,基于代工厂提供的器件模型文件,对低温范围内PTAT电流的非线性误差进行了全面表征。进行了仿真,结果清楚地表明非线性模型比线性模型精确得多。随后提出了一种仅需两点校准的非线性误差校准方法。该温度传感器芯片采用0.13μm CMOS工艺设计并制造,总有源芯片面积为0.0014mm²。该传感器从1.1V电源仅汲取140nA电流,关键晶体管工作在深亚阈值区域。测量结果表明,与使用传统线性误差校准的-1.8至+5.3°C的误差相比,所提出的非线性校准在-60至+40°C的测量范围内可将测量误差从-0.9降低至+1.1°C。

https://cdn.ncbi.nlm.nih.gov/pmc/blobs/77eb/6515268/c3c1e7dbefa6/sensors-19-01777-g011.jpg
https://cdn.ncbi.nlm.nih.gov/pmc/blobs/77eb/6515268/d29ea04a08f1/sensors-19-01777-g001.jpg
https://cdn.ncbi.nlm.nih.gov/pmc/blobs/77eb/6515268/c24354b360e8/sensors-19-01777-g002.jpg
https://cdn.ncbi.nlm.nih.gov/pmc/blobs/77eb/6515268/af727253a969/sensors-19-01777-g003.jpg
https://cdn.ncbi.nlm.nih.gov/pmc/blobs/77eb/6515268/39b6d67a991b/sensors-19-01777-g004.jpg
https://cdn.ncbi.nlm.nih.gov/pmc/blobs/77eb/6515268/032cf32335bc/sensors-19-01777-g005.jpg
https://cdn.ncbi.nlm.nih.gov/pmc/blobs/77eb/6515268/1d716c4df3c9/sensors-19-01777-g006.jpg
https://cdn.ncbi.nlm.nih.gov/pmc/blobs/77eb/6515268/54e9470104c1/sensors-19-01777-g007.jpg
https://cdn.ncbi.nlm.nih.gov/pmc/blobs/77eb/6515268/0503473d4474/sensors-19-01777-g008.jpg
https://cdn.ncbi.nlm.nih.gov/pmc/blobs/77eb/6515268/13f899519d0d/sensors-19-01777-g009.jpg
https://cdn.ncbi.nlm.nih.gov/pmc/blobs/77eb/6515268/9c02c966f243/sensors-19-01777-g010.jpg
https://cdn.ncbi.nlm.nih.gov/pmc/blobs/77eb/6515268/c3c1e7dbefa6/sensors-19-01777-g011.jpg
https://cdn.ncbi.nlm.nih.gov/pmc/blobs/77eb/6515268/d29ea04a08f1/sensors-19-01777-g001.jpg
https://cdn.ncbi.nlm.nih.gov/pmc/blobs/77eb/6515268/c24354b360e8/sensors-19-01777-g002.jpg
https://cdn.ncbi.nlm.nih.gov/pmc/blobs/77eb/6515268/af727253a969/sensors-19-01777-g003.jpg
https://cdn.ncbi.nlm.nih.gov/pmc/blobs/77eb/6515268/39b6d67a991b/sensors-19-01777-g004.jpg
https://cdn.ncbi.nlm.nih.gov/pmc/blobs/77eb/6515268/032cf32335bc/sensors-19-01777-g005.jpg
https://cdn.ncbi.nlm.nih.gov/pmc/blobs/77eb/6515268/1d716c4df3c9/sensors-19-01777-g006.jpg
https://cdn.ncbi.nlm.nih.gov/pmc/blobs/77eb/6515268/54e9470104c1/sensors-19-01777-g007.jpg
https://cdn.ncbi.nlm.nih.gov/pmc/blobs/77eb/6515268/0503473d4474/sensors-19-01777-g008.jpg
https://cdn.ncbi.nlm.nih.gov/pmc/blobs/77eb/6515268/13f899519d0d/sensors-19-01777-g009.jpg
https://cdn.ncbi.nlm.nih.gov/pmc/blobs/77eb/6515268/9c02c966f243/sensors-19-01777-g010.jpg
https://cdn.ncbi.nlm.nih.gov/pmc/blobs/77eb/6515268/c3c1e7dbefa6/sensors-19-01777-g011.jpg

相似文献

1
A 0.0014 mm 150 nW CMOS Temperature Sensor with Nonlinearity Characterization and Calibration for the -60 to +40 °C Measurement Range.一款用于-60至+40°C测量范围的具有非线性特性表征与校准功能的0.0014毫米150纳瓦CMOS温度传感器。
Sensors (Basel). 2019 Apr 13;19(8):1777. doi: 10.3390/s19081777.
2
Design of an Embedded CMOS Temperature Sensor for Passive RFID Tag Chips.用于无源射频识别标签芯片的嵌入式CMOS温度传感器设计
Sensors (Basel). 2015 May 18;15(5):11442-53. doi: 10.3390/s150511442.
3
A Temperature-to-Frequency Converter-Based On-Chip Temperature Sensor with an Inaccuracy of +0.65 °C/-0.49 °C.一种基于温度-频率转换器的片上温度传感器,精度为+0.65°C/-0.49°C。
Sensors (Basel). 2023 May 29;23(11):5169. doi: 10.3390/s23115169.
4
A 0.026 mm Time Domain CMOS Temperature Sensor with Simple Current Source.一款采用简单电流源的0.026毫米时域CMOS温度传感器。
Micromachines (Basel). 2020 Sep 28;11(10):899. doi: 10.3390/mi11100899.
5
Study of CMOS-SOI Integrated Temperature Sensing Circuits for On-Chip Temperature Monitoring.用于片上温度监测的 CMOS-SOI 集成温度传感电路研究。
Sensors (Basel). 2018 May 19;18(5):1629. doi: 10.3390/s18051629.
6
A CMOS-Thyristor Based Temperature Sensor with +0.37 °C/-0.32 °C Inaccuracy.一种基于CMOS晶闸管的温度传感器,误差为+0.37°C/-0.32°C。
Micromachines (Basel). 2020 Jan 22;11(2):124. doi: 10.3390/mi11020124.
7
A Highly Accurate, Polynomial-Based Digital Temperature Compensation for Piezoresistive Pressure Sensor in 180 nm CMOS Technology.基于多项式的高精度数字温度补偿,用于180nm CMOS技术的压阻式压力传感器。
Sensors (Basel). 2020 Sep 14;20(18):5256. doi: 10.3390/s20185256.
8
A linearization time-domain CMOS smart temperature sensor using a curvature compensation oscillator.一种使用曲率补偿振荡器的线性化时域 CMOS 智能温度传感器。
Sensors (Basel). 2013 Aug 28;13(9):11439-52. doi: 10.3390/s130911439.
9
A High-Precision CMOS Temperature Sensor with Thermistor Linear Calibration in the (-5 °C, 120 °C) Temperature Range.在(-5°C,120°C)温度范围内具有热敏电阻线性校准功能的高精度 CMOS 温度传感器。
Sensors (Basel). 2018 Jul 5;18(7):2165. doi: 10.3390/s18072165.
10
A CMOS smart temperature and humidity sensor with combined readout.一种具有组合读出功能的CMOS智能温度和湿度传感器。
Sensors (Basel). 2014 Sep 16;14(9):17192-211. doi: 10.3390/s140917192.

引用本文的文献

1
On-chip solar power source for self-powered smart microsensors in bulk CMOS process.用于体CMOS工艺中自供电智能微传感器的片上太阳能电源。
Commun Eng. 2025 Feb 17;4(1):23. doi: 10.1038/s44172-025-00358-w.
2
Calibration of Ring Oscillator-Based Integrated Temperature Sensors for Power Management Systems.用于电源管理系统的基于环形振荡器的集成温度传感器的校准
Sensors (Basel). 2024 Jan 11;24(2):0. doi: 10.3390/s24020440.
3
A Temperature-to-Frequency Converter-Based On-Chip Temperature Sensor with an Inaccuracy of +0.65 °C/-0.49 °C.

本文引用的文献

1
Rapid Establishment of a Cold Chain Capacity of -60°C or Colder for the STRIVE Ebola Vaccine Trial During the Ebola Outbreak in Sierra Leone.在塞拉利昂埃博拉疫情期间,为 STRIVE 埃博拉疫苗试验快速建立 -60°C 或更低温的冷链能力。
J Infect Dis. 2018 May 18;217(suppl_1):S48-S55. doi: 10.1093/infdis/jix336.
2
Evaluation of the impact of Shandong illegal vaccine sales incident on immunizations in China.评估山东非法疫苗销售事件对中国免疫接种的影响。
Hum Vaccin Immunother. 2018 Jul 3;14(7):1672-1678. doi: 10.1080/21645515.2018.1473697. Epub 2018 Jun 19.
3
Refrigerated fruit storage monitoring combining two different wireless sensing technologies: RFID and WSN.
一种基于温度-频率转换器的片上温度传感器,精度为+0.65°C/-0.49°C。
Sensors (Basel). 2023 May 29;23(11):5169. doi: 10.3390/s23115169.
4
Wearables for the Next Pandemic.应对下一场大流行的可穿戴设备。
IEEE Access. 2020 Oct 6;8:184457-184474. doi: 10.1109/ACCESS.2020.3029130. eCollection 2020.
5
Categorization and Characterization of Time Domain CMOS Temperature Sensors.时域CMOS温度传感器的分类与特性分析
Sensors (Basel). 2020 Nov 23;20(22):6700. doi: 10.3390/s20226700.
6
A 0.026 mm Time Domain CMOS Temperature Sensor with Simple Current Source.一款采用简单电流源的0.026毫米时域CMOS温度传感器。
Micromachines (Basel). 2020 Sep 28;11(10):899. doi: 10.3390/mi11100899.
7
A Low-Power CMOS Wireless Acoustic Sensing Platform for Remote Surveillance Applications.用于远程监控应用的低功耗 CMOS 无线声敏传感平台。
Sensors (Basel). 2019 Dec 28;20(1):178. doi: 10.3390/s20010178.
结合两种不同无线传感技术(射频识别和无线传感器网络)的冷藏水果存储监测
Sensors (Basel). 2015 Feb 26;15(3):4781-95. doi: 10.3390/s150304781.
4
A review of wireless sensor technologies and applications in agriculture and food industry: state of the art and current trends.无线传感器技术在农业和食品工业中的应用综述:现状与发展趋势。
Sensors (Basel). 2009;9(6):4728-50. doi: 10.3390/s90604728. Epub 2009 Jun 16.