Suppr超能文献

用于从烟道气中捕获二氧化碳的聚合物膜工程的最新进展。

Recent Progress in the Engineering of Polymeric Membranes for CO Capture from Flue Gas.

作者信息

Han Yang, Yang Yutong, Ho W S Winston

机构信息

William G. Lowrie Department of Chemical and Biomolecular Engineering, The Ohio State University, 151 West Woodruff Avenue, Columbus, OH 43210-1350, USA.

Department of Materials Science and Engineering, The Ohio State University, 2041 College Road, Columbus, OH 43210-1178, USA.

出版信息

Membranes (Basel). 2020 Nov 23;10(11):365. doi: 10.3390/membranes10110365.

Abstract

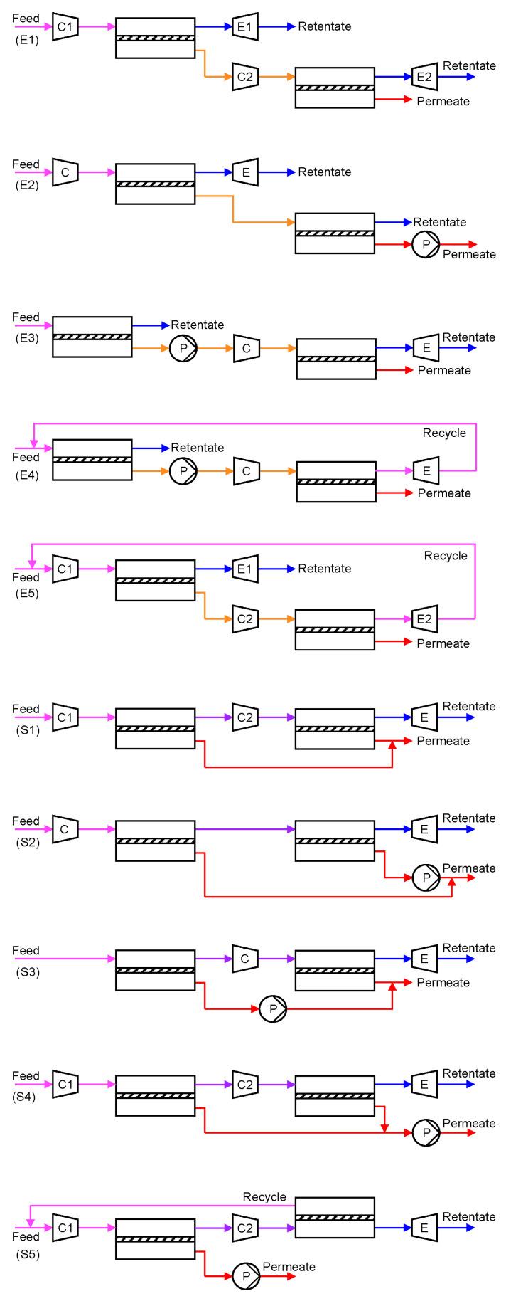
CO capture from coal- or natural gas-derived flue gas has been widely considered as the next opportunity for the large-scale deployment of gas separation membranes. Despite the tremendous progress made in the synthesis of polymeric membranes with high CO/N separation performance, only a few membrane technologies were advanced to the bench-scale study or above from a highly idealized laboratory setting. Therefore, the recent progress in polymeric membranes is reviewed in the perspectives of capture system energetics, process synthesis, membrane scale-up, modular fabrication, and field tests. These engineering considerations can provide a holistic approach to better guide membrane research and accelerate the commercialization of gas separation membranes for post-combustion carbon capture.

摘要

从煤或天然气燃烧产生的烟道气中捕获二氧化碳,已被广泛视为大规模应用气体分离膜的下一个机遇。尽管在合成具有高CO₂/N₂分离性能的聚合物膜方面取得了巨大进展,但只有少数膜技术从高度理想化的实验室环境进入了中试规模或以上的研究阶段。因此,本文从捕获系统能量学、过程合成、膜放大、模块化制造和现场测试等角度,对聚合物膜的最新进展进行了综述。这些工程考量能够提供一种整体方法,以更好地指导膜研究,并加速用于燃烧后碳捕获的气体分离膜的商业化进程。

https://cdn.ncbi.nlm.nih.gov/pmc/blobs/3c04/7709046/035a06f19eb7/membranes-10-00365-g001.jpg

文献AI研究员

20分钟写一篇综述,助力文献阅读效率提升50倍。

立即体验

用中文搜PubMed

大模型驱动的PubMed中文搜索引擎

马上搜索

文档翻译

学术文献翻译模型,支持多种主流文档格式。

立即体验