• 文献检索
  • 文档翻译
  • 深度研究
  • 学术资讯
  • Suppr Zotero 插件Zotero 插件
  • 邀请有礼
  • 套餐&价格
  • 历史记录
应用&插件
Suppr Zotero 插件Zotero 插件浏览器插件Mac 客户端Windows 客户端微信小程序
定价
高级版会员购买积分包购买API积分包
服务
文献检索文档翻译深度研究API 文档MCP 服务
关于我们
关于 Suppr公司介绍联系我们用户协议隐私条款
关注我们

Suppr 超能文献

核心技术专利:CN118964589B侵权必究
粤ICP备2023148730 号-1Suppr @ 2026

文献检索

告别复杂PubMed语法,用中文像聊天一样搜索,搜遍4000万医学文献。AI智能推荐,让科研检索更轻松。

立即免费搜索

文件翻译

保留排版,准确专业,支持PDF/Word/PPT等文件格式,支持 12+语言互译。

免费翻译文档

深度研究

AI帮你快速写综述,25分钟生成高质量综述,智能提取关键信息,辅助科研写作。

立即免费体验

使用超宽带设备在无加速度测量的结构化环境中进行定位,并使用卡尔曼-布西滤波器进行速度估计。

Localization in Structured Environments with UWB Devices without Acceleration Measurements, and Velocity Estimation Using a Kalman-Bucy Filter.

作者信息

Alonge Francesco, Cusumano Pasquale, D'Ippolito Filippo, Garraffa Giovanni, Livreri Patrizia, Sferlazza Antonino

机构信息

Department of Engineering, University of Palermo, Viale delle Scienze Ed. 10, 90128 Palermo, Italy.

Faculty of Engineering and Architecture, University of Enna KORE, 94100 Enna, Italy.

出版信息

Sensors (Basel). 2022 Aug 22;22(16):6308. doi: 10.3390/s22166308.

DOI:10.3390/s22166308
PMID:36016076
原文链接:https://pmc.ncbi.nlm.nih.gov/articles/PMC9415939/
Abstract

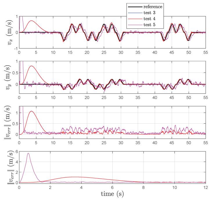
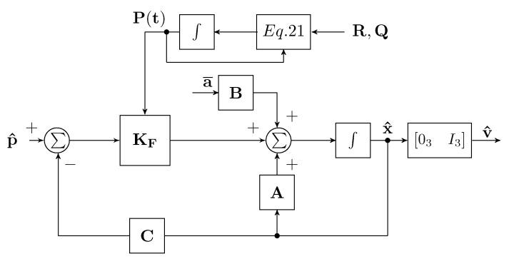
In this work, a novel scheme for velocity and position estimation in a UWB range-based localization system is proposed. The suggested estimation strategy allows to overcome two main problems typically encountered in the localization systems. The first one is that it can be suitable for use in environments where the GPS signal is not present or where it might fail. The second one is that no accelerometer measurements are needed for the localization task. Moreover, to deal with the velocity estimation problem, a suitable Kalman-Bucy filter is designed and it is compared, experimentally, with a particle filter by showing the features of the two algorithms in order to be used in a localization context. Additionally, further experimental tests are carried out on a suitable developed test setup in order to confirm the goodness of the proposed approach.

摘要

在这项工作中,提出了一种用于基于超宽带(UWB)距离定位系统中速度和位置估计的新颖方案。所建议的估计策略能够克服定位系统中通常遇到的两个主要问题。第一个问题是它适用于不存在GPS信号或GPS信号可能失效的环境。第二个问题是定位任务不需要加速度计测量。此外,为了处理速度估计问题,设计了一种合适的卡尔曼 - 布西滤波器,并通过展示两种算法的特性在实验上与粒子滤波器进行比较,以便在定位环境中使用。此外,在合适的开发测试装置上进行了进一步的实验测试,以确认所提方法的有效性。

https://cdn.ncbi.nlm.nih.gov/pmc/blobs/71c6/9415939/cd225526abc2/sensors-22-06308-g011.jpg
https://cdn.ncbi.nlm.nih.gov/pmc/blobs/71c6/9415939/49f6b68ec465/sensors-22-06308-g0A1.jpg
https://cdn.ncbi.nlm.nih.gov/pmc/blobs/71c6/9415939/16946be2b115/sensors-22-06308-g001.jpg
https://cdn.ncbi.nlm.nih.gov/pmc/blobs/71c6/9415939/f410089e3b7c/sensors-22-06308-g002.jpg
https://cdn.ncbi.nlm.nih.gov/pmc/blobs/71c6/9415939/e312433c95c3/sensors-22-06308-g003.jpg
https://cdn.ncbi.nlm.nih.gov/pmc/blobs/71c6/9415939/96a5cb71aab0/sensors-22-06308-g004.jpg
https://cdn.ncbi.nlm.nih.gov/pmc/blobs/71c6/9415939/2e3fb4c6a1d8/sensors-22-06308-g005.jpg
https://cdn.ncbi.nlm.nih.gov/pmc/blobs/71c6/9415939/52ff8e4d1a7a/sensors-22-06308-g006.jpg
https://cdn.ncbi.nlm.nih.gov/pmc/blobs/71c6/9415939/27564ebd3392/sensors-22-06308-g007.jpg
https://cdn.ncbi.nlm.nih.gov/pmc/blobs/71c6/9415939/fe2250d5d261/sensors-22-06308-g008.jpg
https://cdn.ncbi.nlm.nih.gov/pmc/blobs/71c6/9415939/5d6f5ea15381/sensors-22-06308-g009.jpg
https://cdn.ncbi.nlm.nih.gov/pmc/blobs/71c6/9415939/16c5f45533c8/sensors-22-06308-g010.jpg
https://cdn.ncbi.nlm.nih.gov/pmc/blobs/71c6/9415939/cd225526abc2/sensors-22-06308-g011.jpg
https://cdn.ncbi.nlm.nih.gov/pmc/blobs/71c6/9415939/49f6b68ec465/sensors-22-06308-g0A1.jpg
https://cdn.ncbi.nlm.nih.gov/pmc/blobs/71c6/9415939/16946be2b115/sensors-22-06308-g001.jpg
https://cdn.ncbi.nlm.nih.gov/pmc/blobs/71c6/9415939/f410089e3b7c/sensors-22-06308-g002.jpg
https://cdn.ncbi.nlm.nih.gov/pmc/blobs/71c6/9415939/e312433c95c3/sensors-22-06308-g003.jpg
https://cdn.ncbi.nlm.nih.gov/pmc/blobs/71c6/9415939/96a5cb71aab0/sensors-22-06308-g004.jpg
https://cdn.ncbi.nlm.nih.gov/pmc/blobs/71c6/9415939/2e3fb4c6a1d8/sensors-22-06308-g005.jpg
https://cdn.ncbi.nlm.nih.gov/pmc/blobs/71c6/9415939/52ff8e4d1a7a/sensors-22-06308-g006.jpg
https://cdn.ncbi.nlm.nih.gov/pmc/blobs/71c6/9415939/27564ebd3392/sensors-22-06308-g007.jpg
https://cdn.ncbi.nlm.nih.gov/pmc/blobs/71c6/9415939/fe2250d5d261/sensors-22-06308-g008.jpg
https://cdn.ncbi.nlm.nih.gov/pmc/blobs/71c6/9415939/5d6f5ea15381/sensors-22-06308-g009.jpg
https://cdn.ncbi.nlm.nih.gov/pmc/blobs/71c6/9415939/16c5f45533c8/sensors-22-06308-g010.jpg
https://cdn.ncbi.nlm.nih.gov/pmc/blobs/71c6/9415939/cd225526abc2/sensors-22-06308-g011.jpg

相似文献

1
Localization in Structured Environments with UWB Devices without Acceleration Measurements, and Velocity Estimation Using a Kalman-Bucy Filter.使用超宽带设备在无加速度测量的结构化环境中进行定位,并使用卡尔曼-布西滤波器进行速度估计。
Sensors (Basel). 2022 Aug 22;22(16):6308. doi: 10.3390/s22166308.
2
Neural network assisted Kalman filter for INS/UWB integrated seamless quadrotor localization.用于INS/UWB集成无缝四旋翼定位的神经网络辅助卡尔曼滤波器
PeerJ Comput Sci. 2021 Jul 14;7:e630. doi: 10.7717/peerj-cs.630. eCollection 2021.
3
IMU/UWB Fusion Method Using a Complementary Filter and a Kalman Filter for Hybrid Upper Limb Motion Estimation.一种使用互补滤波器和卡尔曼滤波器的IMU/UWB融合方法用于混合上肢运动估计
Sensors (Basel). 2023 Jul 26;23(15):6700. doi: 10.3390/s23156700.
4
Experimental Evaluation of UWB Indoor Positioning for Sport Postures.超宽带室内定位在运动姿态中的实验评估。
Sensors (Basel). 2018 Jan 9;18(1):168. doi: 10.3390/s18010168.
5
A Tightly-Coupled GPS/INS/UWB Cooperative Positioning Sensors System Supported by V2I Communication.一种由车对基础设施(V2I)通信支持的紧密耦合全球定位系统(GPS)/惯性导航系统(INS)/超宽带(UWB)协同定位传感器系统。
Sensors (Basel). 2016 Jun 27;16(7):944. doi: 10.3390/s16070944.
6
Experimental Evaluation of Sensor Fusion of Low-Cost UWB and IMU for Localization under Indoor Dynamic Testing Conditions.室内动态测试条件下低成本超宽带(UWB)与惯性测量单元(IMU)传感器融合定位的实验评估
Sensors (Basel). 2022 Oct 25;22(21):8156. doi: 10.3390/s22218156.
7
A Novel Cooperative Localization Method Based on IMU and UWB.基于惯性测量单元和超宽带的新型协同定位方法。
Sensors (Basel). 2020 Jan 14;20(2):467. doi: 10.3390/s20020467.
8
A Federated Derivative Cubature Kalman Filter for IMU-UWB Indoor Positioning.一种用于IMU-UWB室内定位的联邦导数容积卡尔曼滤波器。
Sensors (Basel). 2020 Jun 21;20(12):3514. doi: 10.3390/s20123514.
9
Cost-Effective Wearable Indoor Localization and Motion Analysis via the Integration of UWB and IMU.基于超宽带(UWB)和惯性测量单元(IMU)集成的具有成本效益的可穿戴室内定位和运动分析。
Sensors (Basel). 2020 Jan 7;20(2):344. doi: 10.3390/s20020344.
10
A magnetometer-free indoor human localization based on loosely coupled IMU/UWB fusion.一种基于松耦合惯性测量单元/超宽带融合的无磁强计室内人体定位方法。
Annu Int Conf IEEE Eng Med Biol Soc. 2015;2015:3141-4. doi: 10.1109/EMBC.2015.7319058.

引用本文的文献

1
Real-Time Monitoring of Underground Miners' Status Based on Mine IoT System.基于矿山物联网系统的地下矿工状态实时监测
Sensors (Basel). 2024 Jan 23;24(3):739. doi: 10.3390/s24030739.
2
MAV Localization in Large-Scale Environments: A Decoupled Optimization/Filtering Approach.大规模环境中的 MAV 定位:一种解耦的优化/滤波方法。
Sensors (Basel). 2023 Jan 3;23(1):516. doi: 10.3390/s23010516.
3
Weigh-in-Motion System Based on an Improved Kalman and LSTM-Attention Algorithm.基于改进卡尔曼和 LSTM 注意力算法的动态称重系统。

本文引用的文献

1
Multi-Sensor Fusion for Underwater Vehicle Localization by Augmentation of RBF Neural Network and Error-State Kalman Filter.基于径向基函数神经网络增强与误差状态卡尔曼滤波器的水下航行器多传感器融合定位方法
Sensors (Basel). 2021 Feb 6;21(4):1149. doi: 10.3390/s21041149.
2
Ultra Wideband Indoor Positioning Technologies: Analysis and Recent Advances.超宽带室内定位技术:分析与最新进展
Sensors (Basel). 2016 May 16;16(5):707. doi: 10.3390/s16050707.
Sensors (Basel). 2022 Dec 26;23(1):250. doi: 10.3390/s23010250.
4
Research on Attitude Detection and Flight Experiment of Coaxial Twin-Rotor UAV.共轴双旋翼无人机姿态检测与飞行实验研究。
Sensors (Basel). 2022 Dec 7;22(24):9572. doi: 10.3390/s22249572.
5
Precision Seeding Compensation and Positioning Based on Multisensors.基于多传感器的精确定位播种补偿。
Sensors (Basel). 2022 Sep 23;22(19):7228. doi: 10.3390/s22197228.