Faculty of Chemistry, Silesian University of Technology, Krzywoustego 4, 44-100 Gliwice, Poland.
Int J Mol Sci. 2022 Sep 24;23(19):11282. doi: 10.3390/ijms231911282.
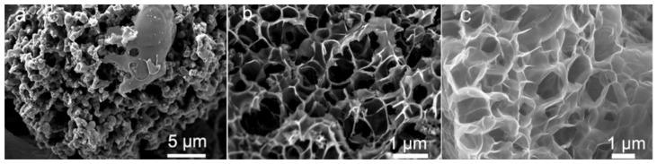
Increasing energy demands exacerbated by energy shortages have highlighted the urgency of research on renewable energy technologies. Carbon materials that can be employed as advanced electrodes and catalysts can increase the accessibility of efficient and economical energy conversion and storage solutions based on electrocatalysis. In particular, carbon materials derived from biomass are promising candidates to replace precious-metal-based catalysts, owing to their low cost, anti-corrosion properties, electrochemical durability, and sustainability. For catalytic applications, the rational design and engineering of functional carbon materials in terms of their structure, morphology, and heteroatom doping are crucial. Phytic acid derived from natural, abundant, and renewable resources represents a versatile carbon precursor and modifier that can be introduced to tune the aforementioned properties. This review discusses synthetic strategies for preparing functional carbon materials using phytic acid and explores the influence of this precursor on the resulting materials' physicochemical characteristics. We also summarize recent strategies that have been applied to improve the oxygen reduction performance of porous carbon materials using phytic acid, thereby offering guidance for the future design of functional, sustainable carbon materials with enhanced catalytic properties.
能源短缺加剧了能源需求的增长,这凸显了可再生能源技术研究的紧迫性。可以用作先进电极和催化剂的碳材料,可以提高基于电催化的高效和经济能源转换和存储解决方案的可及性。特别是,源自生物质的碳材料由于其低成本、耐腐蚀性、电化学耐久性和可持续性,是替代基于贵金属的催化剂的有前途的候选材料。对于催化应用,从结构、形态和杂原子掺杂等方面对功能碳材料进行合理的设计和工程化至关重要。植酸来源于天然、丰富和可再生资源,是一种多功能的碳前体和调节剂,可以引入来调节上述性能。本综述讨论了使用植酸制备功能碳材料的合成策略,并探讨了该前体对所得材料物理化学特性的影响。我们还总结了最近应用于提高多孔碳材料氧还原性能的策略,从而为具有增强催化性能的功能性、可持续碳材料的未来设计提供指导。