Suppr超能文献

用于雷达网络应用的具有二次谐波抑制功能的C波段30 W高功率附加效率功率放大器单片微波集成电路

C-Band 30 W High PAE Power Amplifier MMIC with Second Harmonic Suppression for Radar Network Application.

作者信息

Yang Fan, Song Leijun, Xu Yuehang

机构信息

School of Electronic Science and Engineering, University of Electronic Science and Technology of China, Chengdu 611731, China.

Microwave Technology Research and Development Center, Beijing Institute of Radio Measurement, Beijing 100854, China.

出版信息

Micromachines (Basel). 2022 Nov 26;13(12):2079. doi: 10.3390/mi13122079.

Abstract

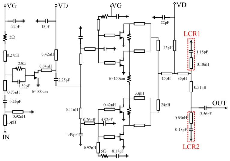
In order to meet the application requirements of radar networks for high efficiency and high second harmonic suppression (SHS) of power amplifiers, this paper proposes a C-band 30 W power amplifier (PA) microwave monolithic integrated circuit (MMIC) based on 0.25 μm gallium nitride (GaN) high electron mobility transistor (HEMT) process. The proposed PA uses a two-stage amplifier structure to achieve high power gain. A topology with SHS is designed in the output-matching network. Besides, the large signal model load pull simulation and the harmonic control technology in the output stage are used to improve efficiency. The high-power additional efficiency (PAE) and high SHS of the PA MMIC are achieved simultaneously. In the 5-6 GHz frequency range, multiple indicator measurements of the proposed PA show that output power is over 45 dBm, the PAE is more than 57%, the SHS exceeds 45 dBc, the power gain is greater than 24 dB, which are conducted under the condition of 100 μs pulse width and 10% duty cycle. In addition, the size of the PA MMIC, including bonding pads, is 3.3 × 3.1 mm.

摘要

为满足雷达网络对功率放大器高效率和高二次谐波抑制(SHS)的应用需求,本文提出了一种基于0.25μm氮化镓(GaN)高电子迁移率晶体管(HEMT)工艺的C波段30W功率放大器(PA)微波单片集成电路(MMIC)。所提出的PA采用两级放大器结构以实现高功率增益。在输出匹配网络中设计了一种具有SHS的拓扑结构。此外,利用大信号模型负载牵引仿真和输出级的谐波控制技术来提高效率。该PA MMIC同时实现了高功率附加效率(PAE)和高SHS。在5 - 6GHz频率范围内,对所提出的PA进行的多项指标测量表明,在100μs脉冲宽度和10%占空比的条件下,输出功率超过45dBm,PAE大于57%,SHS超过45dBc,功率增益大于24dB。此外,包括焊盘在内的PA MMIC尺寸为3.3×3.1mm。

https://cdn.ncbi.nlm.nih.gov/pmc/blobs/ac58/9782156/c6f167969ecc/micromachines-13-02079-g001.jpg

文献AI研究员

20分钟写一篇综述,助力文献阅读效率提升50倍。

立即体验

用中文搜PubMed

大模型驱动的PubMed中文搜索引擎

马上搜索

文档翻译

学术文献翻译模型,支持多种主流文档格式。

立即体验