Suppr超能文献

纳米纤维素添加对纸张机械性能的影响。

Effect of a Nanocellulose Addition on the Mechanical Properties of Paper.

作者信息

Bárta Josef, Hájková Kateřina, Sikora Adam, Jurczyková Tereza, Popelková Daniela, Kalous Petr

机构信息

Department of Wood Processing and Biomaterials, Faculty of Forestry and Wood Sciences, Czech University of Life Sciences Prague, Kamýcká 129, 165 00 Prague, Czech Republic.

Faculty of Forestry and Wood Sciences, Czech University of Life Sciences Prague, Kamýcká 129, 165 00 Prague, Czech Republic.

出版信息

Polymers (Basel). 2023 Dec 26;16(1):73. doi: 10.3390/polym16010073.

Abstract

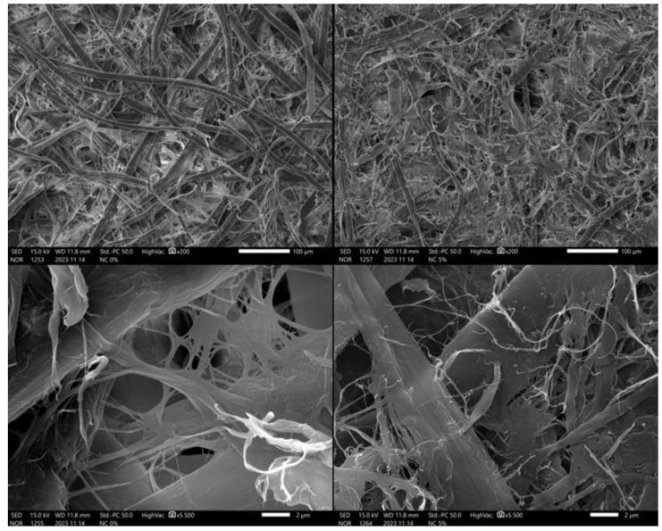
Nowadays, the emphasis is on increasing the durability of all products. For this reason, it is also advisable to look into extending the durability of paper products. The main reason for using flax pulp is that flax and cotton pulp are widely used for the production of banknotes due to their higher strength. This paper deals with flax pulp with the addition of nanocellulose, which should further enhance the mechanical properties of the pulp. The tensile strength, breaking length, and tensile energy absorption index were evaluated as the key mechanical properties. At the same time, the effect of the addition of nanocellulose, whether it was added to the pulp mass or applied to the later produced paper as a spray or coating, was tested in comparison to paper without the addition of nanocellulose. The best mechanical properties, i.e., tensile strength, were achieved for the highest addition of 5% of nanocellulose into the pulp, at 24.3 Nm∙g, and for the coating application, at 28.7 Nm∙g, compared to the flax pulp without the addition, where the tensile strength was 20.5 Nm∙g. The results of this research are used for the assessment of nanocellulose as a natural compatible additive to enhance the strength properties of cellulose-based materials.

摘要

如今,重点在于提高所有产品的耐用性。因此,研究提高纸制品的耐用性也是可取的。使用亚麻浆的主要原因是亚麻浆和棉浆因其较高的强度而被广泛用于生产纸币。本文研究了添加纳米纤维素的亚麻浆,纳米纤维素应能进一步提高纸浆的机械性能。拉伸强度、裂断长和拉伸能吸收指数被评估为关键的机械性能。同时,将添加纳米纤维素(无论是添加到纸浆中,还是作为喷雾或涂层应用于后期生产的纸张上)的效果与未添加纳米纤维素的纸张进行了比较测试。在纸浆中添加5%的纳米纤维素时,拉伸强度达到最佳,为24.3 Nm∙g,涂层应用时为28.7 Nm∙g,而未添加纳米纤维素的亚麻浆拉伸强度为20.5 Nm∙g。本研究结果用于评估纳米纤维素作为一种天然相容添加剂对增强纤维素基材料强度性能的作用。

https://cdn.ncbi.nlm.nih.gov/pmc/blobs/7995/10780965/c1f7781baa9e/polymers-16-00073-g001.jpg

文献检索

告别复杂PubMed语法,用中文像聊天一样搜索,搜遍4000万医学文献。AI智能推荐,让科研检索更轻松。

立即免费搜索

文件翻译

保留排版,准确专业,支持PDF/Word/PPT等文件格式,支持 12+语言互译。

免费翻译文档

深度研究

AI帮你快速写综述,25分钟生成高质量综述,智能提取关键信息,辅助科研写作。

立即免费体验