• 文献检索
  • 文档翻译
  • 深度研究
  • 学术资讯
  • Suppr Zotero 插件Zotero 插件
  • 邀请有礼
  • 套餐&价格
  • 历史记录
应用&插件
Suppr Zotero 插件Zotero 插件浏览器插件Mac 客户端Windows 客户端微信小程序
定价
高级版会员购买积分包购买API积分包
服务
文献检索文档翻译深度研究API 文档MCP 服务
关于我们
关于 Suppr公司介绍联系我们用户协议隐私条款
关注我们

Suppr 超能文献

核心技术专利:CN118964589B侵权必究
粤ICP备2023148730 号-1Suppr @ 2026

文献检索

告别复杂PubMed语法,用中文像聊天一样搜索,搜遍4000万医学文献。AI智能推荐,让科研检索更轻松。

立即免费搜索

文件翻译

保留排版,准确专业,支持PDF/Word/PPT等文件格式,支持 12+语言互译。

免费翻译文档

深度研究

AI帮你快速写综述,25分钟生成高质量综述,智能提取关键信息,辅助科研写作。

立即免费体验

新方法可准确区分和定位具有不同内部绕组故障的电力变压器。

New approach for accurate discrimination and location of power transformers with different internal winding faults.

机构信息

Electrical Power and Machines Department, Higher Institute of Engineering, El Shorouk Academy, Cairo, Egypt.

Electrical Power and Machines Department, Faculty of Engineering, Al Azhar University, Cairo, Egypt.

出版信息

PLoS One. 2024 Oct 11;19(10):e0309926. doi: 10.1371/journal.pone.0309926. eCollection 2024.

DOI:10.1371/journal.pone.0309926
PMID:39392809
原文链接:https://pmc.ncbi.nlm.nih.gov/articles/PMC11469500/
Abstract

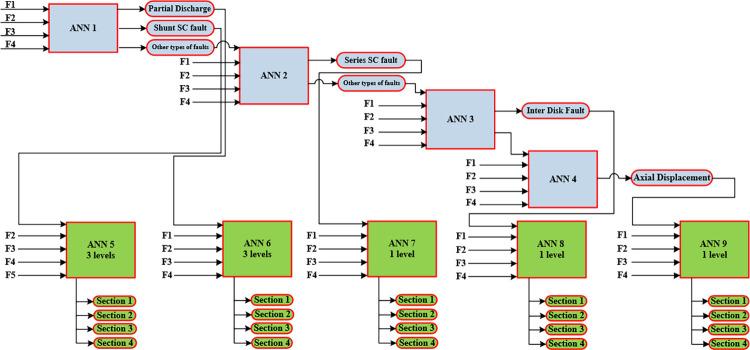
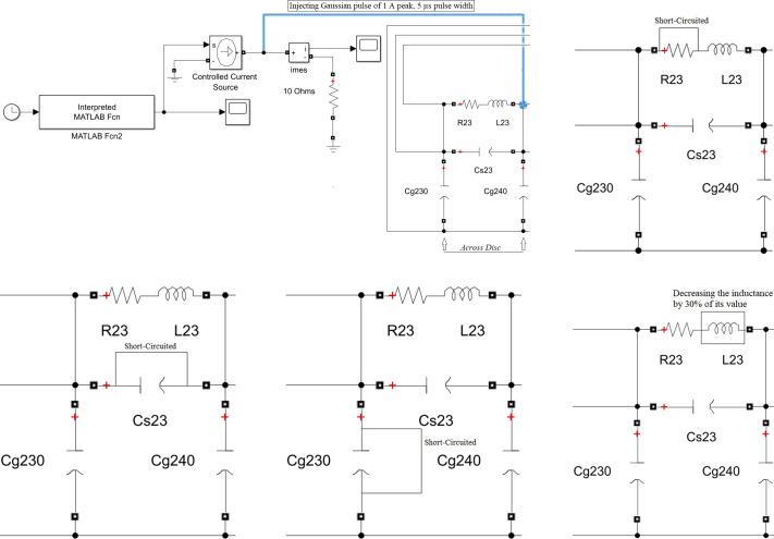
Power transformers are essential elements in power systems and thus their protection schemes have critical importance. In this paper, a scheme is proposed for accurate discrimination and location of internal faults in power transformers using conventional measuring devices attached to the transformer. Different types of internal winding faults are intensely considered: partial discharge, inter-disk faults, series and shunt short circuit faults and axial displacement. Depending on the transformer measured output voltage, input voltage and the input current, the construction of a locus diagram (ΔV-Iin) serves as an indicator for any physical modification to the winding. Using five suggested features extracted from the developed locus, an artificial neural network (ANN) technique is applied to accurately distinguish any deviation from the transformer healthy condition. The exact location of each fault inside the windings of power transformer is then determined. The obtained results validate the usefulness of the proposed scheme for different internal faults. The superiority of the proposed scheme is extensively examined by comparing its results with some published schemes.

摘要

电力变压器是电力系统中的重要组成部分,因此其保护方案具有至关重要的意义。本文提出了一种利用附加在变压器上的常规测量设备准确区分和定位电力变压器内部故障的方案。本文深入考虑了不同类型的内部绕组故障,包括局部放电、相间故障、串联和并联短路故障以及轴向位移。根据变压器测量的输出电压、输入电压和输入电流,构造轨迹图(ΔV-Iin)作为绕组任何物理变化的指示。利用从所开发的轨迹中提取的五个建议特征,应用人工神经网络(ANN)技术来准确区分任何偏离变压器健康状态的情况。然后确定电力变压器绕组内部每个故障的确切位置。所获得的结果验证了所提出方案对于不同内部故障的有效性。通过与一些已发表的方案进行比较,广泛检验了所提出方案的优越性。

https://cdn.ncbi.nlm.nih.gov/pmc/blobs/a1d1/11469500/906d23d3f132/pone.0309926.g008.jpg
https://cdn.ncbi.nlm.nih.gov/pmc/blobs/a1d1/11469500/81f055c78c0c/pone.0309926.g001.jpg
https://cdn.ncbi.nlm.nih.gov/pmc/blobs/a1d1/11469500/f4bcdc227568/pone.0309926.g002.jpg
https://cdn.ncbi.nlm.nih.gov/pmc/blobs/a1d1/11469500/66954dd31e94/pone.0309926.g003.jpg
https://cdn.ncbi.nlm.nih.gov/pmc/blobs/a1d1/11469500/723c9de769a8/pone.0309926.g004.jpg
https://cdn.ncbi.nlm.nih.gov/pmc/blobs/a1d1/11469500/361680f5671f/pone.0309926.g005.jpg
https://cdn.ncbi.nlm.nih.gov/pmc/blobs/a1d1/11469500/bd9a4d913dae/pone.0309926.g006.jpg
https://cdn.ncbi.nlm.nih.gov/pmc/blobs/a1d1/11469500/729e1c7bfe58/pone.0309926.g007.jpg
https://cdn.ncbi.nlm.nih.gov/pmc/blobs/a1d1/11469500/906d23d3f132/pone.0309926.g008.jpg
https://cdn.ncbi.nlm.nih.gov/pmc/blobs/a1d1/11469500/81f055c78c0c/pone.0309926.g001.jpg
https://cdn.ncbi.nlm.nih.gov/pmc/blobs/a1d1/11469500/f4bcdc227568/pone.0309926.g002.jpg
https://cdn.ncbi.nlm.nih.gov/pmc/blobs/a1d1/11469500/66954dd31e94/pone.0309926.g003.jpg
https://cdn.ncbi.nlm.nih.gov/pmc/blobs/a1d1/11469500/723c9de769a8/pone.0309926.g004.jpg
https://cdn.ncbi.nlm.nih.gov/pmc/blobs/a1d1/11469500/361680f5671f/pone.0309926.g005.jpg
https://cdn.ncbi.nlm.nih.gov/pmc/blobs/a1d1/11469500/bd9a4d913dae/pone.0309926.g006.jpg
https://cdn.ncbi.nlm.nih.gov/pmc/blobs/a1d1/11469500/729e1c7bfe58/pone.0309926.g007.jpg
https://cdn.ncbi.nlm.nih.gov/pmc/blobs/a1d1/11469500/906d23d3f132/pone.0309926.g008.jpg

相似文献

1
New approach for accurate discrimination and location of power transformers with different internal winding faults.新方法可准确区分和定位具有不同内部绕组故障的电力变压器。
PLoS One. 2024 Oct 11;19(10):e0309926. doi: 10.1371/journal.pone.0309926. eCollection 2024.
2
Winding-to-ground fault location in power transformer windings using combination of discrete wavelet transform and back-propagation neural network.基于离散小波变换和反向传播神经网络相结合的电力变压器绕组绕组对地故障定位
Sci Rep. 2022 Nov 23;12(1):20157. doi: 10.1038/s41598-022-24434-9.
3
Effect of shield placement for transient voltage mitigation due to switching surges in a 33/11 kV transformer windings.33/11kV 变压器绕组中因开关浪涌导致瞬态电压缓解的屏蔽放置效果。
PLoS One. 2020 Oct 9;15(10):e0240368. doi: 10.1371/journal.pone.0240368. eCollection 2020.
4
Sensor Fusion for Power Line Sensitive Monitoring and Load State Estimation.用于电力线敏感监测和负载状态估计的传感器融合
Sensors (Basel). 2023 Aug 14;23(16):7173. doi: 10.3390/s23167173.
5
Fuzzy Inference System Approach for Locating Series, Shunt, and Simultaneous Series-Shunt Faults in Double Circuit Transmission Lines.用于定位双回输电线路中的串联、并联以及同时发生的串并联故障的模糊推理系统方法。
Comput Intell Neurosci. 2015;2015:620360. doi: 10.1155/2015/620360. Epub 2015 Aug 30.
6
New principle of busbar protection based on a fundamental frequency polarity comparison.基于基频极性比较的母线保护新原理。
PLoS One. 2019 Mar 21;14(3):e0213308. doi: 10.1371/journal.pone.0213308. eCollection 2019.
7
Novel glassbox based explainable boosting machine for fault detection in electrical power transmission system.基于新型玻璃盒的可解释增强机在输配电系统故障检测中的应用。
PLoS One. 2024 Aug 28;19(8):e0309459. doi: 10.1371/journal.pone.0309459. eCollection 2024.
8
Fuzzy reinforcement learning based intelligent classifier for power transformer faults.基于模糊强化学习的电力变压器故障智能分类器
ISA Trans. 2020 Jun;101:390-398. doi: 10.1016/j.isatra.2020.01.016. Epub 2020 Jan 11.
9
Transformer Incipient Fault Prediction Using Combined Artificial Neural Network and Various Particle Swarm Optimisation Techniques.基于组合人工神经网络和多种粒子群优化技术的变压器早期故障预测
PLoS One. 2015 Jun 23;10(6):e0129363. doi: 10.1371/journal.pone.0129363. eCollection 2015.
10
Transformation of Transient Overvoltages by Inductive Voltage Transformers.感应式电压互感器对暂态过电压的变换
Sensors (Basel). 2021 Jun 17;21(12):4167. doi: 10.3390/s21124167.