• 文献检索
  • 文档翻译
  • 深度研究
  • 学术资讯
  • Suppr Zotero 插件Zotero 插件
  • 邀请有礼
  • 套餐&价格
  • 历史记录
应用&插件
Suppr Zotero 插件Zotero 插件浏览器插件Mac 客户端Windows 客户端微信小程序
定价
高级版会员购买积分包购买API积分包
服务
文献检索文档翻译深度研究API 文档MCP 服务
关于我们
关于 Suppr公司介绍联系我们用户协议隐私条款
关注我们

Suppr 超能文献

核心技术专利:CN118964589B侵权必究
粤ICP备2023148730 号-1Suppr @ 2026

文献检索

告别复杂PubMed语法,用中文像聊天一样搜索,搜遍4000万医学文献。AI智能推荐,让科研检索更轻松。

立即免费搜索

文件翻译

保留排版,准确专业,支持PDF/Word/PPT等文件格式,支持 12+语言互译。

免费翻译文档

深度研究

AI帮你快速写综述,25分钟生成高质量综述,智能提取关键信息,辅助科研写作。

立即免费体验

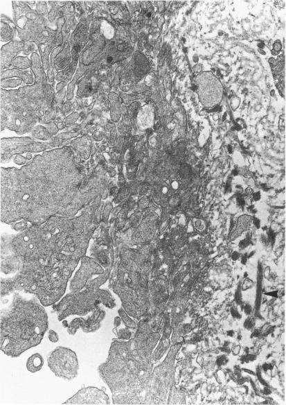
兔动脉斑块的血栓形成。一项电子显微镜研究。

Thrombogenesis of the rabbit arterial plaque. An electron microscopic study.

作者信息

Stemerman M B

出版信息

Am J Pathol. 1973 Oct;73(1):7-26.

PMID:4584129
原文链接:https://pmc.ncbi.nlm.nih.gov/articles/PMC1904041/
Abstract

Rabbit arteries, de-endothelialized with an intravascular balloon catheter and allowed to heal for 4 weeks, showed intimal changes that were similar to the preatherosclerotic fibromusculoelastic plaques of man. Reinjury of the healed vessels by balloon catheter produced marked quantitative and qualitative alterations of hemostasis, as compared to that in previously uninjured vessels. The most apparent modification of thrombogenesis 10 minutes after injury to the plaque was a large increase in the size of the thrombotic deposits. Features of this exaggerated response were the major participation of fibrin in thrombus formation and greater platelet accumulation. Some platelets and fibrin strands appeared to penetrate into and beneath the neointima. By 3 hours, these deposits had diminished in size, although the hemostatic mass remained larger in the doubly injured vessels.

摘要

用血管内球囊导管去除内皮的兔动脉,使其愈合4周后,显示出与人类动脉粥样硬化前期纤维肌弹性斑块相似的内膜变化。与先前未损伤的血管相比,球囊导管对愈合血管的再次损伤导致止血出现明显的数量和质量改变。斑块损伤后10分钟,血栓形成最明显的改变是血栓沉积物大小大幅增加。这种过度反应的特征是纤维蛋白在血栓形成中起主要作用以及血小板聚集增加。一些血小板和纤维蛋白丝似乎渗透到新内膜内和其下方。到3小时时,这些沉积物的大小有所减小,尽管在再次损伤的血管中止血团块仍然较大。

https://cdn.ncbi.nlm.nih.gov/pmc/blobs/86f2/1904041/5b05b008888c/amjpathol00248-0024-a.jpg
https://cdn.ncbi.nlm.nih.gov/pmc/blobs/86f2/1904041/986b6bc52e7b/amjpathol00248-0029-a.jpg
https://cdn.ncbi.nlm.nih.gov/pmc/blobs/86f2/1904041/c652682c8df8/amjpathol00248-0025-a.jpg
https://cdn.ncbi.nlm.nih.gov/pmc/blobs/86f2/1904041/26bec28f8e30/amjpathol00248-0025-b.jpg
https://cdn.ncbi.nlm.nih.gov/pmc/blobs/86f2/1904041/ad1fbbf0f871/amjpathol00248-0026-a.jpg
https://cdn.ncbi.nlm.nih.gov/pmc/blobs/86f2/1904041/faecce2aa0c9/amjpathol00248-0030-a.jpg
https://cdn.ncbi.nlm.nih.gov/pmc/blobs/86f2/1904041/40d617af2ee9/amjpathol00248-0027-a.jpg
https://cdn.ncbi.nlm.nih.gov/pmc/blobs/86f2/1904041/e53f6ec9db2e/amjpathol00248-0027-b.jpg
https://cdn.ncbi.nlm.nih.gov/pmc/blobs/86f2/1904041/a8ff38f8419e/amjpathol00248-0023-a.jpg
https://cdn.ncbi.nlm.nih.gov/pmc/blobs/86f2/1904041/dcc70972a3a0/amjpathol00248-0028-a.jpg
https://cdn.ncbi.nlm.nih.gov/pmc/blobs/86f2/1904041/5b05b008888c/amjpathol00248-0024-a.jpg
https://cdn.ncbi.nlm.nih.gov/pmc/blobs/86f2/1904041/986b6bc52e7b/amjpathol00248-0029-a.jpg
https://cdn.ncbi.nlm.nih.gov/pmc/blobs/86f2/1904041/c652682c8df8/amjpathol00248-0025-a.jpg
https://cdn.ncbi.nlm.nih.gov/pmc/blobs/86f2/1904041/26bec28f8e30/amjpathol00248-0025-b.jpg
https://cdn.ncbi.nlm.nih.gov/pmc/blobs/86f2/1904041/ad1fbbf0f871/amjpathol00248-0026-a.jpg
https://cdn.ncbi.nlm.nih.gov/pmc/blobs/86f2/1904041/faecce2aa0c9/amjpathol00248-0030-a.jpg
https://cdn.ncbi.nlm.nih.gov/pmc/blobs/86f2/1904041/40d617af2ee9/amjpathol00248-0027-a.jpg
https://cdn.ncbi.nlm.nih.gov/pmc/blobs/86f2/1904041/e53f6ec9db2e/amjpathol00248-0027-b.jpg
https://cdn.ncbi.nlm.nih.gov/pmc/blobs/86f2/1904041/a8ff38f8419e/amjpathol00248-0023-a.jpg
https://cdn.ncbi.nlm.nih.gov/pmc/blobs/86f2/1904041/dcc70972a3a0/amjpathol00248-0028-a.jpg
https://cdn.ncbi.nlm.nih.gov/pmc/blobs/86f2/1904041/5b05b008888c/amjpathol00248-0024-a.jpg

相似文献

1
Thrombogenesis of the rabbit arterial plaque. An electron microscopic study.兔动脉斑块的血栓形成。一项电子显微镜研究。
Am J Pathol. 1973 Oct;73(1):7-26.
2
Fibrin-rich and platelet-rich thrombus formation on neointima: recombinant tissue factor pathway inhibitor prevents fibrin formation and neointimal development following repeated balloon injury of rabbit aorta.新生内膜上富含纤维蛋白和血小板的血栓形成:重组组织因子途径抑制剂可预防兔主动脉反复球囊损伤后纤维蛋白形成和新生内膜发育。
Thromb Haemost. 1998 Sep;80(3):506-11.
3
Contribution of von Willebrand factor to thrombus formation on neointima of rabbit stenotic iliac artery under high blood-flow velocity.血管性血友病因子在高血流速度下对兔髂动脉狭窄新生内膜血栓形成的作用。
Arterioscler Thromb Vasc Biol. 2003 Jun 1;23(6):1105-10. doi: 10.1161/01.ATV.0000077206.35631.B2. Epub 2003 May 15.
4
Sequence of cellular responses in rabbit aortas following one and two injuries with a balloon catheter.兔主动脉经球囊导管单次及两次损伤后的细胞反应序列
Br J Exp Pathol. 1988 Aug;69(4):473-86.
5
[Intimal injury and thrombus formation].
Rinsho Ketsueki. 1991 May;32(5):462-6.
6
Graded endothelial injury of the rabbit aorta. With special reference to platelet deposition.兔主动脉内皮的分级损伤。特别提及血小板沉积。
Arch Pathol. 1970 Sep;90(3):222-9.
7
Restitution of aortic wall after sustained necrotizing transmural ligation injury. Role of blood cells and artery cells.持续性坏死性透壁结扎损伤后主动脉壁的修复。血细胞和动脉细胞的作用。
Am J Pathol. 1975 Apr;79(1):7-30.
8
Spontaneous diabetes in BB Wistar rats causes small increases in the early proliferative response of smooth muscle cells in re-injured aortae.BB 系 Wistar 大鼠的自发性糖尿病会导致再次损伤的主动脉中平滑肌细胞的早期增殖反应略有增加。
Exp Mol Pathol. 1995 Dec;63(3):161-74. doi: 10.1006/exmp.1995.1040.
9
Turnover and fate of fibrinogen and platelets at the rabbit aorta wall immediately after a balloon de-endothelializing injury in vivo.体内球囊去内皮损伤后兔主动脉壁上纤维蛋白原和血小板的周转率及转归
Thromb Haemost. 2006 Jul;96(1):60-7. doi: 10.1160/TH05-11-0759.
10
Vascular wound healing and neointima formation induced by perivascular electric injury in mice.小鼠血管周围电损伤诱导的血管伤口愈合和新生内膜形成。
Am J Pathol. 1997 Feb;150(2):761-76.

引用本文的文献

1
Does the Mean Platelet Volume Decrease in the Presence of Coronary Artery Fistula?在存在冠状动脉瘘的情况下平均血小板体积会降低吗?
Arq Bras Cardiol. 2019 Sep 2;113(2):272-273. doi: 10.5935/abc.20190154.
2
Localization of Fos and Jun proteins in rat aortic smooth muscle cells after vascular injury.血管损伤后大鼠主动脉平滑肌细胞中Fos和Jun蛋白的定位
Am J Pathol. 1993 Mar;142(3):715-24.
3
Enhancement of cholesterol and cholesteryl ester accumulation in re-endothelialized aorta.再内皮化主动脉中胆固醇和胆固醇酯积累的增强。

本文引用的文献

1
NEW CYTOPLASMIC COMPONENTS IN ARTERIAL ENDOTHELIA.动脉内皮细胞中的新细胞质成分
J Cell Biol. 1964 Oct;23(1):101-12. doi: 10.1083/jcb.23.1.101.
2
PREATHEROMA PHASE OF CORONARY ATHEROSCLEROSIS IN MAN.人类冠状动脉粥样硬化的脂纹前期阶段。
Exp Mol Pathol. 1964 Oct;3:475-84. doi: 10.1016/0014-4800(64)90028-0.
3
The fine structure of human atherosclerotic lesions.人类动脉粥样硬化病变的精细结构。
Am J Pathol. 1980 Apr;99(1):81-104.
4
Vascular smooth muscle cell growth kinetics in vivo in aged rats.
Proc Natl Acad Sci U S A. 1982 Jun;79(12):3863-6. doi: 10.1073/pnas.79.12.3863.
5
Organizational behavior of human umbilical vein endothelial cells.人脐静脉内皮细胞的组织行为
J Cell Biol. 1982 Sep;94(3):511-20. doi: 10.1083/jcb.94.3.511.
6
Ultrastructural changes in re-endothelialized and non-endothelialized rabbit aortic neo-intima following re-injury with a balloon catheter.球囊导管再次损伤后兔主动脉再内皮化和未内皮化新生内膜的超微结构变化
Br J Exp Pathol. 1984 Oct;65(5):597-611.
7
Role of shear rate and platelets in promoting fibrin formation on rabbit subendothelium. Studies utilizing patients with quantitative and qualitative platelet defects.
J Clin Invest. 1986 Oct;78(4):1072-82. doi: 10.1172/JCI112663.
8
Distribution of cellular responses in rabbit aortae following one and two injuries with a balloon catheter.用球囊导管对兔主动脉进行一次和两次损伤后细胞反应的分布情况
Br J Exp Pathol. 1988 Jun;69(3):351-65.
9
Early proto-oncogene expression in rat aortic smooth muscle cells following endothelial removal.内皮去除后大鼠主动脉平滑肌细胞中早期原癌基因的表达。
Am J Pathol. 1990 Oct;137(4):761-5.
10
Atheromatous emboli in renal biopsies. An ultrastructural study.肾活检中的动脉粥样硬化栓子。一项超微结构研究。
Am J Pathol. 1975 Feb;78(2):261-76.
Am J Pathol. 1961 Mar;38(3):263-87.
4
The ultrastructural basis of capillary permeability studied with peroxidase as a tracer.以过氧化物酶为示踪剂研究毛细血管通透性的超微结构基础。
J Cell Biol. 1967 Oct;35(1):213-36. doi: 10.1083/jcb.35.1.213.
5
[Effects of vascular catheterization in normo- and hypercholesteremic rabbits].[血管插管对正常胆固醇血症和高胆固醇血症兔的影响]
Pathol Microbiol (Basel). 1966;29(4):393-405.
6
Behavior of smooth muscle cells and formation of extracellular structures in the reaction of arterial walls to injury.动脉壁损伤反应中平滑肌细胞的行为及细胞外结构的形成
Am J Pathol. 1971 Mar;62(3):391-414.
7
Early interactions between blood cells and severely damaged rabbit aorta.血细胞与严重受损兔主动脉之间的早期相互作用。
Eur J Clin Invest. 1971 Nov;2(1):1-7. doi: 10.1111/j.1365-2362.1971.tb00561.x.
8
Tissue factor (thromboplastin): localization to plasma membranes by peroxidase-conjugated antibodies.组织因子(凝血致活酶):通过过氧化物酶偶联抗体定位于质膜。
Science. 1972 Feb 18;175(4023):766-8. doi: 10.1126/science.175.4023.766.
9
Studies on aortic intima. I. Structure and permeability of rat thoracic aortic intima.主动脉内膜研究。I. 大鼠胸主动脉内膜的结构与通透性。
Am J Pathol. 1972 Feb;66(2):241-64.
10
Adhesion of blood platelets to subendothelial surface: distinct from adhesion to collagen.血小板与内皮下表面的黏附:与对胶原蛋白的黏附不同。
Experientia. 1971 Mar 15;27(3):283-5. doi: 10.1007/BF02138148.