• 文献检索
  • 文档翻译
  • 深度研究
  • 学术资讯
  • Suppr Zotero 插件Zotero 插件
  • 邀请有礼
  • 套餐&价格
  • 历史记录
应用&插件
Suppr Zotero 插件Zotero 插件浏览器插件Mac 客户端Windows 客户端微信小程序
定价
高级版会员购买积分包购买API积分包
服务
文献检索文档翻译深度研究API 文档MCP 服务
关于我们
关于 Suppr公司介绍联系我们用户协议隐私条款
关注我们

Suppr 超能文献

核心技术专利:CN118964589B侵权必究
粤ICP备2023148730 号-1Suppr @ 2026

文献检索

告别复杂PubMed语法,用中文像聊天一样搜索,搜遍4000万医学文献。AI智能推荐,让科研检索更轻松。

立即免费搜索

文件翻译

保留排版,准确专业,支持PDF/Word/PPT等文件格式,支持 12+语言互译。

免费翻译文档

深度研究

AI帮你快速写综述,25分钟生成高质量综述,智能提取关键信息,辅助科研写作。

立即免费体验

组织蛋白酶B在肿瘤细胞中的表达及层粘连蛋白在肺腺癌中的分布

Cathepsin B expression in tumour cells and laminin distribution in pulmonary adenocarcinoma.

作者信息

Higashiyama M, Doi O, Kodama K, Yokouchi H, Tateishi R

机构信息

Department of Thoracic Surgery, Centre for Adult Diseases, Osaka, Japan.

出版信息

J Clin Pathol. 1993 Jan;46(1):18-22. doi: 10.1136/jcp.46.1.18.

DOI:10.1136/jcp.46.1.18
PMID:8432883
原文链接:https://pmc.ncbi.nlm.nih.gov/articles/PMC501098/
Abstract

AIMS

To determine the correlation between cathepsin B expression and laminin distribution in pulmonary adenocarcinoma tissue.

METHODS

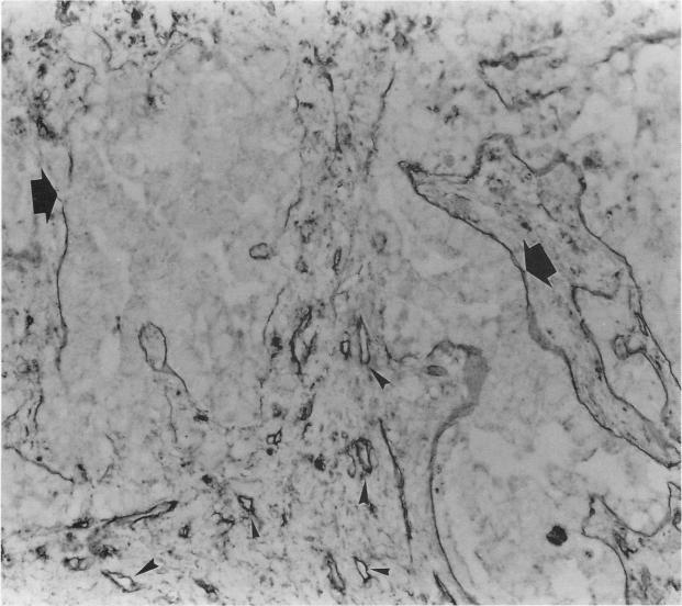
The distribution of cathepsin B and laminin was examined in 28 formalin fixed, paraffin wax embedded specimens of pulmonary adenocarcinoma tissue, using a double immunostaining technique with commercially available antibodies to cathepsin B and laminin, respectively.

RESULTS

Tumour cells in 23 (82%) cases reacted to cathepsin B: 13 cases were weakly positive and 10 were strongly positive. Laminin in tumour associated basement membrane produced various staining patterns: two cases had an almost continuous distribution of laminin in tumour associated basement membrane in the tumour tissues, while a moderately discontinuous laminin distribution pattern was found in 12 cases, and a highly fragmented pattern was found in 14 cases. The degree of cathepsin B expression in tumour cells was significantly correlated with the break up of laminin staining. In some cases a discontinuous pattern of tumour associated laminin was frequently observed adjacent to cathepsin B positive tumour cell nests.

CONCLUSIONS

Considering that cathepsin B has the capacity to degrade basement membrane components, including laminin, the inverse correlation shown in this study between the increase in cathepsin B expression by tumour cells and the diminution of laminin in tumour associated basement membrane could reflect local progression and spread by pulmonary adenocarcinoma.

摘要

目的

确定肺腺癌组织中组织蛋白酶B表达与层粘连蛋白分布之间的相关性。

方法

采用分别针对组织蛋白酶B和层粘连蛋白的市售抗体的双重免疫染色技术,检测28例福尔马林固定、石蜡包埋的肺腺癌组织标本中组织蛋白酶B和层粘连蛋白的分布。

结果

23例(82%)病例的肿瘤细胞对组织蛋白酶B有反应:13例弱阳性,10例强阳性。肿瘤相关基底膜中的层粘连蛋白呈现出各种染色模式:2例肿瘤组织中肿瘤相关基底膜中层粘连蛋白几乎呈连续分布,12例呈中度不连续分布模式,14例呈高度碎片化模式。肿瘤细胞中组织蛋白酶B的表达程度与层粘连蛋白染色的断裂显著相关。在某些病例中,在组织蛋白酶B阳性肿瘤细胞巢附近经常观察到肿瘤相关层粘连蛋白的不连续模式。

结论

鉴于组织蛋白酶B具有降解包括层粘连蛋白在内的基底膜成分的能力,本研究显示肿瘤细胞中组织蛋白酶B表达增加与肿瘤相关基底膜中层粘连蛋白减少之间的负相关可能反映了肺腺癌的局部进展和扩散。

https://cdn.ncbi.nlm.nih.gov/pmc/blobs/f38b/501098/7435fefae7a3/jclinpath00427-0029-a.jpg
https://cdn.ncbi.nlm.nih.gov/pmc/blobs/f38b/501098/f1e147546e24/jclinpath00427-0028-a.jpg
https://cdn.ncbi.nlm.nih.gov/pmc/blobs/f38b/501098/708d2981f9a9/jclinpath00427-0028-b.jpg
https://cdn.ncbi.nlm.nih.gov/pmc/blobs/f38b/501098/7435fefae7a3/jclinpath00427-0029-a.jpg
https://cdn.ncbi.nlm.nih.gov/pmc/blobs/f38b/501098/f1e147546e24/jclinpath00427-0028-a.jpg
https://cdn.ncbi.nlm.nih.gov/pmc/blobs/f38b/501098/708d2981f9a9/jclinpath00427-0028-b.jpg
https://cdn.ncbi.nlm.nih.gov/pmc/blobs/f38b/501098/7435fefae7a3/jclinpath00427-0029-a.jpg

相似文献

1
Cathepsin B expression in tumour cells and laminin distribution in pulmonary adenocarcinoma.组织蛋白酶B在肿瘤细胞中的表达及层粘连蛋白在肺腺癌中的分布
J Clin Pathol. 1993 Jan;46(1):18-22. doi: 10.1136/jcp.46.1.18.
2
Immunohistochemical distributions of cathepsin B and basement membrane antigens in human lung adenocarcinoma: association with invasion and metastasis.组织蛋白酶B和基底膜抗原在人肺腺癌中的免疫组化分布:与侵袭和转移的关系
Virchows Arch. 1994;424(1):33-8. doi: 10.1007/BF00197390.
3
Laminin and cathepsin B as prognostic factors in stage I non-small cell lung cancer: are they useful?
Mod Pathol. 1997 Jun;10(6):572-7.
4
Cathepsin B expression and laminin degradation as factors influencing prognosis of surgically treated patients with lung adenocarcinoma.组织蛋白酶B表达和层粘连蛋白降解作为影响肺腺癌手术治疗患者预后的因素。
Cancer Res. 1994 Dec 1;54(23):6133-6.
5
Cathepsin B expression and its correlation with tumor-associated laminin and tumor progression in gastric cancer.
Arch Pathol Lab Med. 1998 Feb;122(2):172-7.
6
Basement membrane of cervical adenocarcinoma: an immunoperoxidase study of laminin and type IV collagen.宫颈腺癌的基底膜:层粘连蛋白和IV型胶原的免疫过氧化物酶研究
Obstet Gynecol. 1990 Dec;76(6):1014-9.
7
Laminin and fibronectin in rectal adenocarcinoma: relationship to tumour grade, stage and metastasis.层粘连蛋白和纤连蛋白在直肠腺癌中的作用:与肿瘤分级、分期及转移的关系
Br J Cancer. 1984 Jul;50(1):51-61. doi: 10.1038/bjc.1984.139.
8
Immunohistochemical analysis of cathepsin B expression in human lung adenocarcinoma: the role in cancer progression.组织蛋白酶B在人肺腺癌中表达的免疫组织化学分析:在癌症进展中的作用
Jpn J Cancer Res. 1993 Sep;84(9):972-5. doi: 10.1111/j.1349-7006.1993.tb00187.x.
9
Immunochemical analysis of cathepsin B in lung tumours: an independent prognostic factor for squamous cell carcinoma patients.肺肿瘤中组织蛋白酶B的免疫化学分析:鳞状细胞癌患者的独立预后因素
Br J Cancer. 1999 Oct;81(3):510-9. doi: 10.1038/sj.bjc.6690723.
10
Prognostic significance of laminin in adenocarcinoma of the lung.
J Surg Oncol. 1990 Apr;43(4):214-8. doi: 10.1002/jso.2930430405.

引用本文的文献

1
Cathepsins: Emerging targets in the tumor ecosystem to overcome cancers.组织蛋白酶:肿瘤生态系统中克服癌症的新兴靶点。
Semin Cancer Biol. 2025 Jul;112:150-166. doi: 10.1016/j.semcancer.2025.04.001. Epub 2025 Apr 12.
2
Proteogenomic Characterization Reveals Therapeutic Vulnerabilities in Lung Adenocarcinoma.基于基因组与蛋白质组联合分析的肺腺癌治疗靶点研究
Cell. 2020 Jul 9;182(1):200-225.e35. doi: 10.1016/j.cell.2020.06.013.
3
Immunochemical analysis of cathepsin B in lung tumours: an independent prognostic factor for squamous cell carcinoma patients.

本文引用的文献

1
Purification and properties of beef spleen cathepsin B.牛脾组织蛋白酶B的纯化及性质
J Biol Chem. 1957 May;226(1):173-80.
2
Cathepsin B activity in B16 melanoma cells: a possible marker for metastatic potential.B16黑色素瘤细胞中的组织蛋白酶B活性:转移潜能的一种可能标志物。
Cancer Res. 1982 Mar;42(3):980-6.
3
Histochemical localization of cathepsin B at the invasion front of the rabbit V2 carcinoma.组织蛋白酶B在兔V2癌侵袭前沿的组织化学定位。
肺肿瘤中组织蛋白酶B的免疫化学分析:鳞状细胞癌患者的独立预后因素
Br J Cancer. 1999 Oct;81(3):510-9. doi: 10.1038/sj.bjc.6690723.
4
Cathepsin B and cysteine proteinase inhibitors in human lung cancer cell lines.人肺癌细胞系中的组织蛋白酶B和半胱氨酸蛋白酶抑制剂
Clin Exp Metastasis. 1997 Jul;15(4):368-81. doi: 10.1023/a:1018494020001.
5
Relationship between morphological diversity and AgNORs or cathepsin B expression in colorectal cancers.结直肠癌中形态学多样性与银染核仁组织区或组织蛋白酶B表达之间的关系
J Gastroenterol. 1996 Oct;31(5):646-53. doi: 10.1007/BF02347611.
Lab Invest. 1981 Dec;45(6):587-96.
4
Conversion of proinsulin to insulin: involvement of a 31,500 molecular weight thiol protease.胰岛素原向胰岛素的转化:一种分子量为31,500的巯基蛋白酶的参与。
Proc Natl Acad Sci U S A. 1982 Aug;79(15):4613-7. doi: 10.1073/pnas.79.15.4613.
5
Cathepsin B-like proteinase as a marker for metastatic tumor cell variants.
Exp Cell Biol. 1984;52(5):293-9. doi: 10.1159/000163273.
6
Structures and functions of lysosomal thiol proteinases and their endogenous inhibitor.溶酶体硫醇蛋白酶及其内源性抑制剂的结构与功能
Curr Top Cell Regul. 1983;22:71-101. doi: 10.1016/b978-0-12-152822-5.50007-5.
7
The distribution of cathepsin B in human tissues.
J Pathol. 1985 Apr;145(4):307-14. doi: 10.1002/path.1711450404.
8
Cytochemical and biochemical evidence of cathepsin B in malignant, transformed and normal breast epithelial cells.
J Cell Sci. 1987 Feb;87 ( Pt 1):145-54. doi: 10.1242/jcs.87.1.145.
9
Elevation of tissue cathepsin B and L activities in gastric cancer.
Hepatogastroenterology. 1987 Jun;34(3):120-2.
10
Cathepsin B: association with plasma membrane in metastatic tumors.组织蛋白酶B:与转移性肿瘤细胞膜的关联
Proc Natl Acad Sci U S A. 1986 Apr;83(8):2483-7. doi: 10.1073/pnas.83.8.2483.