Suppr超能文献

在原位、悬浮状态下以及用伴刀豆球蛋白A处理的正常和转化3T3细胞中,膜颗粒和间隙连接的分布情况。

Distribution of membrane particles and gap junctions in normal and transformed 3T3 cells studied in situ, in suspension, and treated with concanavalin A.

作者信息

Pinto Da Silva P, Martinez-Palomo A

出版信息

Proc Natl Acad Sci U S A. 1975 Feb;72(2):572-6. doi: 10.1073/pnas.72.2.572.

Abstract

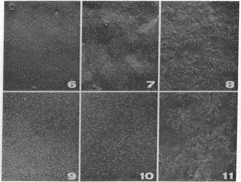
Freeze-fracture techniques were used to study the ultrastructural distribution of plasma membrane particles in cultures of normal Balb/c and Swiss 3T3 and simian virus 40- or murine sarcoma virus-transformed fibroblasts. No apparent differences were observed. Cultures fixed in situ show a seemingly random distribution of membrane particles both in normal or in transformed cells. Treatment of cell cultures in situ with concanavalin A does not result in an altered pattern of particle distribution. EDTA-induced suspension of normal or transformed cells does not result, per se, in modification of the type of membrane particle distribution seen in cells fixed in situ. However, upon further incubation, a proportion of normal or transformed cells in suspension show a varying degree of particle aggregation following a network pattern. Concanavalin A treatment of normal and transformed cells in suspension does not result in a specific change of the pattern of particle distribution. Because it has been established that treatment with concanavalin A of simian virus 40-transformed Balb/c 3T3 fibroblasts causes pronounced clustering of the concanavalin A receptors at the outer-surface, our results probably imply independence of membrane particles and concanavalin A receptors of these transformed cells.

摘要

采用冷冻断裂技术研究正常Balb/c和瑞士3T3细胞以及猿猴病毒40或鼠肉瘤病毒转化的成纤维细胞培养物中质膜颗粒的超微结构分布。未观察到明显差异。原位固定的培养物显示,正常细胞和转化细胞中的膜颗粒分布似乎是随机的。用伴刀豆球蛋白A对细胞培养物进行原位处理不会导致颗粒分布模式的改变。用乙二胺四乙酸(EDTA)诱导正常细胞或转化细胞悬浮本身不会改变原位固定细胞中所见的膜颗粒分布类型。然而,进一步孵育后,悬浮的正常细胞或转化细胞中有一部分会呈现出不同程度的颗粒聚集,呈网络状分布。用伴刀豆球蛋白A处理悬浮的正常细胞和转化细胞不会导致颗粒分布模式发生特定变化。由于已经证实,用伴刀豆球蛋白A处理猿猴病毒40转化的Balb/c 3T3成纤维细胞会导致伴刀豆球蛋白A受体在外表面明显聚集,因此我们的结果可能意味着这些转化细胞的膜颗粒和伴刀豆球蛋白A受体相互独立。

https://cdn.ncbi.nlm.nih.gov/pmc/blobs/2b48/432355/cb724f045942/pnas00045-0167-a.jpg

文献检索

告别复杂PubMed语法,用中文像聊天一样搜索,搜遍4000万医学文献。AI智能推荐,让科研检索更轻松。

立即免费搜索

文件翻译

保留排版,准确专业,支持PDF/Word/PPT等文件格式,支持 12+语言互译。

免费翻译文档

深度研究

AI帮你快速写综述,25分钟生成高质量综述,智能提取关键信息,辅助科研写作。

立即免费体验