Suppr超能文献

THE PATHOLOGY OF BURNS: THE PATHOLOGIC PICTURE AS REVEALED AT AUTOPSY IN A SERIES OF 61 FATAL CASES TREATED AT THE HOSPITAL FOR SICK CHILDREN, TORONTO, CANADA.

作者信息

Erb I H, Morgan E M, Farmer A W

出版信息

Ann Surg. 1943 Feb;117(2):234-55. doi: 10.1097/00000658-194302000-00010.

Abstract
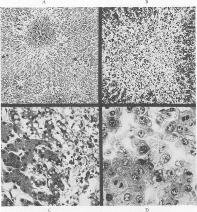
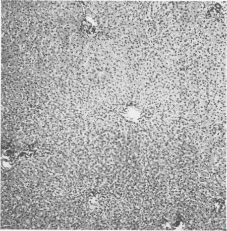
摘要
https://cdn.ncbi.nlm.nih.gov/pmc/blobs/99bf/1617431/453ea50b9fad/annsurg01467-0087-a.jpg

文献AI研究员

20分钟写一篇综述,助力文献阅读效率提升50倍。

立即体验

用中文搜PubMed

大模型驱动的PubMed中文搜索引擎

马上搜索

文档翻译

学术文献翻译模型,支持多种主流文档格式。

立即体验