Suppr超能文献

使用草药和化学冲洗剂去除人牙根根管玷污层的效果:一项体外研究。

Efficacy of Smear Layer Removal of Human Teeth Root Canals Using Herbal and Chemical Irrigants: An In Vitro Study.

作者信息

Mukherjee Mridusmita, Kalita Tribisha, Barua Pranamee, Barman Atrayee, Thonai Salouno, Mahanta Putul, Medhi Himchumi

机构信息

Conservative Dentistry & Endodontics, Government Dental College, Silchar, IND.

Conservative Dentistry & Endodontics, Siddhartha Dental Clinic and Implant Centre, Guwahati, IND.

出版信息

Cureus. 2023 Jun 15;15(6):e40467. doi: 10.7759/cureus.40467. eCollection 2023 Jun.

Abstract

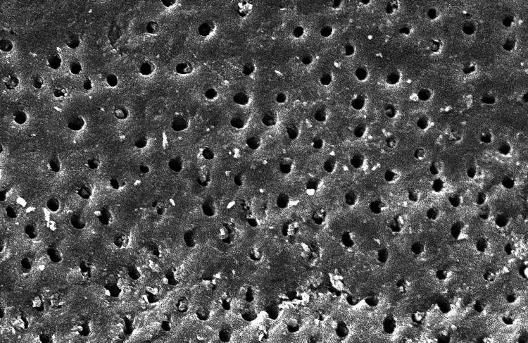
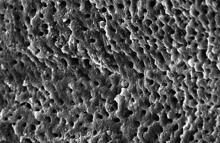
Objectives Over many years, many intracanal irrigants have removed smear layers during routine root canal therapy. The efficacies of conventional endodontic chemical irrigants are documented, but limited research is available on herbal irrigants' role in the endodontic therapy irrigation protocol. This study aimed to evaluate endodontic irrigants' smear layer removal efficacy, namely, 3% sodium hypochlorite (NaOCl), 17% ethylenediaminetetraacetic acid (EDTA), green tea extract, and Triphala extract, using scanning electron microscopy (SEM) analysis. Methods Fifty freshly extracted human permanent maxillary and mandibular single-rooted teeth were collected from the Oral Surgery Department of Regional Dental College (RDC), Guwahati, India. The samples were divided into five groups with 10 teeth each: Group A: sterile distilled water (negative control), Group B: 3% NaOCl, Group C: 17% EDTA, Group D: green tea, and Group E: Triphala (citric acid). Each tooth was then longitudinally split and prepared for SEM inspection under 1000X magnification. The comparison of smear layer removal scores between the groups was done by the Kruskal-Wallis test and Mann-Whitney test, with the significance level set at p<0.01. Results The comparison of the overall mean smear scores and those at different root portions shows that Group C has the lowest mean score, followed by Group E. The pairwise comparison shows that the difference in the mean smear scores between Group C and the other four groups is statistically significant (p-value<0.05). Moreover, the difference in the overall, coronal, middle, and apical mean smear scores between Group A and Group E was highly significant (p-value<0.001). Conclusions The highest smear layer removal efficacy was observed in the samples treated with 17% EDTA. Moreover, the clearing efficacy of Triphala is significantly better than that of distilled water in smear layer removal.

摘要

目的 多年来,在常规根管治疗过程中,许多根管冲洗剂都能去除玷污层。传统牙髓化学冲洗剂的疗效已有文献记载,但关于草药冲洗剂在牙髓治疗冲洗方案中的作用的研究有限。本研究旨在通过扫描电子显微镜(SEM)分析评估牙髓冲洗剂(即3%次氯酸钠(NaOCl)、17%乙二胺四乙酸(EDTA)、绿茶提取物和三果木提取物)去除玷污层的效果。方法 从印度古瓦哈蒂地区牙科学院(RDC)口腔外科收集50颗新鲜拔除的人类上颌和下颌单根恒牙。将样本分为五组,每组10颗牙齿:A组:无菌蒸馏水(阴性对照),B组:3% NaOCl,C组:17% EDTA,D组:绿茶,E组:三果木(柠檬酸)。然后将每颗牙齿纵向劈开,制备用于1000倍放大倍数下SEM检查的样本。通过Kruskal-Wallis检验和Mann-Whitney检验对各组之间的玷污层去除分数进行比较,显著性水平设定为p<0.01。结果 总体平均玷污分数及不同牙根部位的平均玷污分数比较显示,C组的平均分数最低,其次是E组。两两比较显示,C组与其他四组之间的平均玷污分数差异具有统计学意义(p值<0.05)。此外,A组和E组之间的总体、冠部、中部和根尖平均玷污分数差异具有高度统计学意义(p值<0.001)。结论 在使用17% EDTA处理的样本中观察到最高的玷污层去除效果。此外,三果木在去除玷污层方面的清洁效果明显优于蒸馏水。

https://cdn.ncbi.nlm.nih.gov/pmc/blobs/f30c/10349660/e8fb8772ea0b/cureus-0015-00000040467-i01.jpg

文献检索

告别复杂PubMed语法,用中文像聊天一样搜索,搜遍4000万医学文献。AI智能推荐,让科研检索更轻松。

立即免费搜索

文件翻译

保留排版,准确专业,支持PDF/Word/PPT等文件格式,支持 12+语言互译。

免费翻译文档

深度研究

AI帮你快速写综述,25分钟生成高质量综述,智能提取关键信息,辅助科研写作。

立即免费体验