• 文献检索
  • 文档翻译
  • 深度研究
  • 学术资讯
  • Suppr Zotero 插件Zotero 插件
  • 邀请有礼
  • 套餐&价格
  • 历史记录
应用&插件
Suppr Zotero 插件Zotero 插件浏览器插件Mac 客户端Windows 客户端微信小程序
定价
高级版会员购买积分包购买API积分包
服务
文献检索文档翻译深度研究API 文档MCP 服务
关于我们
关于 Suppr公司介绍联系我们用户协议隐私条款
关注我们

Suppr 超能文献

核心技术专利:CN118964589B侵权必究
粤ICP备2023148730 号-1Suppr @ 2026

文献检索

告别复杂PubMed语法,用中文像聊天一样搜索,搜遍4000万医学文献。AI智能推荐,让科研检索更轻松。

立即免费搜索

文件翻译

保留排版,准确专业,支持PDF/Word/PPT等文件格式,支持 12+语言互译。

免费翻译文档

深度研究

AI帮你快速写综述,25分钟生成高质量综述,智能提取关键信息,辅助科研写作。

立即免费体验

豚鼠胃十二指肠连接处肌肉组织的结构与神经支配

Structure and innervation of the musculature at the gastroduodenal junction of the guinea-pig.

作者信息

Cai W Q, Gabella G

出版信息

J Anat. 1984 Aug;139 ( Pt 1)(Pt 1):93-104.

PMID:6469859
原文链接:https://pmc.ncbi.nlm.nih.gov/articles/PMC1164449/
Abstract

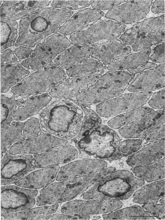
The musculature of the pylorus of the guinea-pig consists of a conspicuous ring of circular musculature. On one side, this tissue is apposed to the circular muscle layer of the duodenum, a complete septum of connective tissue intervening between the two muscles. On the other side, it is in continuity with the circular musculature of the gastric antrum. Bundles of longitudinal muscle, running close to the submucosa of the antrum, form a loop and contribute to the circular musculature of the pylorus. The subserosal longitudinal muscle of the antrum continues into the pylorus and the duodenum. The density of innervation, i.e. number of bundles, number of axons and percentage of varicosities per unit sectional area or per number of muscle cell profiles (estimated on large photographic montages of transversely sectioned muscles) is higher in the pylorus than in the duodenum, and is lowest in the antrum. In the duodenum nerve bundles occur in both the circular and the longitudinal muscle layer; the majority of axons and varicosities are situated between the bulk of the circular muscle and a layer of special muscle cells adjacent to the submucosa.

摘要

豚鼠幽门的肌肉组织由一圈明显的环形肌肉组成。在一侧,该组织与十二指肠的环形肌层相邻,两层肌肉之间有一层完整的结缔组织隔膜。在另一侧,它与胃窦的环形肌肉相连。靠近胃窦黏膜下层的纵行肌束形成一个环,并参与幽门环形肌肉的构成。胃窦的浆膜下纵行肌延续至幽门和十二指肠。神经支配密度,即单位横截面积或每单位数量肌细胞断面(根据横切肌肉的大幅拼接照片估算)的束数、轴突数和曲张体百分比,在幽门高于十二指肠,在胃窦最低。在十二指肠,神经束存在于环形肌层和纵行肌层;大多数轴突和曲张体位于环形肌主体与黏膜下层相邻的一层特殊肌细胞之间。

https://cdn.ncbi.nlm.nih.gov/pmc/blobs/fda1/1164449/60c452182789/janat00197-0104-b.jpg
https://cdn.ncbi.nlm.nih.gov/pmc/blobs/fda1/1164449/e7ee8a98c360/janat00197-0098-a.jpg
https://cdn.ncbi.nlm.nih.gov/pmc/blobs/fda1/1164449/a56276f660bc/janat00197-0100-a.jpg
https://cdn.ncbi.nlm.nih.gov/pmc/blobs/fda1/1164449/8ba1f2ea9331/janat00197-0104-a.jpg
https://cdn.ncbi.nlm.nih.gov/pmc/blobs/fda1/1164449/60c452182789/janat00197-0104-b.jpg
https://cdn.ncbi.nlm.nih.gov/pmc/blobs/fda1/1164449/e7ee8a98c360/janat00197-0098-a.jpg
https://cdn.ncbi.nlm.nih.gov/pmc/blobs/fda1/1164449/a56276f660bc/janat00197-0100-a.jpg
https://cdn.ncbi.nlm.nih.gov/pmc/blobs/fda1/1164449/8ba1f2ea9331/janat00197-0104-a.jpg
https://cdn.ncbi.nlm.nih.gov/pmc/blobs/fda1/1164449/60c452182789/janat00197-0104-b.jpg

相似文献

1
Structure and innervation of the musculature at the gastroduodenal junction of the guinea-pig.豚鼠胃十二指肠连接处肌肉组织的结构与神经支配
J Anat. 1984 Aug;139 ( Pt 1)(Pt 1):93-104.
2
Heterogeneous distribution of a gap junction protein, connexin43, in the gastroduodenal junction of the guinea pig.
Auton Neurosci. 2001 Oct 8;93(1-2):8-13. doi: 10.1016/S1566-0702(01)00320-4.
3
Muscular innervation of the proximal duodenum of the guinea pig.豚鼠十二指肠近端的肌肉神经支配
Arch Histol Cytol. 2000 Oct;63(4):327-43. doi: 10.1679/aohc.63.327.
4
[The myoarchitecture of the pylorus (author's transl)].
Langenbecks Arch Chir. 1981;354(4):237-44. doi: 10.1007/BF01271333.
5
Unique distribution of interstitial cells of Cajal in the feline pylorus.猫幽门中Cajal间质细胞的独特分布。
Cell Tissue Res. 2007 Jul;329(1):13-24. doi: 10.1007/s00441-007-0404-8. Epub 2007 Mar 24.
6
[Clinical anatomy of the pyloric region].[幽门区的临床解剖学]
Zentralbl Chir. 1986;111(9):518-25.
7
Development and ageing of intestinal musculature and nerves: the guinea-pig taenia coli.肠道肌肉组织和神经的发育与衰老:豚鼠结肠带
J Neurocytol. 2001 Sep-Oct;30(9-10):733-66. doi: 10.1023/a:1019660519961.
8
Topographical distribution and morphology of SP-IR axons in the antrum, pylorus, and duodenum of mice.小鼠胃窦、幽门和十二指肠中 SP-IR 轴突的拓扑分布和形态。
Auton Neurosci. 2023 May;246:103074. doi: 10.1016/j.autneu.2023.103074. Epub 2023 Jan 27.
9
An inhibitory innervation at the gastroduodenal junction in anesthetized dogs.麻醉犬胃十二指肠连接处的抑制性神经支配。
Gastroenterology. 1977 Aug;73(2):432-4.
10
Muscular architecture and VIP-like immunoreactive nerves in the gastroduodenal junction of the chicken.鸡胃十二指肠连接处的肌肉结构和血管活性肠肽样免疫反应性神经
Vet Res Commun. 1995;19(2):85-93. doi: 10.1007/BF01839274.

引用本文的文献

1
Electromechanical coupling across the gastroduodenal junction.胃十二指肠交界处的机电耦合
Acta Physiol (Oxf). 2025 Mar;241(3):e70008. doi: 10.1111/apha.70008.
2
Equine Stomach Development in the Foetal Period of Prenatal Life-An Immunohistochemical Study.产前生命胎儿期马胃的发育——一项免疫组织化学研究
Animals (Basel). 2022 Dec 31;13(1):161. doi: 10.3390/ani13010161.
3
Equine Stomach Development in the Foetal Period of Prenatal Life-A Histological and Histometric Study.胎儿期马胃的发育——一项组织学和组织计量学研究

本文引用的文献

1
The intramural nervous system of the small intestine with special reference to the innervation of the inner subdivision of its circular muscle.小肠的壁内神经系统,特别涉及到其环形肌内部分的神经支配。
J Anat. 1940 Apr;74(Pt 3):348-59.
2
Comparison of cardiac and pyloric sphincters; a manometric study.心脏括约肌与幽门括约肌的比较;一项压力测量研究。
Lancet. 1957 Nov 9;273(7002):918-22. doi: 10.1016/s0140-6736(57)92381-4.
3
Innervation of the intestinal muscular coat.肠肌层的神经支配。
Animals (Basel). 2022 Nov 6;12(21):3047. doi: 10.3390/ani12213047.
4
Equine Stomach Development in the Fetal Period: An Anatomical, Topographical, and Morphometric Study.胎儿期马胃的发育:一项解剖学、局部解剖学和形态测量学研究。
Animals (Basel). 2022 Oct 28;12(21):2966. doi: 10.3390/ani12212966.
5
The three muscle layers in the pyloric sphincter and their possible function during antropyloroduodenal motility.幽门括约肌的三层肌肉及其在抗幽门十二指肠运动中的可能功能。
Sci Rep. 2021 Oct 11;11(1):20094. doi: 10.1038/s41598-021-99463-x.
6
Organization of vagal afferents in pylorus: mechanoreceptors arrayed for high sensitivity and fine spatial resolution?迷走传入神经在幽门的组织:机械感受器呈高灵敏度和精细空间分辨率排列?
Auton Neurosci. 2014 Jul;183:36-48. doi: 10.1016/j.autneu.2014.02.008. Epub 2014 Mar 6.
7
Pyloric resection and delayed gastric liquid emptying in rats.胃幽门切除术和大鼠胃液体排空延迟。
Dig Dis Sci. 2011 Jan;56(1):49-58. doi: 10.1007/s10620-010-1238-x. Epub 2010 Apr 30.
8
Surgical anatomy of innervation of the gallbladder in humans and Suncus murinus with special reference to morphological understanding of gallstone formation after gastrectomy.人类和小麝鼩胆囊神经支配的手术解剖学,特别涉及胃切除术后胆结石形成的形态学理解。
World J Gastroenterol. 2007 Apr 14;13(14):2066-71. doi: 10.3748/wjg.v13.i14.2066.
9
A morphometric study of the rectocoprodeal sphincter in the domestic duck.家鸭直肠肛门括约肌的形态计量学研究。
J Anat. 1989 Aug;165:269-74.
10
Muscular architecture and VIP-like immunoreactive nerves in the gastroduodenal junction of the chicken.鸡胃十二指肠连接处的肌肉结构和血管活性肠肽样免疫反应性神经
Vet Res Commun. 1995;19(2):85-93. doi: 10.1007/BF01839274.
J Neurocytol. 1972 Dec;1(4):341-62. doi: 10.1007/BF01102939.
4
A study of the extrinsic innervation of the guinea pig pylorus with the horseradish peroxidase tracing technique.用辣根过氧化物酶追踪技术对豚鼠幽门外部神经支配的研究。
J Comp Neurol. 1982 Jul 10;208(4):317-24. doi: 10.1002/cne.902080402.
5
Evidence for vagal enkephalinergic neural control of the feline pylorus and stomach.猫幽门和胃的迷走神经脑啡肽能神经控制的证据。
Gastroenterology. 1980 Mar;78(3):492-7.
6
The musculature of the gall bladder and biliary pathways in the guinea-pig.豚鼠胆囊和胆道的肌肉组织
J Anat. 1983 Mar;136(Pt 2):237-50.
7
Profile of pH, pressure, and potential difference at gastroduodenal junction in man.人体胃十二指肠连接处的pH值、压力和电位差概况。
Gastroenterology. 1965 Oct;49(4):364-71.
8
Electrophysiological studies on gastroduodenal junction of the guinea pig.豚鼠胃十二指肠连接处的电生理研究。
Am J Physiol. 1971 Aug;221(2):413-20. doi: 10.1152/ajplegacy.1971.221.2.413.
9
Adrenergic innervation of sphincteric and nonsphincteric smooth muscle in the rat intestine.大鼠肠道括约肌和非括约肌平滑肌的肾上腺素能神经支配。
J Histochem Cytochem. 1971 Nov;19(11):676-81. doi: 10.1177/19.11.676.
10
Adrenergic innervation of the alimentary canal.消化道的肾上腺素能神经支配。
Z Zellforsch Mikrosk Anat. 1971;122(3):357-77. doi: 10.1007/BF00935995.