• 文献检索
  • 文档翻译
  • 深度研究
  • 学术资讯
  • Suppr Zotero 插件Zotero 插件
  • 邀请有礼
  • 套餐&价格
  • 历史记录
应用&插件
Suppr Zotero 插件Zotero 插件浏览器插件Mac 客户端Windows 客户端微信小程序
定价
高级版会员购买积分包购买API积分包
服务
文献检索文档翻译深度研究API 文档MCP 服务
关于我们
关于 Suppr公司介绍联系我们用户协议隐私条款
关注我们

Suppr 超能文献

核心技术专利:CN118964589B侵权必究
粤ICP备2023148730 号-1Suppr @ 2026

文献检索

告别复杂PubMed语法,用中文像聊天一样搜索,搜遍4000万医学文献。AI智能推荐,让科研检索更轻松。

立即免费搜索

文件翻译

保留排版,准确专业,支持PDF/Word/PPT等文件格式,支持 12+语言互译。

免费翻译文档

深度研究

AI帮你快速写综述,25分钟生成高质量综述,智能提取关键信息,辅助科研写作。

立即免费体验

人类嗜酸性粒细胞的神经毒性

Neurotoxicity of human eosinophils.

作者信息

Durack D T, Sumi S M, Klebanoff S J

出版信息

Proc Natl Acad Sci U S A. 1979 Mar;76(3):1443-7. doi: 10.1073/pnas.76.3.1443.

DOI:10.1073/pnas.76.3.1443
PMID:286329
原文链接:https://pmc.ncbi.nlm.nih.gov/articles/PMC383268/
Abstract

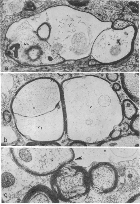
Eosinophils contain a substance that is neurotoxic when injected intracerebrally or intrathecally into laboratory animals-an effect known as the "Gordon phenomenon." We found neurotoxic activity in eosinophils from three patients with eosinophilic syndromes by injecting cell preparations into rabbits and guinea pigs. These animals developed a syndrome of muscular rigidity and ataxia, progressing to severe paralysis. No neurotoxic activity was found in preparations of polymorphonuclear or mononuclear leukocytes from normal donors. Examination of the brains of affected animals confirmed widespread loss of Purkinje cells, as described by earlier investigators. A new finding was severe spongy change occurring in the white matter of the cerebellum, brainstem, and spinal cord. Electron microscopic examination showed that vacuoles formed within the myelin sheaths of axons by separation of lamellae. Associated axonal degeneration was common and was also seen occasionally in peripheral nerves. Gray matter in the cerebral hemispheres and spinal cord was normal. This eosinophil-derived neurotoxin was partially purified by ultracentrifugation of sonicated eosinophils and fractionation of the supernate by gel filtration. Fractions with neurotoxic activity eluted at a position consistent with a molecular weight of approximately 15,000. The neurotoxic activity of this material withstood lyophilization and dialysis but was destroyed by heating to 90 degrees C. Injection of eosinophil-derived neurotoxin into laboratory animals may provide a useful short-term experimental model for study of mechanisms of damage to myelinated nerve fibers. The clinical significance of the Gordon phenomenon has yet to be established.

摘要

嗜酸性粒细胞含有一种物质,当将其脑内或鞘内注射到实验动物体内时具有神经毒性——这种效应被称为“戈登现象”。我们通过将细胞制剂注射到兔子和豚鼠体内,发现了三名嗜酸性粒细胞增多综合征患者的嗜酸性粒细胞具有神经毒性活性。这些动物出现了肌肉强直和共济失调综合征,进而发展为严重瘫痪。在正常供体的多形核白细胞或单核白细胞制剂中未发现神经毒性活性。对受影响动物大脑的检查证实了浦肯野细胞广泛丢失,正如早期研究者所描述的那样。一个新发现是在小脑、脑干和脊髓的白质中出现严重的海绵状改变。电子显微镜检查显示,轴突髓鞘内由于板层分离而形成空泡。相关的轴突变性很常见,偶尔也可见于周围神经。大脑半球和脊髓的灰质正常。通过对超声处理的嗜酸性粒细胞进行超速离心以及对上清液进行凝胶过滤分级分离,对这种嗜酸性粒细胞衍生的神经毒素进行了部分纯化。具有神经毒性活性的级分在与分子量约为15,000一致的位置洗脱。这种物质的神经毒性活性经受住了冻干和透析,但在加热到90摄氏度时被破坏。将嗜酸性粒细胞衍生的神经毒素注射到实验动物体内可能为研究有髓神经纤维损伤机制提供一个有用的短期实验模型。戈登现象的临床意义尚未确定。

https://cdn.ncbi.nlm.nih.gov/pmc/blobs/3b91/383268/8a76e5b4177c/pnas00003-0444-a.jpg
https://cdn.ncbi.nlm.nih.gov/pmc/blobs/3b91/383268/d1da62825ac0/pnas00003-0442-a.jpg
https://cdn.ncbi.nlm.nih.gov/pmc/blobs/3b91/383268/c576ab9976d9/pnas00003-0443-a.jpg
https://cdn.ncbi.nlm.nih.gov/pmc/blobs/3b91/383268/1ef580995fdf/pnas00003-0443-b.jpg
https://cdn.ncbi.nlm.nih.gov/pmc/blobs/3b91/383268/8a76e5b4177c/pnas00003-0444-a.jpg
https://cdn.ncbi.nlm.nih.gov/pmc/blobs/3b91/383268/d1da62825ac0/pnas00003-0442-a.jpg
https://cdn.ncbi.nlm.nih.gov/pmc/blobs/3b91/383268/c576ab9976d9/pnas00003-0443-a.jpg
https://cdn.ncbi.nlm.nih.gov/pmc/blobs/3b91/383268/1ef580995fdf/pnas00003-0443-b.jpg
https://cdn.ncbi.nlm.nih.gov/pmc/blobs/3b91/383268/8a76e5b4177c/pnas00003-0444-a.jpg

相似文献

1
Neurotoxicity of human eosinophils.人类嗜酸性粒细胞的神经毒性
Proc Natl Acad Sci U S A. 1979 Mar;76(3):1443-7. doi: 10.1073/pnas.76.3.1443.
2
Purification of human eosinophil-derived neurotoxin.人嗜酸性粒细胞衍生神经毒素的纯化
Proc Natl Acad Sci U S A. 1981 Aug;78(8):5165-9. doi: 10.1073/pnas.78.8.5165.
3
Eosinophils and cellular injury: the Gordon phenomenon as a model.嗜酸性粒细胞与细胞损伤:以戈登现象作为模型
N Engl Reg Allergy Proc. 1985 Fall;6(4):346-51. doi: 10.2500/108854185779109115.
4
Angiostrongylus cantonensis: role of eosinophils in the neurotoxic syndrome (Gordon-like phenomenon).广州管圆线虫:嗜酸性粒细胞在神经毒性综合征(类戈登现象)中的作用
Exp Parasitol. 1989 May;68(4):403-13. doi: 10.1016/0014-4894(89)90125-2.
5
Toxicity of an antitumor ribonuclease to Purkinje neurons.一种抗肿瘤核糖核酸酶对浦肯野神经元的毒性。
J Neurosci. 1994 Feb;14(2):538-44. doi: 10.1523/JNEUROSCI.14-02-00538.1994.
6
Progressive white matter pathology in the spinal cord of transgenic mice expressing mutant (P301L) human tau.表达突变型(P301L)人tau蛋白的转基因小鼠脊髓中的进行性白质病变
J Neurocytol. 2005 Dec;34(6):397-410. doi: 10.1007/s11068-006-8726-0. Epub 2006 Aug 10.
7
Neurotoxicity with single dose intrathecal midazolam administration.
Eur J Anaesthesiol. 2005 Dec;22(12):907-12. doi: 10.1017/S0265021505001547.
8
Cerebellar degeneration induced by acetyl-ethyl-tetramethyl-tetralin(AETT).
Acta Neuropathol. 1990;80(2):129-37. doi: 10.1007/BF00308915.
9
Neurotoxicity with chloramphenicol--an electron microscopic study.
Folia Psychiatr Neurol Jpn. 1975;29(1):39-46.
10
Pathology of experimental spinal cord trauma. II. Ultrastructure of axons and myelin.实验性脊髓损伤的病理学。II. 轴突和髓鞘的超微结构
Lab Invest. 1978 Sep;39(3):254-66.

引用本文的文献

1
Reversible Dementia With Hypereosinophilia: An Intricate Connection.伴有嗜酸性粒细胞增多的可逆性痴呆:一种复杂的关联
Cureus. 2025 Jun 14;17(6):e86009. doi: 10.7759/cureus.86009. eCollection 2025 Jun.
2
Transcriptomic Analysis of Lipid Metabolism Genes in Alzheimer's Disease: Highlighting Pathological Outcomes and Compartmentalized Immune Status.阿尔茨海默病中脂质代谢基因的转录组分析:突出病理结果和分区免疫状态
J Mol Neurosci. 2024 May 22;74(2):55. doi: 10.1007/s12031-024-02225-3.
3
Eosinophilic meningoencephalitis successfully treated with glucocorticoids and intravenous immunoglobulin: a case report.

本文引用的文献

1
Studies of a Paralysis Syndrome Produced in Rabbits and Guinea Pigs by Extracts of Normal Primate Bone Marrow.正常灵长类动物骨髓提取物在兔和豚鼠中引发的麻痹综合征研究。
Am J Pathol. 1936 May;12(3):317-332.3.
2
Protein measurement with the Folin phenol reagent.使用福林酚试剂进行蛋白质测定。
J Biol Chem. 1951 Nov;193(1):265-75.
3
A modified procedure for lead staining of thin sections.一种用于薄切片铅染色的改良方法。
糖皮质激素和静脉注射免疫球蛋白成功治疗嗜酸性粒细胞性脑膜脑炎:一例报告
Encephalitis. 2024 Apr;4(2):40-46. doi: 10.47936/encephalitis.2024.00010. Epub 2024 Mar 28.
4
Identification of hub genes significantly linked to temporal lobe epilepsy and apoptosis bioinformatics analysis.与颞叶癫痫和细胞凋亡显著相关的枢纽基因的鉴定:生物信息学分析
Front Mol Neurosci. 2024 Feb 7;17:1300348. doi: 10.3389/fnmol.2024.1300348. eCollection 2024.
5
Eosinophils as Major Player in Type 2 Inflammation: Autoimmunity and Beyond.嗜酸性粒细胞:2 型炎症的主要参与者:自身免疫及其他。
Adv Exp Med Biol. 2021;1347:197-219. doi: 10.1007/5584_2021_640.
6
Role of innate immunity in chemotherapy-induced peripheral neuropathy.先天免疫在化疗诱导的周围神经病中的作用。
Neurosci Lett. 2021 Jun 11;755:135941. doi: 10.1016/j.neulet.2021.135941. Epub 2021 May 4.
7
Angiostrongylus cantonensis infection induces MMP-9 and causes tight junction protein disruption associated with Purkinje cell degeneration.广州管圆线虫感染诱导基质金属蛋白酶-9表达并导致紧密连接蛋白破坏,与浦肯野细胞变性有关。
Parasitol Res. 2020 Oct;119(10):3433-3441. doi: 10.1007/s00436-020-06840-y. Epub 2020 Aug 13.
8
Cerebral Infarction and Myalgia in a 75-year-old Man with Eosinophilic Granulomatosis with Polyangiitis.75 岁男性患者,嗜酸性肉芽肿性多血管炎合并脑梗死和肌痛。
Intern Med. 2020 Dec 1;59(23):3089-3092. doi: 10.2169/internalmedicine.5099-20. Epub 2020 Aug 4.
9
The Immunomodulatory and Antimicrobial Properties of the Vertebrate Ribonuclease A Superfamily.脊椎动物核糖核酸酶A超家族的免疫调节和抗菌特性
Vaccines (Basel). 2018 Nov 20;6(4):76. doi: 10.3390/vaccines6040076.
10
Dysphonia and dyspnea in idiopathic hypereosinophilic syndrome treated with Mepolizumab.使用美泊利单抗治疗特发性嗜酸性粒细胞增多综合征中的发音障碍和呼吸困难。
Respir Med Case Rep. 2018 May 19;25:30-32. doi: 10.1016/j.rmcr.2018.05.013. eCollection 2018.
J Biophys Biochem Cytol. 1961 Dec;11(3):736-9. doi: 10.1083/jcb.11.3.736.
4
Improvements in epoxy resin embedding methods.环氧树脂包埋方法的改进。
J Biophys Biochem Cytol. 1961 Feb;9(2):409-14. doi: 10.1083/jcb.9.2.409.
5
Staining of tissue sections for electron microscopy with heavy metals.用重金属对组织切片进行电子显微镜染色。
J Biophys Biochem Cytol. 1958 Jul 25;4(4):475-8. doi: 10.1083/jcb.4.4.475.
6
Eosinophilic meningo-encephalitis, with predominantly cerebellar changes caused by Trichinella infection.
J Mt Sinai Hosp N Y. 1957 Nov-Dec;24(6):1293-309.
7
The encephalopathy produced by extracts of eosinophils and bone marrow.由嗜酸性粒细胞和骨髓提取物产生的脑病。
J Neuropathol Exp Neurol. 1953 Oct;12(4):349-62. doi: 10.1097/00005072-195312040-00002.
8
Cytologic and cytochemical studies of neuroglia. IV. Experimentally induced protoplasmic astrocytosis in the Bergmann glia of cerebellum.
Neurology. 1966 Nov;16(11):1118-26. doi: 10.1212/wnl.16.11.1118.
9
Isonicotinic acid hydrazide-induced spongy degeneration of the white matter in the brains of Pekin ducks.异烟肼诱导北京鸭脑白质海绵状变性
Am J Pathol. 1966 Jan;48(1):91-105.
10
Fine structure and electrolyte analyses of cerebral edema induced by alkyl tin intoxication.
J Neuropathol Exp Neurol. 1963 Jul;22(3):403-13. doi: 10.1097/00005072-196307000-00003.