Department of Science and Technology, University of Sannio, 82100 Benevento, Italy.
Sensors (Basel). 2018 Aug 2;18(8):2536. doi: 10.3390/s18082536.
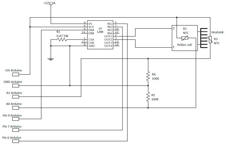
Low-cost MEMS accelerometers have the potential to be used in a number of tilt-based monitoring applications but have the disadvantage of being very sensitive to temperature variation (thermal drift). In this paper, we analyze the thermal behavior of a low-cost sensor in the range -10 to +45 °C in order to provide a simple compensation strategy to mitigate this problem. For sensor analysis, we have developed a miniaturized thermal chamber, which was mounted on a tilting device to account for tilt angle variation. The obtained raw data were used to construct low degree polynomial equations that by relating the measurement error induced by thermal drift (i.e., acceleration residuals) to temperature and inclination (of each specific axis), can be used for thermal compensation. To validate our compensation strategy, we performed a field monitoring test and evaluated the compensation performance by calculating RMS errors before and after correction. After compensation, the RMS errors calculated for both the X and Y axes decreased by 96%, indicating the potential of using a simple set of equations to solve common drawbacks that currently make low-cost MEMS sensors unsuitable for tilt-based monitoring applications.
低成本的微机电系统(MEMS)加速度计具有在许多基于倾斜的监测应用中使用的潜力,但它们的缺点是对温度变化(热漂移)非常敏感。在本文中,我们分析了低成本传感器在-10 至+45°C 范围内的热行为,以提供一种简单的补偿策略来减轻这个问题。为了进行传感器分析,我们开发了一个小型化的热室,该热室安装在倾斜装置上,以考虑倾斜角度的变化。获得的原始数据用于构建低阶多项式方程,通过将由热漂移引起的测量误差(即加速度残余)与温度和倾斜(每个特定轴)相关联,可以用于热补偿。为了验证我们的补偿策略,我们进行了现场监测测试,并通过计算校正前后的均方根误差来评估补偿性能。补偿后,X 和 Y 轴的均方根误差分别降低了 96%,这表明可以使用一组简单的方程来解决目前使低成本 MEMS 传感器不适合基于倾斜的监测应用的常见缺点。