Suppr超能文献

肺脏病理学与 COVID-19:尸检获得的启示。欧洲肺脏病理学家的经验。

Pulmonary pathology and COVID-19: lessons from autopsy. The experience of European Pulmonary Pathologists.

机构信息

Department of Cardiac, Thoracic, Vascular Sciences and Public Health, University of Padova Medical School, Via A. Gabelli 61, 35121, Padova, Italy.

Laboratory of Clinical and Experimental Pathology, FHU OncoAge, Biobank BB-0033-00025, University Côte d'Azur, Nice, France.

出版信息

Virchows Arch. 2020 Sep;477(3):359-372. doi: 10.1007/s00428-020-02886-6. Epub 2020 Jul 9.

Abstract

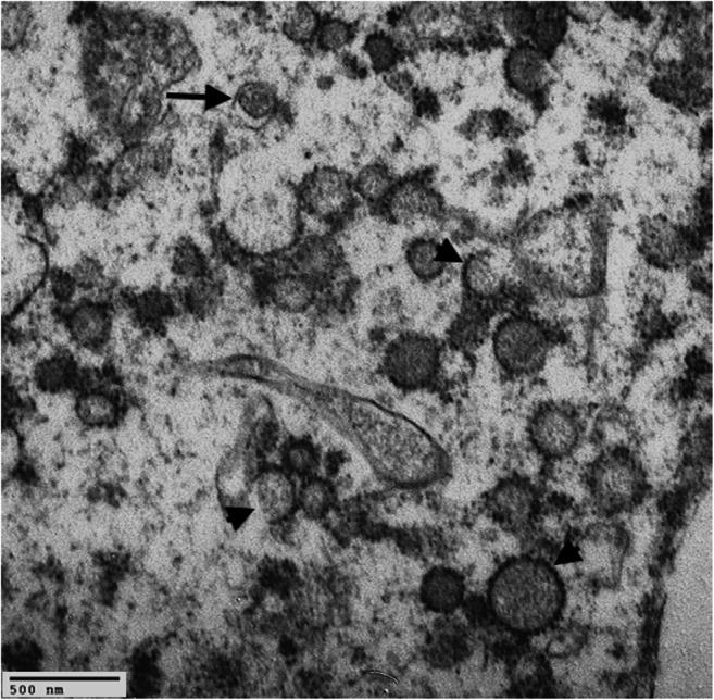
Since its initial recognition in December 2019, Coronavirus disease 19 (COVID-19) has quickly spread to a pandemic infectious disease. The causative agent has been recognized as a novel coronavirus, severe acute respiratory syndrome coronavirus 2 (SARS-CoV-2), primarily affecting the respiratory tract. To date, no vaccines are available nor any specific treatment. To limit the number of infections, strict directives have been issued by governments that have been translated into equally rigorous guidelines notably for post-mortem examinations by international and national scientific societies. The recommendations for biosafety control required during specimen collection and handling have strongly limited the practice of autopsies of the COVID-19 patients to a few adequate laboratories. A full pathological examination has always been considered an important tool to better understand the pathophysiology of diseases, especially when the knowledge of an emerging disorder is limited and the impact on the healthcare system is significant. The first evidence of diffuse alveolar damage in the context of an acute respiratory distress syndrome has now been joined by the latest findings that report a more complex scenario in COVID-19, including a vascular involvement and a wide spectrum of associated pathologies. Ancillary tools such as electron microscopy and molecular biology used on autoptic tissue samples from autopsy are also significantly contributing to confirm and/or identify new aspects useful for a deeper knowledge of the pathogenetic mechanisms. This article will review and summarize the pathological findings described in COVID-19 until now, chiefly focusing on the respiratory tract, highlighting the importance of autopsy towards a better knowledge of this disease.

摘要

自 2019 年 12 月首次被确认以来,冠状病毒病 19(COVID-19)迅速传播成为一种大流行传染病。病原体已被确认为新型冠状病毒,严重急性呼吸系统综合征冠状病毒 2(SARS-CoV-2),主要影响呼吸道。迄今为止,尚无疫苗,也没有特定的治疗方法。为了限制感染人数,各国政府发布了严格的指令,这些指令已被翻译成国际和国家科学协会同样严格的指南,特别是用于尸检。在标本采集和处理过程中需要进行的生物安全控制的建议,强烈限制了对 COVID-19 患者进行尸体解剖的实践,只能在少数合适的实验室进行。完整的病理检查一直被认为是更好地了解疾病病理生理学的重要工具,尤其是当对新兴疾病的认识有限且对医疗保健系统的影响重大时。弥漫性肺泡损伤的最初证据现在已经加入了 COVID-19 的最新发现,包括血管受累和广泛的相关病理学。在尸检时使用的辅助工具,如电子显微镜和分子生物学,也极大地有助于确认和/或识别对深入了解发病机制有用的新方面。本文将回顾和总结迄今为止在 COVID-19 中描述的病理发现,主要集中在呼吸道,强调尸检对更好地了解这种疾病的重要性。

https://cdn.ncbi.nlm.nih.gov/pmc/blobs/ac8b/7443185/1092de7ffec3/428_2020_2886_Fig1_HTML.jpg

文献检索

告别复杂PubMed语法,用中文像聊天一样搜索,搜遍4000万医学文献。AI智能推荐,让科研检索更轻松。

立即免费搜索

文件翻译

保留排版,准确专业,支持PDF/Word/PPT等文件格式,支持 12+语言互译。

免费翻译文档

深度研究

AI帮你快速写综述,25分钟生成高质量综述,智能提取关键信息,辅助科研写作。

立即免费体验