Suppr超能文献

使用超临界CO₂气体抗溶剂(GAS)制备酞菁绿纳米颜料:实验与建模

Preparation of phthalocyanine green nano pigment using supercritical CO gas antisolvent (GAS): experimental and modeling.

作者信息

Saadati Ardestani Nedasadat, Sodeifian Gholamhossein, Sajadian Seyed Ali

机构信息

Department of Chemical Engineering, Faculty of Engineering, University of Kashan, 87317-53153, Kashan, Iran.

Laboratory of Supercriritcal Fluids and Nanotechnology, University of Kashan, 87317-53153, Kashan, Iran.

出版信息

Heliyon. 2020 Sep 17;6(9):e04947. doi: 10.1016/j.heliyon.2020.e04947. eCollection 2020 Sep.

Abstract

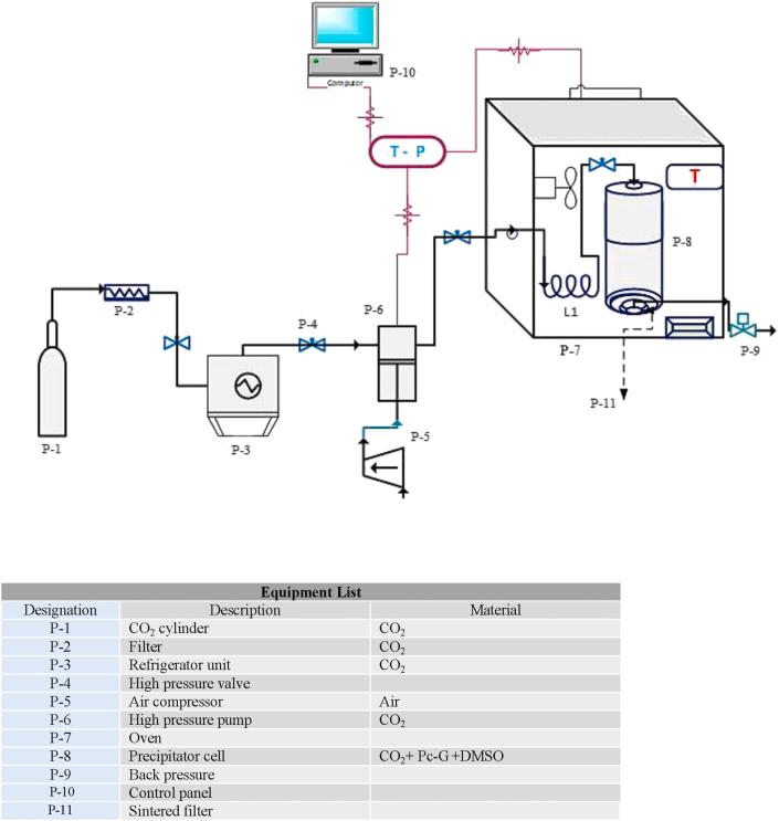
Phthalocyanine green nano pigment was prepared using supercritical gas antisolvent (GAS) process based on the SC-CO method. Thermodynamic models were developed to study the volume expansion and operating conditions of the GAS process. Peng-Robinson EoS were applied for binary (CO and DMSO) and ternary (CO, DMSO, and pigment) systems. A Box-Behnken experimental design was used to optimize the process. Influences of temperature (308, 318 and 328 K), pressure (10, 15 and 20 MPa) and solute concentration (10, 40 and 70 mg/mL) were studied on the particles size and their morphology. The fine particles produced were characterized by SEM, DLS, XRD, FTIR and DSC. Experimental results showed a great reduction in size of pigment particles in comparison to the original particles. The mean particle sizes of nanoparticles were obtained to 27.1 nm after GAS based on SC-CO method.

摘要

基于超临界二氧化碳(SC-CO₂)法,采用超临界气体抗溶剂(GAS)工艺制备了酞菁绿纳米颜料。建立了热力学模型以研究GAS工艺的体积膨胀和操作条件。Peng-Robinson状态方程应用于二元体系(CO₂和二甲基亚砜)和三元体系(CO₂、二甲基亚砜和颜料)。采用Box-Behnken实验设计对工艺进行优化。研究了温度(308、318和328K)、压力(10、15和20MPa)和溶质浓度(10、40和70mg/mL)对颗粒尺寸及其形态的影响。通过扫描电子显微镜(SEM)、动态光散射(DLS)、X射线衍射(XRD)、傅里叶变换红外光谱(FTIR)和差示扫描量热法(DSC)对所制备的细颗粒进行了表征。实验结果表明,与原始颗粒相比,颜料颗粒尺寸大幅减小。基于SC-CO₂法的GAS工艺后,纳米颗粒的平均粒径达到27.1nm。

https://cdn.ncbi.nlm.nih.gov/pmc/blobs/95c9/7502587/4e1371f6a3dd/gr1.jpg

文献AI研究员

20分钟写一篇综述,助力文献阅读效率提升50倍。

立即体验

用中文搜PubMed

大模型驱动的PubMed中文搜索引擎

马上搜索

文档翻译

学术文献翻译模型,支持多种主流文档格式。

立即体验