• 文献检索
  • 文档翻译
  • 深度研究
  • 学术资讯
  • Suppr Zotero 插件Zotero 插件
  • 邀请有礼
  • 套餐&价格
  • 历史记录
应用&插件
Suppr Zotero 插件Zotero 插件浏览器插件Mac 客户端Windows 客户端微信小程序
定价
高级版会员购买积分包购买API积分包
服务
文献检索文档翻译深度研究API 文档MCP 服务
关于我们
关于 Suppr公司介绍联系我们用户协议隐私条款
关注我们

Suppr 超能文献

核心技术专利:CN118964589B侵权必究
粤ICP备2023148730 号-1Suppr @ 2026

文献检索

告别复杂PubMed语法,用中文像聊天一样搜索,搜遍4000万医学文献。AI智能推荐,让科研检索更轻松。

立即免费搜索

文件翻译

保留排版,准确专业,支持PDF/Word/PPT等文件格式,支持 12+语言互译。

免费翻译文档

深度研究

AI帮你快速写综述,25分钟生成高质量综述,智能提取关键信息,辅助科研写作。

立即免费体验

基于模型预测控制的直流微电网共识型能量管理系统。

Model predictive control of consensus-based energy management system for DC microgrid.

机构信息

Department of Electrical Engineering, Center of Excellence in Artificial Intelligence (CoE-AI), Bahria University, Islamabad, Pakistan.

Department of Electrical and Computer Engineering, Pak-Austria Fachhochschule Institute of Applied Sciences and Technology, Haripur, Pakistan.

出版信息

PLoS One. 2023 Jan 20;18(1):e0278110. doi: 10.1371/journal.pone.0278110. eCollection 2023.

DOI:10.1371/journal.pone.0278110
PMID:36662901
原文链接:https://pmc.ncbi.nlm.nih.gov/articles/PMC9858890/
Abstract

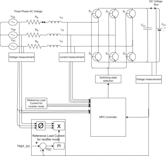
The increasing deployment and exploitation of distributed renewable energy source (DRES) units and battery energy storage systems (BESS) in DC microgrids lead to a promising research field currently. Individual DRES and BESS controllers can operate as grid-forming (GFM) or grid-feeding (GFE) units independently, depending on the microgrid operational requirements. In standalone mode, at least one controller should operate as a GFM unit. In grid-connected mode, all the controllers may operate as GFE units. This article proposes a consensus-based energy management system based upon Model Predictive Control (MPC) for DRES and BESS individual controllers to operate in both configurations (GFM or GFE). Energy management system determines the mode of power flow based on the amount of generated power, load power, solar irradiance, wind speed, rated power of every DG, and state of charge (SOC) of BESS. Based on selection of power flow mode, the role of DRES and BESS individual controllers to operate as GFM or GFE units, is decided. MPC hybrid cost function with auto-tuning weighing factors will enable DRES and BESS converters to switch between GFM and GFE. In this paper, a single hybrid cost function has been proposed for both GFM and GFE. The performance of the proposed energy management system has been validated on an EU low voltage benchmark DC microgrid by MATLAB/SIMULINK simulation and also compared with Proportional Integral (PI) & Sliding Mode Control (SMC) technique. It has been noted that as compared to PI & SMC, MPC technique exhibits settling time of less than 1μsec and 5% overshoot.

摘要

分布式可再生能源(DRES)单元和电池储能系统(BESS)在直流微电网中的日益部署和利用导致了当前一个很有前景的研究领域。根据微电网的运行要求,单个 DRES 和 BESS 控制器可以独立作为电网形成(GFM)或电网供电(GFE)单元运行。在独立模式下,至少有一个控制器应作为 GFM 单元运行。在并网模式下,所有控制器都可以作为 GFE 单元运行。本文提出了一种基于模型预测控制(MPC)的共识型能量管理系统,用于 DRES 和 BESS 单个控制器在两种配置(GFM 或 GFE)中运行。能量管理系统根据发电量、负载功率、太阳辐照度、风速、每个 DG 的额定功率和 BESS 的荷电状态(SOC)的多少来确定功率流模式。根据功率流模式的选择,决定 DRES 和 BESS 单个控制器作为 GFM 或 GFE 单元运行的角色。具有自动调整权重因子的 MPC 混合成本函数将使 DRES 和 BESS 变流器在 GFM 和 GFE 之间切换。本文提出了一种用于 GFM 和 GFE 的单一混合成本函数。通过 MATLAB/SIMULINK 仿真对所提出的能量管理系统的性能进行了验证,并与比例积分(PI)和滑模控制(SMC)技术进行了比较。结果表明,与 PI 和 SMC 相比,MPC 技术的稳定时间小于 1μs,超调量为 5%。

https://cdn.ncbi.nlm.nih.gov/pmc/blobs/060d/9858890/24656b2e7b90/pone.0278110.g020.jpg
https://cdn.ncbi.nlm.nih.gov/pmc/blobs/060d/9858890/cb964a22e3a0/pone.0278110.g001.jpg
https://cdn.ncbi.nlm.nih.gov/pmc/blobs/060d/9858890/7bea9fb72ed4/pone.0278110.g002.jpg
https://cdn.ncbi.nlm.nih.gov/pmc/blobs/060d/9858890/fe2306c0b8c3/pone.0278110.g003.jpg
https://cdn.ncbi.nlm.nih.gov/pmc/blobs/060d/9858890/a468aef37ade/pone.0278110.g004.jpg
https://cdn.ncbi.nlm.nih.gov/pmc/blobs/060d/9858890/74b0e3157bf9/pone.0278110.g005.jpg
https://cdn.ncbi.nlm.nih.gov/pmc/blobs/060d/9858890/d562a7e3f86b/pone.0278110.g006.jpg
https://cdn.ncbi.nlm.nih.gov/pmc/blobs/060d/9858890/c1c6359aeecd/pone.0278110.g007.jpg
https://cdn.ncbi.nlm.nih.gov/pmc/blobs/060d/9858890/98fb3d0af2bf/pone.0278110.g008.jpg
https://cdn.ncbi.nlm.nih.gov/pmc/blobs/060d/9858890/761f4b8dfd43/pone.0278110.g009.jpg
https://cdn.ncbi.nlm.nih.gov/pmc/blobs/060d/9858890/c9308771be17/pone.0278110.g010.jpg
https://cdn.ncbi.nlm.nih.gov/pmc/blobs/060d/9858890/697d62bf953b/pone.0278110.g011.jpg
https://cdn.ncbi.nlm.nih.gov/pmc/blobs/060d/9858890/87169183e7bc/pone.0278110.g012.jpg
https://cdn.ncbi.nlm.nih.gov/pmc/blobs/060d/9858890/ecb2a83fbbe6/pone.0278110.g013.jpg
https://cdn.ncbi.nlm.nih.gov/pmc/blobs/060d/9858890/31dcf5b21002/pone.0278110.g014.jpg
https://cdn.ncbi.nlm.nih.gov/pmc/blobs/060d/9858890/7a6831ad6afc/pone.0278110.g015.jpg
https://cdn.ncbi.nlm.nih.gov/pmc/blobs/060d/9858890/51396095cce6/pone.0278110.g016.jpg
https://cdn.ncbi.nlm.nih.gov/pmc/blobs/060d/9858890/56fea8edc59d/pone.0278110.g017.jpg
https://cdn.ncbi.nlm.nih.gov/pmc/blobs/060d/9858890/ed699276e37a/pone.0278110.g018.jpg
https://cdn.ncbi.nlm.nih.gov/pmc/blobs/060d/9858890/f67c94b7a7e4/pone.0278110.g019.jpg
https://cdn.ncbi.nlm.nih.gov/pmc/blobs/060d/9858890/24656b2e7b90/pone.0278110.g020.jpg
https://cdn.ncbi.nlm.nih.gov/pmc/blobs/060d/9858890/cb964a22e3a0/pone.0278110.g001.jpg
https://cdn.ncbi.nlm.nih.gov/pmc/blobs/060d/9858890/7bea9fb72ed4/pone.0278110.g002.jpg
https://cdn.ncbi.nlm.nih.gov/pmc/blobs/060d/9858890/fe2306c0b8c3/pone.0278110.g003.jpg
https://cdn.ncbi.nlm.nih.gov/pmc/blobs/060d/9858890/a468aef37ade/pone.0278110.g004.jpg
https://cdn.ncbi.nlm.nih.gov/pmc/blobs/060d/9858890/74b0e3157bf9/pone.0278110.g005.jpg
https://cdn.ncbi.nlm.nih.gov/pmc/blobs/060d/9858890/d562a7e3f86b/pone.0278110.g006.jpg
https://cdn.ncbi.nlm.nih.gov/pmc/blobs/060d/9858890/c1c6359aeecd/pone.0278110.g007.jpg
https://cdn.ncbi.nlm.nih.gov/pmc/blobs/060d/9858890/98fb3d0af2bf/pone.0278110.g008.jpg
https://cdn.ncbi.nlm.nih.gov/pmc/blobs/060d/9858890/761f4b8dfd43/pone.0278110.g009.jpg
https://cdn.ncbi.nlm.nih.gov/pmc/blobs/060d/9858890/c9308771be17/pone.0278110.g010.jpg
https://cdn.ncbi.nlm.nih.gov/pmc/blobs/060d/9858890/697d62bf953b/pone.0278110.g011.jpg
https://cdn.ncbi.nlm.nih.gov/pmc/blobs/060d/9858890/87169183e7bc/pone.0278110.g012.jpg
https://cdn.ncbi.nlm.nih.gov/pmc/blobs/060d/9858890/ecb2a83fbbe6/pone.0278110.g013.jpg
https://cdn.ncbi.nlm.nih.gov/pmc/blobs/060d/9858890/31dcf5b21002/pone.0278110.g014.jpg
https://cdn.ncbi.nlm.nih.gov/pmc/blobs/060d/9858890/7a6831ad6afc/pone.0278110.g015.jpg
https://cdn.ncbi.nlm.nih.gov/pmc/blobs/060d/9858890/51396095cce6/pone.0278110.g016.jpg
https://cdn.ncbi.nlm.nih.gov/pmc/blobs/060d/9858890/56fea8edc59d/pone.0278110.g017.jpg
https://cdn.ncbi.nlm.nih.gov/pmc/blobs/060d/9858890/ed699276e37a/pone.0278110.g018.jpg
https://cdn.ncbi.nlm.nih.gov/pmc/blobs/060d/9858890/f67c94b7a7e4/pone.0278110.g019.jpg
https://cdn.ncbi.nlm.nih.gov/pmc/blobs/060d/9858890/24656b2e7b90/pone.0278110.g020.jpg

相似文献

1
Model predictive control of consensus-based energy management system for DC microgrid.基于模型预测控制的直流微电网共识型能量管理系统。
PLoS One. 2023 Jan 20;18(1):e0278110. doi: 10.1371/journal.pone.0278110. eCollection 2023.
2
A novel adaptive droop control strategy for SoC balance in PV-based DC microgrids.一种用于基于光伏的直流微电网中电池荷电状态平衡的新型自适应下垂控制策略。
ISA Trans. 2023 Oct;141:351-364. doi: 10.1016/j.isatra.2023.07.008. Epub 2023 Jul 11.
3
Stability enhancement of battery energy storage and renewable energy-based hybrid AC/DC microgrids using terminal sliding mode backstepping control approaches.采用终端滑模反步控制方法增强基于电池储能和可再生能源的交直流混合微电网的稳定性
ISA Trans. 2023 Nov;142:40-56. doi: 10.1016/j.isatra.2023.07.014. Epub 2023 Jul 26.
4
Modeling and control of a photovoltaic-wind hybrid microgrid system using GA-ANFIS.基于遗传算法-自适应神经模糊推理系统的光伏-风力混合微电网系统建模与控制
Heliyon. 2023 Mar 22;9(4):e14678. doi: 10.1016/j.heliyon.2023.e14678. eCollection 2023 Apr.
5
Hybrid AC/DC architecture in the CE.D.E.R.-CIEMAT microgrid: demonstration of the TIGON project.CE.D.E.R.-CIEMAT微电网中的交直流混合架构:TIGON项目示范
Open Res Eur. 2024 Jan 9;2:123. doi: 10.12688/openreseurope.15154.2. eCollection 2022.
6
Effective dynamic energy management algorithm for grid-interactive microgrid with hybrid energy storage system.用于具有混合储能系统的并网微电网的高效动态能量管理算法
Sci Rep. 2024 Aug 31;14(1):20294. doi: 10.1038/s41598-024-70599-w.
7
Artificial intelligence-based nonlinear control of renewable energies and storage system in a DC microgrid.基于人工智能的直流微电网中可再生能源与储能系统的非线性控制
ISA Trans. 2022 Feb;121:217-231. doi: 10.1016/j.isatra.2021.04.004. Epub 2021 Apr 16.
8
ANN-based dynamic control and energy management of inverter and battery in a grid-tied hybrid renewable power system fed through switched Z-source converter.基于人工神经网络的并网混合可再生能源发电系统中逆变器和电池的动态控制与能量管理,该系统通过开关型Z源变换器供电。
Electr Eng (Berl). 2021;103(5):2285-2301. doi: 10.1007/s00202-021-01231-7. Epub 2021 Feb 17.
9
A novel development of advanced control approach for battery-fed electric vehicle systems.一种用于电池供电电动汽车系统的先进控制方法的新进展。
Sci Rep. 2024 Aug 30;14(1):20194. doi: 10.1038/s41598-024-71167-y.
10
Maiden application of mountaineering team-based optimization algorithm optimized 1PD-PI controller for load frequency control in islanded microgrid with renewable energy sources.基于登山队的优化算法首次应用于优化含可再生能源的孤岛微电网负荷频率控制的1PD-PI控制器。
Sci Rep. 2024 Oct 1;14(1):22851. doi: 10.1038/s41598-024-74051-x.

引用本文的文献

1
Optimal design of a hybrid ship energy management system under various sea conditions using Model Predictive Control.基于模型预测控制的混合动力船舶能量管理系统在各种海况下的优化设计
PLoS One. 2025 Jul 2;20(7):e0326969. doi: 10.1371/journal.pone.0326969. eCollection 2025.
2
A cost-effective load side management solution based on power line carrier communication i-PLCC.基于电力线载波通信 i-PLCC 的高性价比负荷侧管理解决方案。
PLoS One. 2024 Nov 20;19(11):e0311313. doi: 10.1371/journal.pone.0311313. eCollection 2024.