• 文献检索
  • 文档翻译
  • 深度研究
  • 学术资讯
  • Suppr Zotero 插件Zotero 插件
  • 邀请有礼
  • 套餐&价格
  • 历史记录
应用&插件
Suppr Zotero 插件Zotero 插件浏览器插件Mac 客户端Windows 客户端微信小程序
定价
高级版会员购买积分包购买API积分包
服务
文献检索文档翻译深度研究API 文档MCP 服务
关于我们
关于 Suppr公司介绍联系我们用户协议隐私条款
关注我们

Suppr 超能文献

核心技术专利:CN118964589B侵权必究
粤ICP备2023148730 号-1Suppr @ 2026

文献检索

告别复杂PubMed语法,用中文像聊天一样搜索,搜遍4000万医学文献。AI智能推荐,让科研检索更轻松。

立即免费搜索

文件翻译

保留排版,准确专业,支持PDF/Word/PPT等文件格式,支持 12+语言互译。

免费翻译文档

深度研究

AI帮你快速写综述,25分钟生成高质量综述,智能提取关键信息,辅助科研写作。

立即免费体验

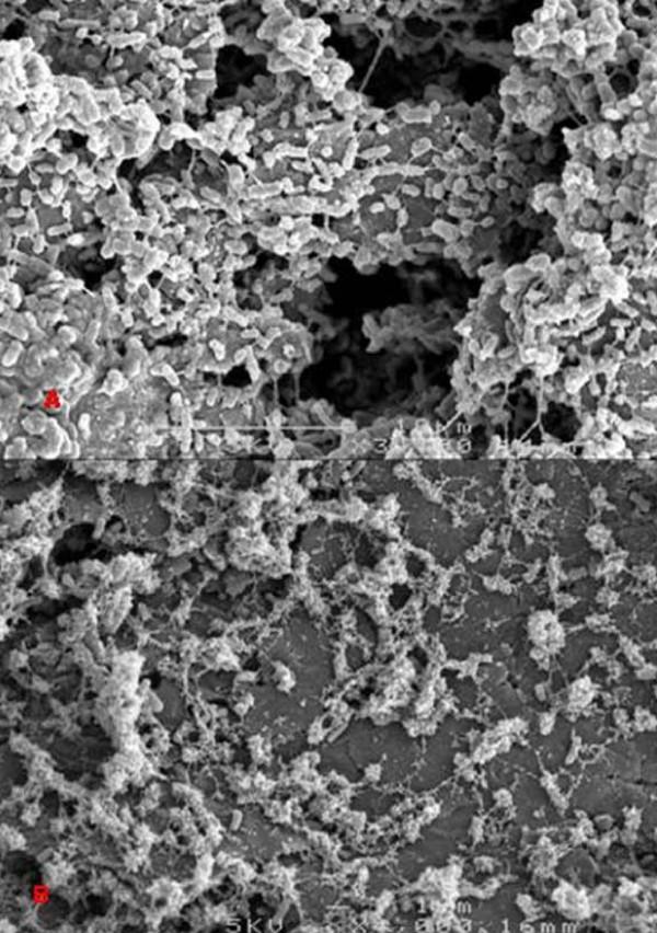
微生物燃料电池阳极上生物膜的初始发育和结构。

Initial development and structure of biofilms on microbial fuel cell anodes.

机构信息

Advanced Water Management Centre, The University of Queensland, Brisbane, Queensland, Australia.

出版信息

BMC Microbiol. 2010 Apr 1;10:98. doi: 10.1186/1471-2180-10-98.

DOI:10.1186/1471-2180-10-98
PMID:20356407
原文链接:https://pmc.ncbi.nlm.nih.gov/articles/PMC2858741/
Abstract

BACKGROUND

Microbial fuel cells (MFCs) rely on electrochemically active bacteria to capture the chemical energy contained in organics and convert it to electrical energy. Bacteria develop biofilms on the MFC electrodes, allowing considerable conversion capacity and opportunities for extracellular electron transfer (EET). The present knowledge on EET is centred around two Gram-negative models, i.e. Shewanella and Geobacter species, as it is believed that Gram-positives cannot perform EET by themselves as the Gram-negatives can. To understand how bacteria form biofilms within MFCs and how their development, structure and viability affects electron transfer, we performed pure and co-culture experiments.

RESULTS

Biofilm viability was maintained highest nearer the anode during closed circuit operation (current flowing), in contrast to when the anode was in open circuit (soluble electron acceptor) where viability was highest on top of the biofilm, furthest from the anode. Closed circuit anode Pseudomonas aeruginosa biofilms were considerably thinner compared to the open circuit anode (30 +/- 3 microm and 42 +/- 3 microm respectively), which is likely due to the higher energetic gain of soluble electron acceptors used. The two Gram-positive bacteria used only provided a fraction of current produced by the Gram-negative organisms. Power output of co-cultures Gram-positive Enterococcus faecium and either Gram-negative organisms, increased by 30-70% relative to the single cultures. Over time the co-culture biofilms segregated, in particular, Pseudomonas aeruginosa creating towers piercing through a thin, uniform layer of Enterococcus faecium. P. aeruginosa and E. faecium together generated a current of 1.8 +/- 0.4 mA while alone they produced 0.9 +/- 0.01 and 0.2 +/- 0.05 mA respectively.

CONCLUSION

We postulate that this segregation may be an essential difference in strategy for electron transfer and substrate capture between the Gram-negative and the Gram-positive bacteria used here.

摘要

背景

微生物燃料电池(MFC)依赖于电化学活性细菌来捕获有机物中所含的化学能,并将其转化为电能。细菌在 MFC 电极上形成生物膜,从而实现可观的转化能力和细胞外电子转移(EET)的机会。目前,关于 EET 的知识主要集中在两种革兰氏阴性模型,即希瓦氏菌和 Geobacter 属,因为人们认为革兰氏阳性菌不能像革兰氏阴性菌那样自行进行 EET。为了了解细菌如何在 MFC 中形成生物膜,以及它们的发育、结构和活力如何影响电子转移,我们进行了纯培养和共培养实验。

结果

闭路操作(电流流动)时,靠近阳极的生物膜活力保持最高,而在阳极开路(可溶性电子受体)时,生物膜顶部(离阳极最远)的活力最高。与阳极开路相比,闭路阳极铜绿假单胞菌生物膜要薄得多(分别为 30 ± 3 微米和 42 ± 3 微米),这可能是由于使用了更高能量的可溶性电子受体。所使用的两种革兰氏阳性菌仅提供了革兰氏阴性菌产生电流的一部分。与单一培养物相比,共培养革兰氏阳性粪肠球菌和革兰氏阴性菌的组合,其功率输出增加了 30-70%。随着时间的推移,共培养生物膜发生了分离,特别是铜绿假单胞菌形成了刺穿粪肠球菌薄而均匀层的塔。铜绿假单胞菌和粪肠球菌一起产生 1.8 ± 0.4 mA 的电流,而单独使用时,它们分别产生 0.9 ± 0.01 和 0.2 ± 0.05 mA 的电流。

结论

我们推测,这种分离可能是这里使用的革兰氏阴性和革兰氏阳性菌在电子转移和底物捕获方面的策略的一个重要区别。

https://cdn.ncbi.nlm.nih.gov/pmc/blobs/1647/2858741/0b679ac05d54/1471-2180-10-98-6.jpg
https://cdn.ncbi.nlm.nih.gov/pmc/blobs/1647/2858741/0cf187eb0eb9/1471-2180-10-98-1.jpg
https://cdn.ncbi.nlm.nih.gov/pmc/blobs/1647/2858741/c65c4bae0949/1471-2180-10-98-2.jpg
https://cdn.ncbi.nlm.nih.gov/pmc/blobs/1647/2858741/5c5da57c64a5/1471-2180-10-98-3.jpg
https://cdn.ncbi.nlm.nih.gov/pmc/blobs/1647/2858741/8974d17ae345/1471-2180-10-98-4.jpg
https://cdn.ncbi.nlm.nih.gov/pmc/blobs/1647/2858741/9397a7b0921d/1471-2180-10-98-5.jpg
https://cdn.ncbi.nlm.nih.gov/pmc/blobs/1647/2858741/0b679ac05d54/1471-2180-10-98-6.jpg
https://cdn.ncbi.nlm.nih.gov/pmc/blobs/1647/2858741/0cf187eb0eb9/1471-2180-10-98-1.jpg
https://cdn.ncbi.nlm.nih.gov/pmc/blobs/1647/2858741/c65c4bae0949/1471-2180-10-98-2.jpg
https://cdn.ncbi.nlm.nih.gov/pmc/blobs/1647/2858741/5c5da57c64a5/1471-2180-10-98-3.jpg
https://cdn.ncbi.nlm.nih.gov/pmc/blobs/1647/2858741/8974d17ae345/1471-2180-10-98-4.jpg
https://cdn.ncbi.nlm.nih.gov/pmc/blobs/1647/2858741/9397a7b0921d/1471-2180-10-98-5.jpg
https://cdn.ncbi.nlm.nih.gov/pmc/blobs/1647/2858741/0b679ac05d54/1471-2180-10-98-6.jpg

相似文献

1
Initial development and structure of biofilms on microbial fuel cell anodes.微生物燃料电池阳极上生物膜的初始发育和结构。
BMC Microbiol. 2010 Apr 1;10:98. doi: 10.1186/1471-2180-10-98.
2
Differential biofilms characteristics of Shewanella decolorationis microbial fuel cells under open and closed circuit conditions.在开路和闭路条件下变色希瓦氏菌微生物燃料电池的生物膜特性差异。
Bioresour Technol. 2011 Jul;102(14):7093-8. doi: 10.1016/j.biortech.2011.04.073. Epub 2011 Apr 28.
3
Biofilm promoted current generation of Pseudomonas aeruginosa microbial fuel cell via improving the interfacial redox reaction of phenazines.生物膜通过改善吩嗪的界面氧化还原反应促进了铜绿假单胞菌微生物燃料电池的电流产生。
Bioelectrochemistry. 2017 Oct;117:34-39. doi: 10.1016/j.bioelechem.2017.04.003. Epub 2017 May 23.
4
Electrochemical performance and microbial community profiles in microbial fuel cells in relation to electron transfer mechanisms.电化学性能和微生物燃料电池中的微生物群落特征与电子传递机制的关系。
BMC Microbiol. 2017 Oct 18;17(1):208. doi: 10.1186/s12866-017-1115-2.
5
Electron acceptor-dependent respiratory and physiological stratifications in biofilms.电子受体依赖性生物膜中的呼吸和生理分层。
Environ Sci Technol. 2015 Jan 6;49(1):196-202. doi: 10.1021/es504546g. Epub 2014 Dec 22.
6
Structures, Compositions, and Activities of Live Shewanella Biofilms Formed on Graphite Electrodes in Electrochemical Flow Cells.电化学流通池中石墨电极上形成的活希瓦氏菌生物膜的结构、组成和活性
Appl Environ Microbiol. 2017 Aug 17;83(17). doi: 10.1128/AEM.00903-17. Print 2017 Sep 1.
7
Enhancing extracellular electron transfer through selective enrichment of Geobacter with Fe@CN-modified carbon-based anode in microbial fuel cells.通过在微生物燃料电池中用铁@碳氮修饰的碳基阳极选择性富集地杆菌来增强细胞外电子转移。
Environ Sci Pollut Res Int. 2023 Mar;30(11):28640-28651. doi: 10.1007/s11356-022-24254-4. Epub 2022 Nov 18.
8
Enhanced electroactive bacteria enrichment and facilitated extracellular electron transfer in microbial fuel cells via polydopamine coated graphene aerogel anode.通过聚多巴胺涂覆的石墨烯气凝胶阳极增强微生物燃料电池中的电活性细菌富集和促进细胞外电子传递。
Bioelectrochemistry. 2024 Dec;160:108769. doi: 10.1016/j.bioelechem.2024.108769. Epub 2024 Jun 27.
9
Microbial community composition and electricity generation in cattle manure slurry treatment using microbial fuel cells: effects of inoculum addition.利用微生物燃料电池处理牛粪浆时微生物群落组成和发电:接种物添加的影响。
Environ Sci Pollut Res Int. 2017 Oct;24(29):23226-23235. doi: 10.1007/s11356-017-9959-4. Epub 2017 Aug 22.
10
Physiological and electrochemical effects of different electron acceptors on bacterial anode respiration in bioelectrochemical systems.不同电子受体对生物电化学系统中细菌阳极呼吸的生理和电化学影响。
Bioresour Technol. 2014 Jul;164:270-5. doi: 10.1016/j.biortech.2014.04.098. Epub 2014 May 6.

引用本文的文献

1
Detecting Excess Biofilm Thickness in Microbial Electrolysis Cells by Real-Time In-Situ Biofilm Monitoring.通过实时原位生物膜监测检测微生物电解槽中生物膜的过度厚度
Biotechnol Bioeng. 2025 Aug;122(8):2049-2062. doi: 10.1002/bit.29017. Epub 2025 May 2.
2
In Situ Biofilm Monitoring Using a Heat Transfer Sensor: The Impact of Flow Velocity in a Pipe and Planar System.使用传热传感器进行原位生物膜监测:流速对管道和平板系统的影响。
Biosensors (Basel). 2025 Feb 6;15(2):93. doi: 10.3390/bios15020093.
3
A novel fragmented anode biofilm microbial fuel cell (FAB-MFC) integrated system for domestic wastewater treatment and bioelectricity generation.

本文引用的文献

1
Cultivation of fastidious bacteria by viability staining and micromanipulation in a soil substrate membrane system.通过在土壤基质膜系统中进行活力染色和显微操作培养苛求菌。
Appl Environ Microbiol. 2009 May;75(10):3352-4. doi: 10.1128/AEM.02407-08. Epub 2009 Mar 20.
2
A novel ecological role of the Firmicutes identified in thermophilic microbial fuel cells.在嗜热微生物燃料电池中发现的厚壁菌门的一种新生态作用。
ISME J. 2008 Nov;2(11):1146-56. doi: 10.1038/ismej.2008.48. Epub 2008 Sep 4.
3
Use of Pseudomonas species producing phenazine-based metabolites in the anodes of microbial fuel cells to improve electricity generation.
一种用于生活污水处理和生物发电的新型分段阳极生物膜微生物燃料电池(FAB-MFC)集成系统。
Bioresour Bioprocess. 2021 Nov 13;8(1):112. doi: 10.1186/s40643-021-00442-x.
4
A simulation of acetate consumption and electricity generation in a single microbial fuel cell considering the diversity of nonelectrogenic bacteria.考虑非产电菌多样性时,单个微生物燃料电池中乙酸盐消耗和发电的模拟。
Bioprocess Biosyst Eng. 2022 Nov;45(11):1857-1864. doi: 10.1007/s00449-022-02792-y. Epub 2022 Sep 25.
5
Bio-electrochemical frameworks governing microbial fuel cell performance: technical bottlenecks and proposed solutions.控制微生物燃料电池性能的生物电化学框架:技术瓶颈与解决方案建议
RSC Adv. 2022 Feb 16;12(10):5749-5764. doi: 10.1039/d1ra08487a.
6
Characterization of spatiotemporal electroactive anodic biofilm activity distribution using 1D simulations.利用一维模拟研究时空电化学活性阳极生物膜活性分布的特征。
Sci Rep. 2022 Apr 7;12(1):5849. doi: 10.1038/s41598-022-09596-w.
7
Microbial fuel cell compared to a chemostat.微生物燃料电池与恒化器的比较。
Chemosphere. 2022 Jun;296:133967. doi: 10.1016/j.chemosphere.2022.133967. Epub 2022 Feb 14.
8
Founder cell configuration drives competitive outcome within colony biofilms.起始细胞的构型决定了群体生物膜内的竞争结果。
ISME J. 2022 Jun;16(6):1512-1522. doi: 10.1038/s41396-022-01198-8. Epub 2022 Feb 5.
9
On-Line Monitoring of Biofilm Accumulation on Graphite-Polypropylene Electrode Material Using a Heat Transfer Sensor.使用传热传感器在线监测石墨-聚丙烯电极材料上生物膜的积累。
Biosensors (Basel). 2021 Dec 30;12(1):18. doi: 10.3390/bios12010018.
10
Microbial fuel cells and their electrified biofilms.微生物燃料电池及其电化生物膜。
Biofilm. 2021 Sep 20;3:100057. doi: 10.1016/j.bioflm.2021.100057. eCollection 2021 Dec.
利用在微生物燃料电池阳极产生基于吩嗪代谢产物的假单胞菌属细菌来提高发电效率。
Appl Microbiol Biotechnol. 2008 Oct;80(6):985-93. doi: 10.1007/s00253-008-1619-7. Epub 2008 Aug 8.
4
Towards practical implementation of bioelectrochemical wastewater treatment.迈向生物电化学废水处理的实际应用
Trends Biotechnol. 2008 Aug;26(8):450-9. doi: 10.1016/j.tibtech.2008.04.008. Epub 2008 Jun 26.
5
Power output and columbic efficiencies from biofilms of Geobacter sulfurreducens comparable to mixed community microbial fuel cells.来自硫还原地杆菌生物膜的功率输出和库仑效率与混合群落微生物燃料电池相当。
Environ Microbiol. 2008 Oct;10(10):2505-14. doi: 10.1111/j.1462-2920.2008.01675.x. Epub 2008 Jun 28.
6
Proton transport inside the biofilm limits electrical current generation by anode-respiring bacteria.生物膜内的质子运输限制了阳极呼吸细菌产生电流。
Biotechnol Bioeng. 2008 Aug 1;100(5):872-81. doi: 10.1002/bit.21821.
7
Microbial ecology meets electrochemistry: electricity-driven and driving communities.微生物生态学与电化学相遇:由电驱动及驱动电的群落。
ISME J. 2007 May;1(1):9-18. doi: 10.1038/ismej.2007.4.
8
Metabolites produced by Pseudomonas sp. enable a Gram-positive bacterium to achieve extracellular electron transfer.假单胞菌属细菌产生的代谢产物使一种革兰氏阳性细菌能够实现细胞外电子转移。
Appl Microbiol Biotechnol. 2008 Jan;77(5):1119-29. doi: 10.1007/s00253-007-1248-6. Epub 2007 Oct 30.
9
Current production and metal oxide reduction by Shewanella oneidensis MR-1 wild type and mutants.希瓦氏菌MR-1野生型及其突变体的电流产生与金属氧化物还原
Appl Environ Microbiol. 2007 Nov;73(21):7003-12. doi: 10.1128/AEM.01087-07. Epub 2007 Jul 20.
10
Lack of electricity production by Pelobacter carbinolicus indicates that the capacity for Fe(III) oxide reduction does not necessarily confer electron transfer ability to fuel cell anodes.乙醇杆菌无法产生电流,这表明还原氧化铁的能力并不一定能赋予其向燃料电池阳极传递电子的能力。
Appl Environ Microbiol. 2007 Aug;73(16):5347-53. doi: 10.1128/AEM.00804-07. Epub 2007 Jun 15.